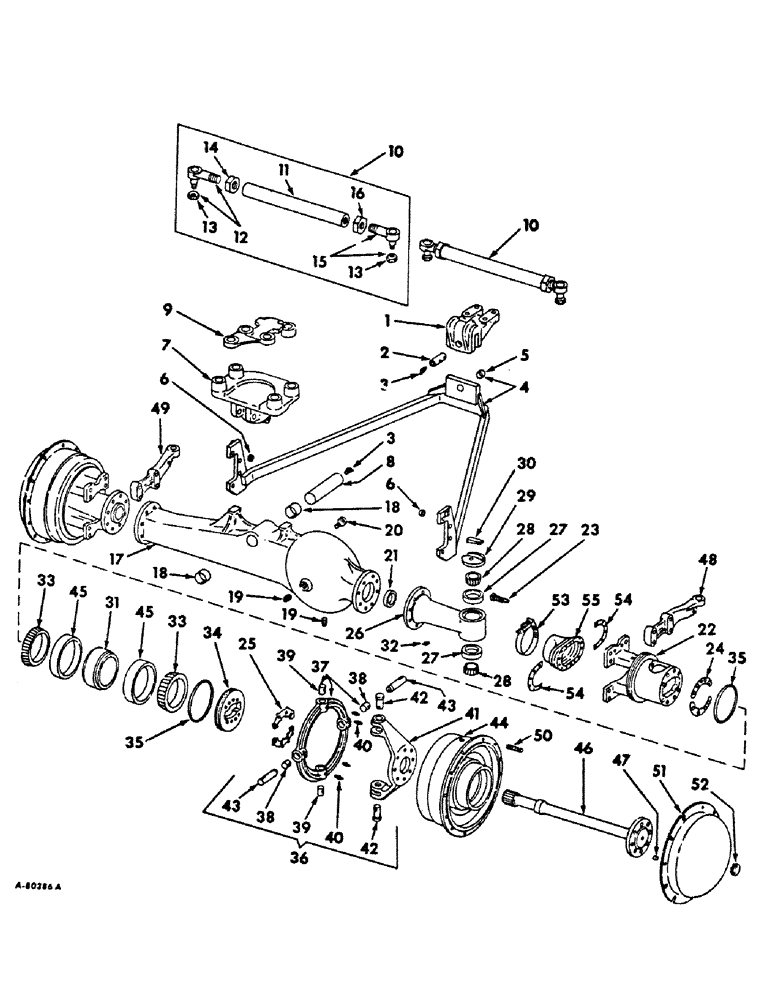
Запчасти Case IH 756 (B-31) - POWER TRAIN, FRONT AXLE AND CONNECTIONS, FARMALL TRACTORS WITH ALL WHEEL DRIVE (03) - POWER TRAIN

Схема запчастей Case IH 756 - (B-31) - POWER TRAIN, FRONT AXLE AND CONNECTIONS, FARMALL TRACTORS WITH ALL WHEEL DRIVE (03) - POWER TRAIN
11
13
43
54
6
25
45
3
26
5
12
34
52
46
42
45
32
2
22
15
3
53
10
21
18
39
48
50
1
27
8
31
20
41
4
16
6
13
47
29
40
36
38
19
18
55
24
51
49
44
38
43
35
9
27
40
37
42
28
35
28
7
54
10
33
33
39
23
17
14
30
19
FIT
1:1
100%

Артикул

Название

Примечание

Количество

1

385798R1

SUPPORT

stray bar rear

1шт.

102635

NUT,3/8"-16, G5

1шт.

17841R1

SCREW, 3/8-16 x 5-1/2 hex-hd cap

1шт.

271564

BOLT,Hex, 5/8" - 11 x 2 1/2", Gr 5

SCREW, 5/8-11 x 2-1/2 hex-hd cap

2шт.

NLS

NO LONGER SERVICED

SCREW, 5/8-11 x 4 hex-hd cap

2шт.

103325

LOCK WASHER,5/8"

WASHER, LOCK, 5/8"

4шт.

2

385799R1

AXLE PIN

PIN, stay bar rear pivot

1шт.

3

219-45

LUBE NIPPLE,65 Degree Elbow, 1/4" NPTF

FITTING, 1/4 65 deg angle drive type lub

2шт.

4

385806R11

BAR ASSY, stabilizer

1шт.

114505

JAM NUT,Jam, 1/2"-13, G5

2шт.

214442

NUT,1/2"-20, G8

1/2-20 hex.

8шт.

20167R1

BOLT,1/2" x 3", Gr 8

SCREW, 1/2-20 hex-hd cap

8шт.

179885

BOLT,Hex, 1/2" - 13 x 1 1/2", Gr 5

Adjustable screw Hex, 1/2"-13 x 1 1/2", G5, Full Thd

2шт.

103323

LOCK WASHER,1/2"

WASHER, LOCK, 1/2"

8шт.

5

385805R1

BUSHING

stabilizer bar

1шт.

6

385809R1

WASHER, stay bar extension gusset

8шт.

7

385810R4

BRACKET

BOLSTER, lower

1шт.

102635

NUT,3/8"-16, G5

1шт.

17892R1

BOLT,Hex, 3/8" - 16 x 6 1/4"

SCREW, 3/8-16 x 6-1/4 hex-hd cap

1шт.

323546R1

BOLT,Hex, 3/4" - 10 x 4", Gr 8

SCREW, 3/4-10 x 4 hex-hd cap

2шт.

20072R1

BOLT,Hex, 3/4" - 10 x 3 1/4", Gr 8

SCREW, 3/4-10 x 3-1/4 hex-hd cap

2шт.

8

379941R1

AXLE PIN,38.1mm OD x 219.2mm L

PIN, front axle pivot

1шт.

9

385812R1

ARM

steering center

1шт.

NLS

NO LONGER SERVICED

SCREW, 3/4-10 x 1-3/8 hex-hd cap

3шт.

10

385814R92

TIE-ROD

ROD ASSY, adj tie

2шт.

108643

COTTER PIN,5/32" x 1 3/8"

Pin, Split (Cotter), 5/32" x 1 3/8"

4шт.

11

385841R1

TUBE, tie rod

1шт.

12

384005R92

JOINT

END ASSY, tie rod, LH thd

1шт.

13

358901R1

SLOTTED NUT

tie rod end

4шт.

14

374061R1

JAM NUT

jam, LH

1шт.

15

384006R92

END

ASSY, tie rod, RH thd

1шт.

16

374062R1

JAM NUT

NUT, jam, RH thd

1шт.

17

385R91

AXLE ASSY, front, composed of ref. nos. 17 thru 55 & attaching parts, also includes carrier assy, 385774R91 & gasket, 69177R1

1шт.

17

385857R91

HOUSING ASSY, front axle, composed of ref. nos. 18, 19 & 20

1шт.

18

379943R1

BUSHING,38.11mm ID x 41.41mm OD x 38.1mm L

front axle pivot pin

2шт.

19

280668R91

PLUG

3/4 magnetic pipe

2шт.

20

268540C1

BREATHER

VENT, front axle housing

1шт.

21

387408R91

OIL SEAL

front axle housing

2шт.

22

899257R91

SPINDLE

ASSY, composed of ref. nos. 23, 24 & 25

2шт.

23

899255R1

STEP BOLT,7/16" x 2 3/4"

SCREW, wedge adjusting

2шт.

425-117

NUT,7/16"-20, G5

7/16-20 hex.

2шт.

496-21047

WASHER

15/32 x 59/64 x .065

2шт.

24

196513R91

SHIM KIT

PACKAGE, wheel brg adjusting shim

4шт.

25

385823R91

STRIPPER PACKAGE

PACKAGE, lock plate service

2шт.

26

267383C1

END ASSY.

STUB, axle

2шт.

25-118

NUT,1/2"-20, G5

1/2-20 hex.

8шт.

181435

BOLT,Hex, 1/2" - 20 x 2", Gr 5

SCREW, 1/2-20 x 2 hex-hd cap

8шт.

103323

LOCK WASHER,1/2"

WASHER, LOCK, 1/2"

8шт.

27

129077H

BEARING

pivot cup

4шт.

28

680004R91

BEARING ASSY,31.75mm ID x 24.07mm W

ASSY, pivot cone

4шт.

29

899258R1

WEDGE

CAP, pivot bearing

2шт.

30

899253R1

CYLINDER END CAP

WEDGE, pivot bearing

2шт.

31

899267R1

RING

clamp

2шт.

32

109461

LUBE NIPPLE,1/8"-27 x .66 lg

NIPPLE, LUBE, , PTF, Axle stub 1/8"-27 x .66 lg

4шт.

33

271841R91

CONE

BEARING ASSY, radial cone

4шт.

34

899266R1

PLATE ASSY.

PLATE, bearing adj

2шт.

179883

BOLT,Hex, 1/2" - 13 x 1 1/4", Gr 5

8шт.

35

259263C91

OIL SEAL

PACKAGE, hub seal service

2шт.

36

387409R91

YOKE

AND RING ASSY, less ref. no. 43

2шт.

37

387410R91

RING

ASSY, compensating

2шт.

20977R1

PLUG

1/2-14 auto sq-soc pipe

4шт.

38

387411R1

BUSHING

compensating ring

4шт.

39

387412R1

BUSHING

compensating ring

4шт.

40

80722

LUBE NIPPLE,3/16" x .55" lg, Drive

FITTING, 1/4 x 3/16 PTF str lub, yoke & ring assy

4шт.

41

899263R1

YOKE

power

2шт.

42

385851R1

AXLE PIN

PIN, Serial Range: ring-yoke

4шт.

576484R1

LOCK PIN,3/16" x 1 3/4", Slotted

Pin, 3/16" x 1 3/4", Slotted

4шт.

43

196523R1

AXLE PIN

PIN, ring TC hub

4шт.

44

385850R91

HUB

W/TWO CUPS, 879079R1 wheel

2шт.

196528R1

AXLE PIN

PIN, wheel hub dowel

4шт.

45

879079R1

CUP ASSY.

BEARING, wheel hub cup

4шт.

46

385852R1

SHAFT

axle LH

1шт.

46

385853R1

SHAFT

axle RH

1шт.

47

899252R1

BUSHING

axle shaft tapered

16шт.

286897R1

SCREW

1/2-20 x 1-1/4 drilled hd cap

16шт.

385859R1

WIRE, 1/16 x 8 safety

8шт.

48

385855R1

ARM, steering LH

1шт.

25-118

NUT,1/2"-20, G5

1/2-20 hex.

4шт.

181440

BOLT,Hex, 1/2" - 20 x 2 1/2", Gr 5

SCREW, 1/2-20 x 2-1/2 hex-hd cap

2шт.

181441

SCREW, 1/2-20 x 2-3/4 hex-hd cap

2шт.

103323

LOCK WASHER,1/2"

WASHER, LOCK, 1/2"

4шт.

49

385856R1

ARM, steering RH

1шт.

25-118

NUT,1/2"-20, G5

1/2-20 x 2-1/2 hex-hd cap

2шт.

NLS

NO LONGER SERVICED

SCREW, 1/2-20 x 2-3/4 hex-hd cap

2шт.

103323

LOCK WASHER,1/2"

WASHER, LOCK, 1/2"

4шт.

50

197595R1

STUD

wheel

24шт.

25-118

NUT,1/2"-20, G5

1/2-20 hex.

24шт.

103323

LOCK WASHER,1/2"

WASHER, LOCK, 1/2"

24шт.

51

385854R2

COVER ASSY

COVER, wheel

2шт.

52

(Not used in this application)

1шт.

53

385858R91

CLAMP

wheel boot

2шт.

54

899260R1

RETAINER

wheel boot

4шт.

171716

SELF-TAP SCREW,Slotted Pan Hd, #10 x 3/8"

SCREW, 10-24 x 3/8 slt-pan-hd tap.

24шт.

115545

LOCK WASHER,Int Tooth, #10

WASHER, no. 10 int-tooth lock

24шт.

55

389050R1

BOOT

BOOT, wheel

2шт.

Выбрано товаров: 95