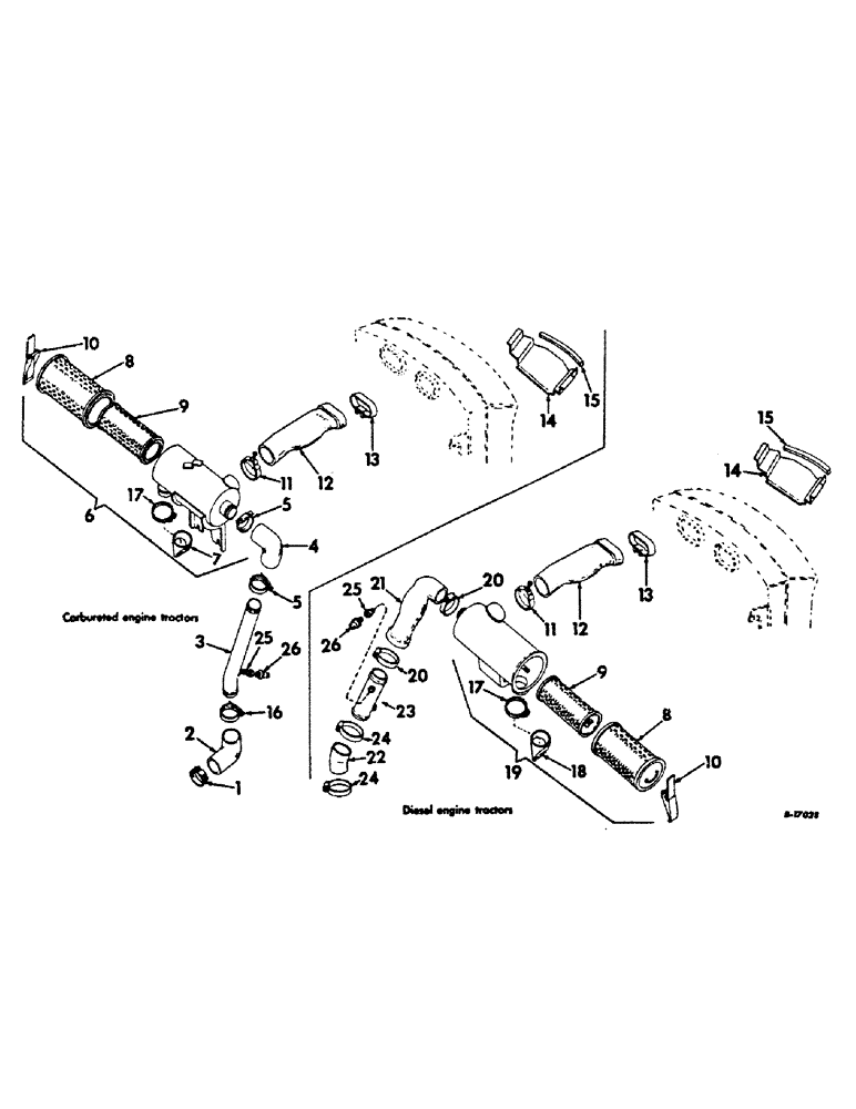
Запчасти Case IH 756 (E-2) - FUEL SYSTEM, AIR CLEANER AND CONNECTIONS (02) - FUEL SYSTEM

Схема запчастей Case IH 756 - (E-2) - FUEL SYSTEM, AIR CLEANER AND CONNECTIONS (02) - FUEL SYSTEM
14
20
13
12
10
4
12
5
24
1
17
8
13
26
24
6
8
10
11
20
3
22
25
16
11
15
26
9
9
17
18
2
19
23
15
14
7
21
5
25
FIT
1:1
100%

Артикул

Название

Примечание

Количество

1

397256R1

HOSE CLAMP,#44, 2.31/3.25 Type F Worm, W/liner

CLAMP, air cleaner pipe hose

1шт.

2

382400R1

INTAKE AIR HOSE,2.25" ID, 2.50" ID, SAE 20R4, Class SC

Air Cleaner Pipe Lower 2.25" ID, 2.50" ID, SAE 20R4, Class SC

1шт.

3

396561R1

PIPE, air, Serial Range: cleaner-carburetor

1шт.

4

306190R1

HOSE ASSY.

HOSE, air cleaner pipe

1шт.

5

397256R1

HOSE CLAMP,#44, 2.31/3.25 Type F Worm, W/liner

CLAMP, upper hose

2шт.

6

398513R91

CLEANER ASSY, air

1шт.

7

401265R1

LOCK VALVE

VALVE, unloader

1шт.

8

401269R1

AIR CLEANER

ELEMENT ASSY

1шт.

9

401267R1

AIR CLEANER

ELEMENT ASSY, safety

1шт.

10

401266R1

FASTENER

LEVER AND SPRING ASSY

1шт.

11

357870R91

CLAMP

intake hose rear

1шт.

12

380035R2

INTAKE AIR HOSE,2.16" ID, 3.00" ID x 11.20"

Air Cleaner 2.16" ID, 3.00" ID x 11.20"

1шт.

13

380600R91

FASTENER

CLAMP, intake hose front

1шт.

14

396519R1

BAFFLE

pre-cleaner

1шт.

256873

BOLT,Hex Serr, 5/16" - 18 x 1/2", 5SPL, Full Thd

4шт.

15

528936R1

GASKET

SEAL, pre-cleaner baffle air

1шт.

16

397256R1

HOSE CLAMP,#44, 2.31/3.25 Type F Worm, W/liner

CLAMP, lower hose upper

1шт.

17

305406C91

CLAMP

ASSY, unloader valve

1шт.

18

401265R1

LOCK VALVE

VALVE, unloader

1шт.

19

398514R92

CLEANER

ASSY, air, all tractors except custom

1шт.

19

530229R1

CLEANER ASSY, air, for use on custom tractors only

1шт.

179838

BOLT,Hex, 3/8" - 16 x 7/8", Gr 5, Full Thd

3/8-16 x 7/8 hex-hd cap

2шт.

102635

NUT,3/8"-16, G5

2шт.

95-11041

WASHER,3/8"

(13/32 x 13/16 x .065) 3/8"

2шт.

20

397257R1

HOSE CLAMP,#52, 2.81/3.75 Type F Worm, W/liner

CLAMP, outlet hose to air cleaner

2шт.

21

396536R1

INTAKE AIR HOSE,2.97" ID, 3.00" ID

Air Cleaner Outlet 2.97" ID, 3.00" ID

1шт.

22

396540R1

INTAKE AIR HOSE,2.87" ID, 3.00" ID

Intake Manifold Elbow 2.87" ID, 3.00" ID

1шт.

23

396563R1

TUBE

ASSY, air cleaner outlet

1шт.

24

397257R1

HOSE CLAMP,#52, 2.81/3.75 Type F Worm, W/liner

CLAMP, air manifold elbow hose

2шт.

25

389908R91

ADAPTER

air cleaner switch

1шт.

26

389682R91

SWITCH

air cleaner

1шт.

Выбрано товаров: 31