Запчасти Case IH 806 (E-06) - FUEL SYSTEM, AIR CLEANER AND CONNECTIONS (02) - FUEL SYSTEM

Схема запчастей Case IH 806 - (E-06) - FUEL SYSTEM, AIR CLEANER AND CONNECTIONS (02) - FUEL SYSTEM
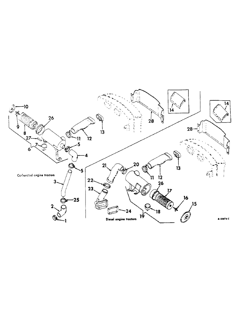
28
15
14
19
12
10
6
1
9
5
26
13
14
13
17
24
16
27
8
7
23
28
20
21
11
11
25
5
3
18
22
4
26
12
2
FIT
1:1
100%

Артикул

Название

Примечание

Количество

1

397256R1

HOSE CLAMP,#44, 2.31/3.25 Type F Worm, W/liner

CLAMP, air cleaner pipe hose, carburetor end

1шт.

2

300664R1

HOSE ASSY.

HOSE, air cleaner pipe lower

1шт.

Used only on tractors with 2-1/4 in. OD diameter air cleaner pipe.

1шт.

2

382400R1

INTAKE AIR HOSE,2.25" ID, 2.50" ID, SAE 20R4, Class SC

Air Cleaner Pipe Lower 2.25" ID, 2.50" ID, SAE 20R4, Class SC

1шт.

Used only on tractors with 2-1/2 in. OD diameter air cleaner pipe.

1шт.

3

680037R1

PIPE, air cleaner to carburetor, order pipe 385024R2, hose 306190R1 hose, 382400R1 and four clamps, 397256R1

1шт.

Used only on tractors with 2-1/4 in. OD diameter air cleaner pipe.

1шт.

3

385024R2

PIPE, air, Serial Range: cleaner-carburetor

1шт.

Used only on tractors with 2-1/2 in. OD diameter air cleaner pipe.

1шт.

4

275362R1

ELBOW

HOSE, air cleaner pipe upper

1шт.

Used only on tractors with 2-1/4 in. OD diameter air cleaner pipe.

1шт.

4

306190R1

HOSE ASSY.

HOSE, air cleaner pipe upper

1шт.

Used only on tractors with 2-1/2 in. OD diameter air cleaner pipe.

1шт.

5

397256R1

HOSE CLAMP,#44, 2.31/3.25 Type F Worm, W/liner

CLAMP, upper hose

2шт.

6

380747R94

CLEANER ASSY, air

1шт.

7

383734R2

VALVE

dust

1шт.

8

383732R93

ELEMENT

ASSY

1шт.

9

385925R91

NUT

AND GASKET ASSY

1шт.

10

383733R91

COVER

ASSY

1шт.

11

357870R91

CLAMP

intake hose rear

1шт.

12

380035R2

INTAKE AIR HOSE,2.16" ID, 3.00" ID x 11.20"

Air Cleaner 2.16" ID, 3.00" ID x 11.20"

1шт.

13

380600R91

FASTENER

CLAMP, intake hose front

1шт.

14

383786R2

DEFLECTOR, air intake

1шт.

179789

BOLT,Hex, 1/4" - 20 x 3/8", Gr 5, Full Thd

1шт.

256873

BOLT,Hex Serr, 5/16" - 18 x 1/2", 5SPL, Full Thd

Farmall tractor S/N 33162 & below, International tractor S/N 7100 & below Hex Flg, 5/16"-18 x 1/2", Serr

1шт.

15

383733R91

COVER

ASSY

1шт.

16

385925R91

NUT

AND GASKET ASSY

1шт.

17

383711R93

ELEMENT

ASSY

1шт.

18

383734R2

VALVE

dust

1шт.

19

381423R93

CLEANER ASSY, air

1шт.

20

397257R1

HOSE CLAMP,#52, 2.81/3.75 Type F Worm, W/liner

CLAMP, outlet hose to air cleaner

1шт.

21

380039R4

INTAKE AIR HOSE,3.00" ID, 3.40" ID

Air Cleaner Outlet 3.00" ID, 3.40" ID

1шт.

22

397258R1

HOSE CLAMP,#64, 3.56/4.50 Type F Worm, W/liner

CLAMP, outlet hose to elbow

1шт.

23

380045R2

ELBOW, air intake manifold

1шт.

444574

PLUG,Sq Hd, 1/4"-18 NPTF

1/4-18 automotive sq-hd pipe

1шт.

179840

BOLT,Hex, 3/8" - 16 x 1 1/8", Gr 5

SCREW, 3/8-16 x 1-1/8 hex-hd cap

1шт.

179849

BOLT,Hex, 3/8" - 16 x 2 1/2", Gr 5

3шт.

24

327755R1

GASKET

air intake manifold elbow

1шт.

25

397256R1

HOSE CLAMP,#44, 2.31/3.25 Type F Worm, W/liner

CLAMP, lower hose upper

1шт.

26

385861R1

SLEEVE

FIN, pre-cleaner

1шт.

27

387067R1

SPRING

dust unloader

1шт.

28

396519R1

BAFFLE

pre-cleaner

1шт.

256873

BOLT,Hex Serr, 5/16" - 18 x 1/2", 5SPL, Full Thd

4шт.

389600R1

STRIP

SEAL, pre-cleaner baffle air, Farmall tractor serial no. 33163 & above, International tractor serial no. 7101 & above.

1шт.

Выбрано товаров: 0