Запчасти Case IH 806 (F-09[A]) - HYDRAULIC SYSTEM, HYDRAULIC PUMP THOMPSON, 9 GPM (07) - HYDRAULIC SYSTEM

Схема запчастей Case IH 806 - (F-09[A]) - HYDRAULIC SYSTEM, HYDRAULIC PUMP THOMPSON, 9 GPM (07) - HYDRAULIC SYSTEM
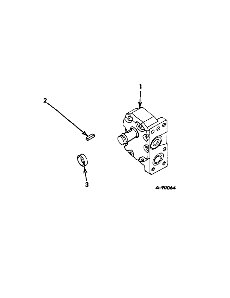
2
3
1
FIT
1:1
100%

Артикул

Название

Примечание

Количество

1

391353R91

HYDRAULIC PUMP

PUMP ASSY, hydraulic, includes ref nos 2 and 3

1шт.

2

383539R1

KEY

pump drive shaft

1шт.

3

373157R91

OIL SEAL

SEAL, pump drive shaft

1шт.

383559R91

SEAL PACKAGE

KIT, seal pack service, consists of (1) plate 383560R1 (NSS), (1) plate 383561R1 (NSS), (1) web 383562R1 (NSS), (1) web 383563R1 (NSS), (1) web 383564R1 (NSS), (1) web 395347R1 (NSS)

1шт.

383558R91

PACKAGE

hydraulic pump o-ring & gasket, consists of (1) kit 383559R91, (1) o-ring 350667R1, (1) o-ring 372821R1, (1) seal 373157R91

1шт.

Выбрано товаров: 5