Запчасти Case IH 806 (A-09) - CHASSIS, RADIATOR & SHEET METAL, DELUXE FLAT TOP FENDERS & PLATFORM, FARMALL W/ADJUSTABLE HEADLIGHTS Chassis, Radiator & Sheet Metal

Схема запчастей Case IH 806 - (A-09) - CHASSIS, RADIATOR & SHEET METAL, DELUXE FLAT TOP FENDERS & PLATFORM, FARMALL W/ADJUSTABLE HEADLIGHTS Chassis, Radiator & Sheet Metal
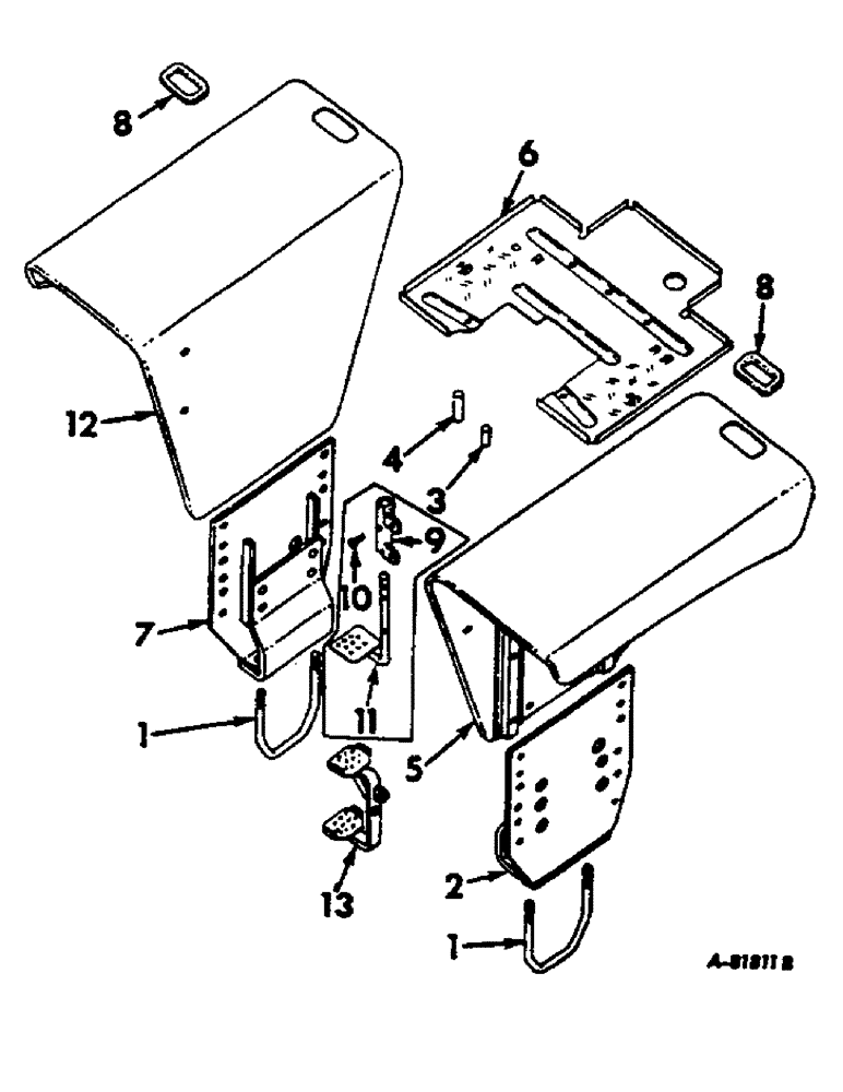
9
5
13
7
4
1
2
8
12
11
1
10
3
8
6
FIT
1:1
100%

Артикул

Название

Примечание

Количество

1

388944R2

BOLT

fender mounting U

2шт.

425-1012

NUT,3/4"-10, G5

3/4-10 hex.

4шт.

584253R1

WASHER

.781 x 1.75 x .188 flat

4шт.

2

399336R1

SUPPORT ASSY, fender mount RH, replaces 391993R91

1шт.

3

379718R1

SPACER,1/2" X-Strng Pipe x 1.281"

platform

4шт.

4

51852H

SPACER

platform

2шт.

5

399329R1

FENDER ASSY, RH

1шт.

102637

NUT,1/2"-13, G5

2шт.

413-818

BOLT,Hex, 1/2" - 13 x 1-1/8", Gr 5

SCREW, 1/2-13 x 1-1/8 hex-hd cap

6шт.

395-11053

WASHER,0.53" ID x 1.06" OD x 0.1" Thk

17/32 x 1-1/16 x .074

8шт.

6

379716R2

PLATFORM, rear frame

1шт.

179847

BOLT,Hex, 3/8" - 16 x 2", Gr 5

4шт.

187491

BOLT,Hex, 3/8" - 16 x 5 1/2", Gr 5

SCREW, 3/8-16 x 5-1/2 hex-hd cap

2шт.

Q1597

WASHER

13/32 x 3/4 x 16 ga

2шт.

7

399335R1

SUPPORT ASSY, fender mounting LH, replaces 391992R91

1шт.

8

388940R1

GRIP

fender handle

2шт.

9

379719R1

BRACKET, mounting step

1шт.

Not used on tractors with all wheel drive.

1шт.

413-1044

BOLT,Hex, 5/8" - 11 x 2-3/4", Gr 5

SCREW, 5/8-11 x 2-3/4 hex-hd cap

1шт.

384317R1

SCREW, 5/8-11 x 2-3/4, 12 pt-hd cap

1шт.

103325

LOCK WASHER,5/8"

WASHER, LOCK, 5/8"

1шт.

114609

LOCK WASHER,Ext Tooth, 5/8"

WASHER, LOCK, Ext Tooth, 5/8"

1шт.

10

20250R1

PIN, 3/16 x 2-1/4 rod end

1шт.

Not used on tractors with all wheel drive.

1шт.

NLS

NO LONGER SERVICED

PIN, 1/16 x 1/2 cot.

1шт.

11

379720R521

STEP ASSY, mounting, see note, tractor serial no. 30482 & below

1шт.

12

399328R1

FENDER ASSY, LH

1шт.

102637

NUT,1/2"-13, G5

2шт.

179882

PIN

SCREW, 1/2-13 x 1-1/8 hex-hd cap

6шт.

395-11053

WASHER,0.53" ID x 1.06" OD x 0.1" Thk

17/32 x 1-1/16 x .074

8шт.

13

395230R1

STEP

ASSY, LH mounting, see note, tractor serial no. 30483 & above

1шт.

NLS

NO LONGER SERVICED

SCREW, 3/4-10 x 1-1/2 hex-hd cap

1шт.

375250R1

SCREW,Flg, 5/8" - 11 x 2 1/4"

5/8 x 2-1/4 x 12 pt-hd cap

1шт.

Q3501

WASHER

25/32 x 1-1/8 x 16 ga.

1шт.

391991R92

FENDER

PARTS ACCESSORY, deluxe fenders w/adjustable lights, for components see electrical system

1шт.

Выбрано товаров: 35