Запчасти Case IH 826 (04-02) - BRAKES, BRAKES AND CONNECTIONS (5.1) - BRAKES

Схема запчастей Case IH 826 - (04-02) - BRAKES, BRAKES AND CONNECTIONS (5.1) - BRAKES
18
31
35
4
36
2
30
30
31
6
39
40
1
13
7
32
37
31
41
34
28
3
26
31
22
16
23
27
17
10
42
9
14
20
33
5
24
25
29
38
19
8
17
12
21
11
37
15
31
31
FIT
1:1
100%

Артикул

Название

Примечание

Количество

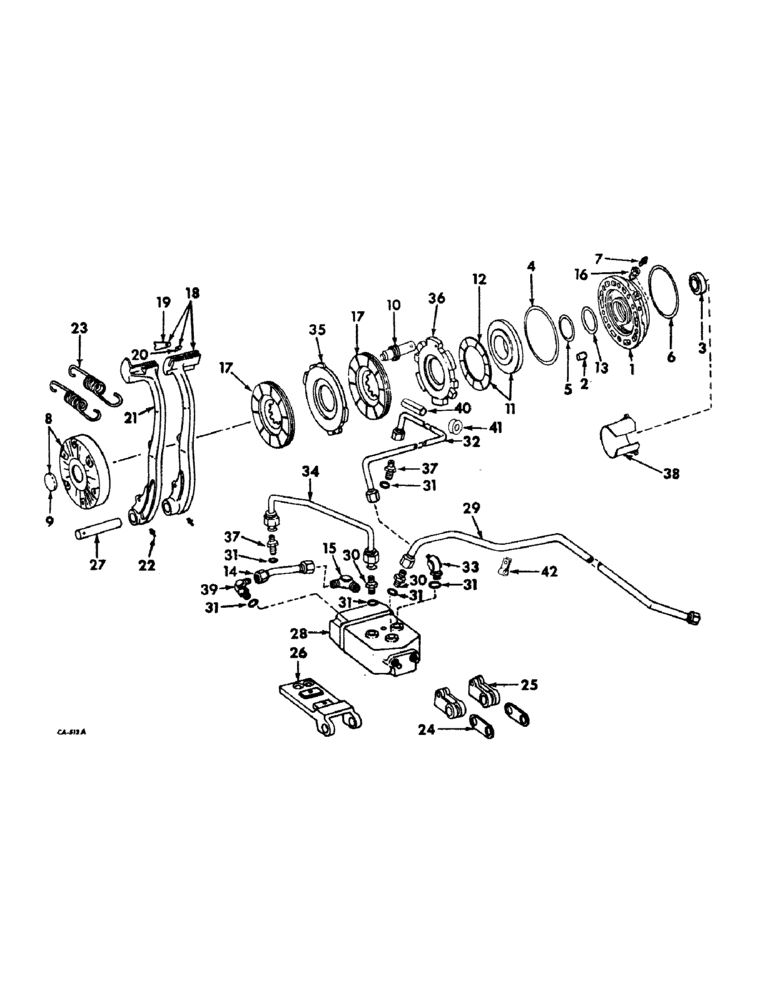
1

397340R1

HOUSING

brake piston

2шт.

2

403285R2

DOWEL

PIN, 5/8 x 3-1/4 dowel, optional with 20818R1

4шт.

2

20818R1

PIN, 5/8 x 3-1/4 dowel, optional with 403285R2

1шт.

3

530806R91

SEAL,53.59mm ID x 76.33mm OD x 9.53mm Thk

brake shaft outer

2шт.

4

530807R1

RING

piston outer seal

2шт.

5

530808R1

RING

piston inner seal

2шт.

6

530789R1

O-RING,6.712" ID x 0.139" Width

O-RING, brake piston housing sealing

2шт.

7

82301R1

BLEEDER,3/8" - 24 x 117mm

bleed

2шт.

8

527443R11

HOUSING

ASSY, brake

2шт.

20819R1

SCREW

w/nylok pellet, 5/8-11 x 4-3/4 hex-hd. cap

8шт.

NLS

NO LONGER SERVICED

SCREW, 5/8-11 x 3-3/4 hex-hd. cap

4шт.

9

384339R1

PLUG,Cup, 2 3/16"

brake housing cup

2шт.

10

527445R1

TUBE

ASSY, brake adjuster

8шт.

11

384368R12

PISTON ASSY.

PISTON ASSY, brake

2шт.

This insulator pad needs to be assembled w/ the groove away from the piston. Use 3M Co. cement #EC-1300 or 345-23 (pint) or 345-22 (5 oz. tube) covering a minimum of 75% of the surface involved to insure a good bond. Not necessary to bake. CR 4/30/99 TSG

1шт.

12

384161R1

FRICTION WASHER

INSULATOR, brake piston

2шт.

This insulator pad needs to be assembled w/ the groove away from the piston. Use 3M Co. cement #EC-1300 or 345-23 (pint) or 345-22 (5 oz. tube) covering a minimum of 75% of the surface involved to insure a good bond. Not necessary to bake. CR 4/30/99 TSG

1шт.

13

391816R1

SHIM

piston housing .035

2шт.

13

391817R1

SHIM

piston housing .012

4шт.

13

391818R1

SHIM

piston housing .007

6шт.

13

391819R1

SHIM

piston housing .004

1шт.

13

391820R1

SHIM

piston housing .003

1шт.

14

384224R11

HYD TUBE,0.375" OD, 4.24, 1.88" Length

PIPE ASSY, hyd brake return

1шт.

15

333934R1

ELBOW,90 Degree, 9/16"-18, 37 Degree x 3/8"-18, NPTF

ADAPTER, male elbow, 37 deg. flare to NPTF

1шт.

16

397338R1

CONNECTOR, ELEC

CONNECTOR, bleeder valve

2шт.

17

394463R91

DISC

DISK ASSY, brake friction, heavy duty

4шт.

17

384166R91

DISC

ASSY, brake friction, regulator duty

4шт.

18

397681R1

PEDAL SSY, LH brake

1шт.

114503

JAM NUT,Jam, 3/8"-16, G5

1шт.

223095

SCREW, 3/8-16 x 1-1/4 hex-soc-hd. half dog-pt. set

1шт.

19

43751D8

PLATE, brake pedal lock

1шт.

20

51293D

SPRING

brake pedal lock tension

1шт.

20895R1

PIN,1/4" x 1", Coiled

1шт.

21

397682R1

PEDAL, RH brake

1шт.

114503

JAM NUT,Jam, 3/8"-16, G5

1шт.

223095

SCREW, 3/8-16 x 1-1/4 hex-soc-hd. half dog-pt. set

1шт.

22

80722

LUBE NIPPLE,3/16" x .55" lg, Drive

FITTING, 3/16 drive-type str lub

2шт.

23

59315D

SPRING

brake pedal return

2шт.

24

384082R1

LINK

brake operating

2шт.

108630

COTTER PIN,1/8" x 7/8"

Pin, Split (Cotter), 1/8" x 7/8"

4шт.

21263R1

CLEVIS PIN,1/2" x 1 11/16'"

PIN, 1/2 x 1-11/16 C-Z rod end

4шт.

395-11053

WASHER,0.53" ID x 1.06" OD x 0.1" Thk

17/32 x 1-1/16 x .095

4шт.

25

384083R1

NO LONGER SERVICED

YOKE, brake operating

2шт.

179818

BOLT,Hex, 5/16" - 18 x 1", Gr 5

2шт.

26

384084R1

ADAPTER, brake shaft and hydraulic valve mounting

1шт.

432-1240

COTTER PIN,3/16" x 2 1/2"

PIN, split (Cotter), 3/16" x 2 1/2"

1шт.

179881

BOLT,1/2" - 13 x 1", Gr 5

3шт.

27

384085R1

SHAFT

brake pedal

1шт.

28

528005R92

LOCK VALVE

VALVE ASSY, power brake, for components see list of parts under details of power brake valve

1шт.

280161

BOLT,Hex, 3/8" - 16 x 3", Gr 5

1шт.

186283

BOLT,Hex, 3/8" - 16 x 3 1/2", Gr 5

SCREW, 3/8-16 x 3-1/2 hex-hd. cap

1шт.

103321

LOCK WASHER,3/8"

WASHER, LOCK, 3/8"

2шт.

29

384221R21

TUBE

PIPE ASSY, hyd. brake pressure, gear drive tractors

1шт.

29

406140R1

PIPE

ASSY, hyd. brake pressure, hydrostatic tractors

1шт.

30

9410202

HYD CONNECTOR,9/16"-18, 37 Degree x 9/16"-18, O-Ring

UNION, 9/16-18 37 deg. hyd. flared tube, short swivel

2шт.

31

364839R1

O-RING,0.078" Thk x 0.468" ID, -906, Cl 6, 90 Duro

6-1, 90 Duro, .468" ID x .078" Thk

6шт.

32

384222R11

TUBE

PIPE ASSY, LH brake, gear drive tractors

1шт.

32

406141R2

PIPE CLAMP

PIPE ASSY, LH brake, hydrostatic drive tractors

1шт.

33

9410976

ELBOW,90 Degree, 9/16"-18, 37 Degree x 9/16"-18, O-Ring

9/16-18 37 deg. hyd. flared tube adj str thd. 90 deg.

1шт.

34

529038R1

TUBE

PIPE ASSY, RH brake, replaces 401344R1

1шт.

35

392777R2

PLATE ASSY.

PLATE, intermediate brake

2шт.

36

527444R1

PLATE ASSY.

PLATE ASSY, primary brake

2шт.

36

527444R1GV

BRAKE PLATE

Value, Brake Plate

2шт.

37

528006R1

CONNECTOR, ELEC

CONNECTOR, 9/16-18 37 deg. hyd. flared tube short swivel w/orifice

2шт.

38

400902R1

SHIELD ASSY, bull pinion brg. oil

2шт.

38

391814R11

SHIELD ASSY, bull pinion brg. oil RH, tractors w/differential lock

1шт.

423324

SCREW,Hex L/Wshr Hd, #10-24 x 7/16"

W/EXT-TOOTH LOCK WASHER, 10-24 x 7/16 hex-hd. mach

6шт.

39

531711R1

ELBOW UNION

ELBOW, 9/16-18 37 deg. hyd. flared tube adj. str. thd. 90 deg., hydraulic brake return pipe

1шт.

40

534250R1

HOSE

LH brake pressure tube bumper, hydrostatic drive tractors

1шт.

41

393259R1

HOSE

INSULATOR, brake pipe, hydrostatic drive tractors

1шт.

42

534916R1

CLIP, hydraulic brake pressure pipe, hydrostatic drive tractors

1шт.

42

362120R1

CLAMP,9.53mm ID, 10.32mm Bolt Hole, P Type

CLIP, hydraulic brake pressure pipe, gear drive tractors

1шт.

406726R91

PACKAGE, power brake piston housing, o-ring and seal service, consists of ref. nos. 3, 4, 5 and 6

1шт.

Выбрано товаров: 0