Запчасти Case IH 826 (12-02) - POWER, AIR CLEANER AND CONNECTIONS Power

Схема запчастей Case IH 826 - (12-02) - POWER, AIR CLEANER AND CONNECTIONS Power
22
19
14
8
23
18
11
24
27
20
17
13
15
10
12
29
26
12
5
1
20
3
14
15
16
5
4
11
7
6
21
25
2
28
24
13
9
FIT
1:1
100%

Артикул

Название

Примечание

Количество

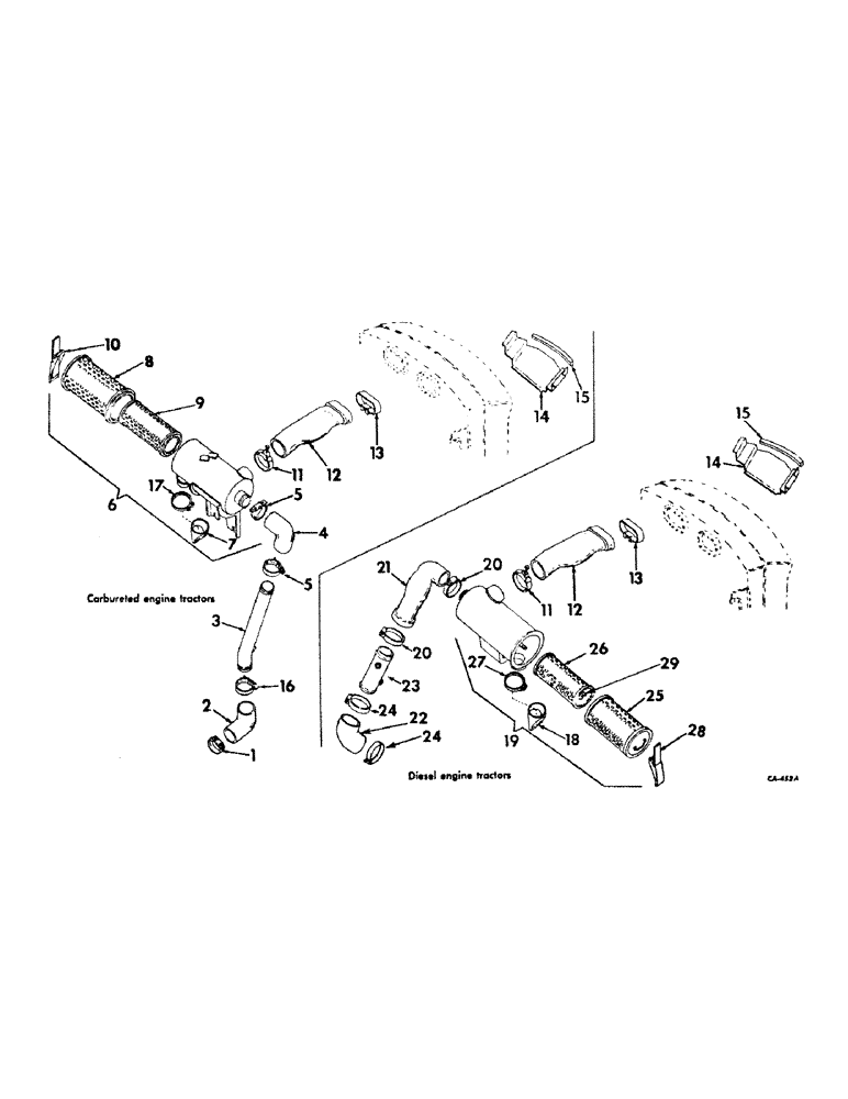
1

397256R1

HOSE CLAMP,#44, 2.31/3.25 Type F Worm, W/liner

CLAMP, air cleaner pipe hose

1шт.

2

382400R1

INTAKE AIR HOSE,2.25" ID, 2.50" ID, SAE 20R4, Class SC

Air Cleaner Pipe 2.25" ID, 2.50" ID, SAE 20R4, Class SC

1шт.

3

389910R21

TUBE ASSY, air, Serial Range: cleaner-carburetor

1шт.

4

306190R1

HOSE ASSY.

HOSE, air cleaner pipe

1шт.

5

397256R1

HOSE CLAMP,#44, 2.31/3.25 Type F Worm, W/liner

CLAMP, upper hose

2шт.

6

398518R92

CLEANER ASSY, air

1шт.

7

401265R1

LOCK VALVE

VALVE, dust unloader

1шт.

8

401269R1

AIR CLEANER

ELEMENT ASSY

1шт.

9

401267R1

AIR CLEANER

ELEMENT ASSY, safety

1шт.

10

401266R1

FASTENER

LEVER ASSY, element retaining

1шт.

11

357870R91

CLAMP

intake hose rear

1шт.

12

380035R2

INTAKE AIR HOSE,2.16" ID, 3.00" ID x 11.20"

Air Cleaner 2.16" ID, 3.00" ID x 11.20"

1шт.

13

380600R91

FASTENER

CLAMP, intake hose front

1шт.

14

396519R1

BAFFLE

pre-cleaner

1шт.

256873

BOLT,Hex Serr, 5/16" - 18 x 1/2", 5SPL, Full Thd

4шт.

15

528936R1

GASKET

SEAL, pre-cleaner baffle air

1шт.

16

397256R1

HOSE CLAMP,#44, 2.31/3.25 Type F Worm, W/liner

CLAMP, lower hose upper

1шт.

17

305406C91

CLAMP

ASSY, unloader valve

1шт.

18

383734R2

VALVE

dust unloader, Donaldson

1шт.

18

401265R1

LOCK VALVE

VALVE, dust unloader, Canadian filters

1шт.

19

406130R93

CLEANER ASSY, air

1шт.

179838

BOLT,Hex, 3/8" - 16 x 7/8", Gr 5, Full Thd

3/8-16 x 7/8 hex-hd cap

2шт.

16135DA

WASHER

13/32 x 1 x 4 ga., Donaldson only

1шт.

20

397257R1

HOSE CLAMP,#52, 2.81/3.75 Type F Worm, W/liner

CLAMP, outlet hose to air cleaner

2шт.

21

396536R1

INTAKE AIR HOSE,2.97" ID, 3.00" ID

Air Cleaner Outlet 2.97" ID, 3.00" ID

1шт.

22

400819R1

HOSE

intake manifold elbow

1шт.

23

406128R1

TUBE ASSY, air cleaner outlet

1шт.

24

397257R1

HOSE CLAMP,#52, 2.81/3.75 Type F Worm, W/liner

CLAMP, air manifold elbow hose

2шт.

25

529851R2

AIR FILTER

ELEMENT ASSY, primary, Donaldson

1шт.

25

401270R1

AIR CLEANER,Round, 4.37" ID x 6.62" OD x 15.12" L

ELEMENT ASSY, primary, Canadian filters

1шт.

26

529852R2

ELEMENT

ASSY, safety, Donaldson

1шт.

26

401268R1

AIR CLEANER

ELEMENT W/WING NUT ASSY, safety, Canadian filters

1шт.

27

305406C91

CLAMP

ASSY, unloader valve, Canadian filters

1шт.

28

530480R1

LATCH ASSY.

LEVER ASSY, element retaining, Donaldson

1шт.

28

401266R1

FASTENER

LEVER ASSY, element retaining, Canadian filters

1шт.

29

389264R91

BOLT (SPREADER),Wing, 3/8" - 16, W/ Wshr, Gasket

BOLT ASSY, safety element, Donaldson

1шт.

Выбрано товаров: 36