Запчасти Case IH HYDRO 100 (07-52) - DRIVE TRAIN, GEAR SHIFT MECHANISM, RANGE TRANSMISSION, GEAR DRIVE TRACTORS (04) - Drive Train

Схема запчастей Case IH HYDRO 100 - (07-52) - DRIVE TRAIN, GEAR SHIFT MECHANISM, RANGE TRANSMISSION, GEAR DRIVE TRACTORS (04) - Drive Train
15
2
26
21
28
1
5
22
22
23
8
3
6
24
17
13
3
16
27
20
4
14
7
19
12
10
9
11
9
7
25
18
FIT
1:1
100%

Артикул

Название

Примечание

Количество

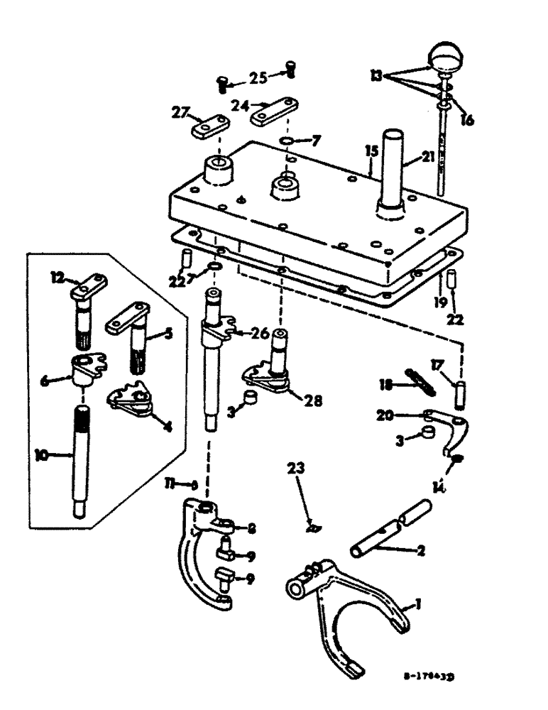
1

398279R2

FORK

hi-lo shift, also furnish pin, 104325C1 and ring, 378066R1

1шт.

2

398280R1

PIN

hi-lo shift fork, used with fork 398279R1 only

1шт.

20648R1

BOLT,5/16" x 7/8", Gr 8

SCREW, 5/16-18 x 7/8 hex-hd cap

1шт.

2

104325C1

PIN

hi-lo shift fork, used fork 398279R2

1шт.

378066R1

SNAP RING,#X74, .616" Dia, E-Type

Ring, Retaining, #X74, .616" Dia, E-Type

1шт.

3

380115R2

ROLLER

detent

2шт.

4

398285R2

ARM

ASSY, hi-lo operating, 766, Serial Range: -17046

1шт.

4

398285R2

ARM

ASSY, hi-lo operating, 966, Serial Range: -32221

1шт.

4

398285R2

ARM

ASSY, hi-lo operating, 1066, Serial Range: -57645

1шт.

4

398285R2

ARM

ASSY, hi-lo operating, 1466, Serial Range: -30000

1шт.

4

398285R2

ARM

ASSY, hi-lo operating, 1468 tractors

1шт.

591184R1

PIN,3/16" x 1 1/4", Coiled

1шт.

5

398281R3

SHAFT

ASSY, hi-lo shift, used w/arm assy, 398285R2

1шт.

6

528183R1

SECTOR

ASSY, reverse detent plate

1шт.

591184R1

PIN,3/16" x 1 1/4", Coiled

used w/shaft assy, 398291R3 3/16" x 1 1/4", Coiled

1шт.

7

379181R1

O-RING,0.614" ID x 0.07" Width

9/16 x 3/4 x 1/16

2шт.

8

380308R2

FORK

reverse shift

1шт.

9

380309R1

PAD

reverse shift fork

2шт.

19371R1

PIN,1/8" x 3/4", Coiled

2шт.

10

398297R1

SHAFT

reverse shift lower, 766, Serial Range: -17046

1шт.

10

398297R1

SHAFT

reverse shift lower, 966, Serial Range: -32221

1шт.

10

398297R1

SHAFT

reverse shift lower, 1066, Serial Range: -57645

1шт.

10

398297R1

SHAFT

reverse shift lower, 1466, Serial Range: -30000

1шт.

10

398297R1

SHAFT

reverse shift lower, 1468 tractors

1шт.

11

218217

KEY

3/16 x 5/8 woodruff 61

1шт.

12

398291R3

SHAFT

ASSY, reverse shift upper, 766, Serial Range: -17046

1шт.

12

398291R3

SHAFT

ASSY, reverse shift upper, 966, Serial Range: -32221

1шт.

12

398291R3

SHAFT

ASSY, reverse shift upper, 1066, Serial Range: -57645

1шт.

12

398291R3

SHAFT

ASSY, reverse shift upper, 1466, Serial Range: -30000

1шт.

12

398291R3

SHAFT

ASSY, reverse shift upper, 1468

1шт.

615168R1

WASHER

23/32 x 1-1/2 x 11 GA

1шт.

13

398311R92

GAUGE ASSY.

GAUGE ASSY, oil level, optional with 109009C91

1шт.

13

109009C91

GAUGE

ASSY, oil level, optional with 398311R92

1шт.

14

370290R1

SNAP RING,#50, .392" Dia, E-Type

Ring, Retaining, , shift control arm pivot pin #50, .392" Dia, E-Type

1шт.

15

398298R41

COVER

ASSY, rear frame front

1шт.

179847

BOLT,Hex, 3/8" - 16 x 2", Gr 5

10шт.

386194R1

PLUG,Cup, 3/4"

cup

1шт.

444612

PLUG

1/8-27 auto hex-hd pipe

1шт.

445084

PLUG

5/8-18 hex outside head filler and drain

1шт.

371544R1

O-RING,0.07" Thk x 0.551" ID, -15, Cl 5, 75 Duro

9/16 x 11/16 x 1/16

1шт.

16

350684R1

O-RING,0.139" Thk x 0.734" ID, -210, Cl 5, 75 Duro

3/4 x 1 x 1/8

2шт.

17

398299R1

PIN

shift control pivot

1шт.

18

398304R1

SPRING

shift control arm

1шт.

19

380315R1

GASKET

rear frame front cover

1шт.

20

398300R3

ARM

ASSY, shift control

2шт.

21

386450R1

GUIDE

oil level gauge

1шт.

22

19962R1

DOWEL,3/8" x 3/4"

PIN, 3/8 x 3/4 dowel

2шт.

23

538399R1

STOP

PLATE, lock

1шт.

24

71531C1

BAR

hi-lo shift lever, 766, Start Serial: 17047

1шт.

24

71531C1

BAR

hi-lo shift lever, 966, Start Serial: 32222

1шт.

24

71531C1

BAR

hi-lo shift lever, 1066, Start Serial: 57646

1шт.

24

71531C1

BAR

hi-lo shift lever, 1466, Start Serial: 30001

1шт.

25

71532C1

BOLT,Hex, 5/16" - 18 x 3/4", Gr 5

bar, 766, Start Serial: 17047

1шт.

25

71532C1

BOLT,Hex, 5/16" - 18 x 3/4", Gr 5

bar, 966, Start Serial: 32222

1шт.

25

71532C1

BOLT,Hex, 5/16" - 18 x 3/4", Gr 5

bar, 1066, Start Serial: 57646

1шт.

25

71532C1

BOLT,Hex, 5/16" - 18 x 3/4", Gr 5

bar, 1466, Start Serial: 30001

1шт.

120393

BEARING WASHER,5/16", SAE

WASHER, .344 x .688 x .051 znd

2шт.

26

71533C1

SHAFT ASSY.

SHAFT ASSY, reverse shift, 766, Start Serial: 17047

1шт.

26

71533C1

SHAFT ASSY.

SHAFT ASSY, reverse shift, 966, Start Serial: 32222

1шт.

26

71533C1

SHAFT ASSY.

SHAFT ASSY, reverse shift, 1066, Start Serial: 57646

1шт.

26

71533C1

SHAFT ASSY.

SHAFT ASSY, reverse shift, 1466, Start Serial: 30001

1шт.

27

71536C1

LEVER

BAR, reverse shift arm, 766, Start Serial: 17047

1шт.

27

71536C1

LEVER

BAR, reverse shift arm, 966, Start Serial: 32222

1шт.

27

71536C1

LEVER

BAR, reverse shift arm, 1066, Start Serial: 57646

1шт.

27

71536C1

LEVER

BAR, reverse shift arm, 1466, Start Serial: 30001

1шт.

28

71526C1

SHAFT

ASSY, hi-lo shift lever, 766, Start Serial: 17047

1шт.

28

71526C1

SHAFT

ASSY, hi-lo shift lever, 966, Start Serial: 32222

1шт.

28

71526C1

SHAFT

ASSY, hi-lo shift lever, 1066, Start Serial: 57646

1шт.

28

71526C1

SHAFT

ASSY, hi-lo shift lever, 1466, Start Serial: 30001

1шт.

Выбрано товаров: 0