Запчасти Case IH HYDRO 186 (13-19) - SUPERSTRUCTURE, REAR WINDOW WIPER (05) - SUPERSTRUCTURE

Схема запчастей Case IH HYDRO 186 - (13-19) - SUPERSTRUCTURE, REAR WINDOW WIPER (05) - SUPERSTRUCTURE
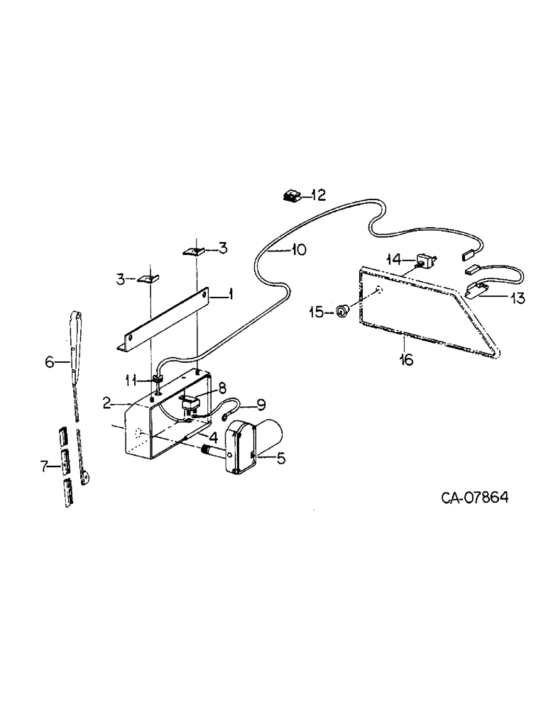
3
16
3
2
1
8
7
4
9
10
12
15
11
5
6
14
13
FIT
1:1
100%

Артикул

Название

Примечание

Количество

1250480C91

KIT

PARTS ACCESSORY, rear window wiper, consists of ref nos. 1 thru 15 plus instructions

1шт.

1

1250474C1

SUPPORT

wiper cover

1шт.

2

1250470C1

COVER

ASSY, wiper motor

1шт.

120375

NUT,Hex, 1/4" - 20, Gr 5

2шт.

492-11025

LOCK WASHER,1/4"

WASHER, LOCK, 1/4"

2шт.

3

1255751C1

CLAMP

CLIP, stiffener

2шт.

4

1250475C1

GASKET

GASKET, wiper motor

1шт.

5

391195R92

WIPER MOTOR

MOTOR ASSY, wiper, refer to rear window wiper motor this group for list of components

1шт.

188978

SCREW,Hex, #10 - 24 x 3/8"

no. 10 x 3/8 znp h/hd mach

1шт.

120361

NUT,Hex Mach Screw, #10 - 24

1шт.

178378

LOCK WASHER,Ext-Int Tooth, #10

WASHER, no. 10 ext-int tooth lock

1шт.

6

404242R1

ARM

wiper

1шт.

7

346909C1

WIPER

BLADE, wiper 16 in.

1шт.

8

1250481C1

BREAKER

circuit, 5 amp

1шт.

88542

BOLT,Hex, 1/4"-20 x 1/2", Gr 5

1/4 x 1/2 type 5

1шт.

120375

NUT,Hex, 1/4" - 20, Gr 5

1шт.

492-11025

LOCK WASHER,1/4"

WASHER, LOCK, 1/4"

1шт.

120614

NUT,Hex, #10 - 32

NUT, #10-32

2шт.

120217

LOCK WASHER,#10

WASHER, LOCK, #10

2шт.

9

1250482C1

CABLE

ASSY, circ brk to wiper motor

1шт.

10

1250483C1

CABLE

ASSY, switch to circ breaker

1шт.

11

117957

GROMMET,1/4" ID x 5/8" x .062"

1/4 x 5/8 x 5/16 N/C rub

1шт.

12

1255752C1

CLAMP

CLIP, cable

4шт.

13

1250484C1

CABLE

ASSY, Serial Range: power-switch

1шт.

14

1250485C1

SWITCH

rear wiper

1шт.

109311H

JAM NUT

7/16-28 hex face

1шт.

493-21046

LOCK WASHER,Int Tooth, 7/16"

7/16 int tooth lock

1шт.

15

111282C1

KNOB

wiper control

1шт.

16

PANEL, control trim, refer to tractor cab wiring group 8

1шт.

Выбрано товаров: 29