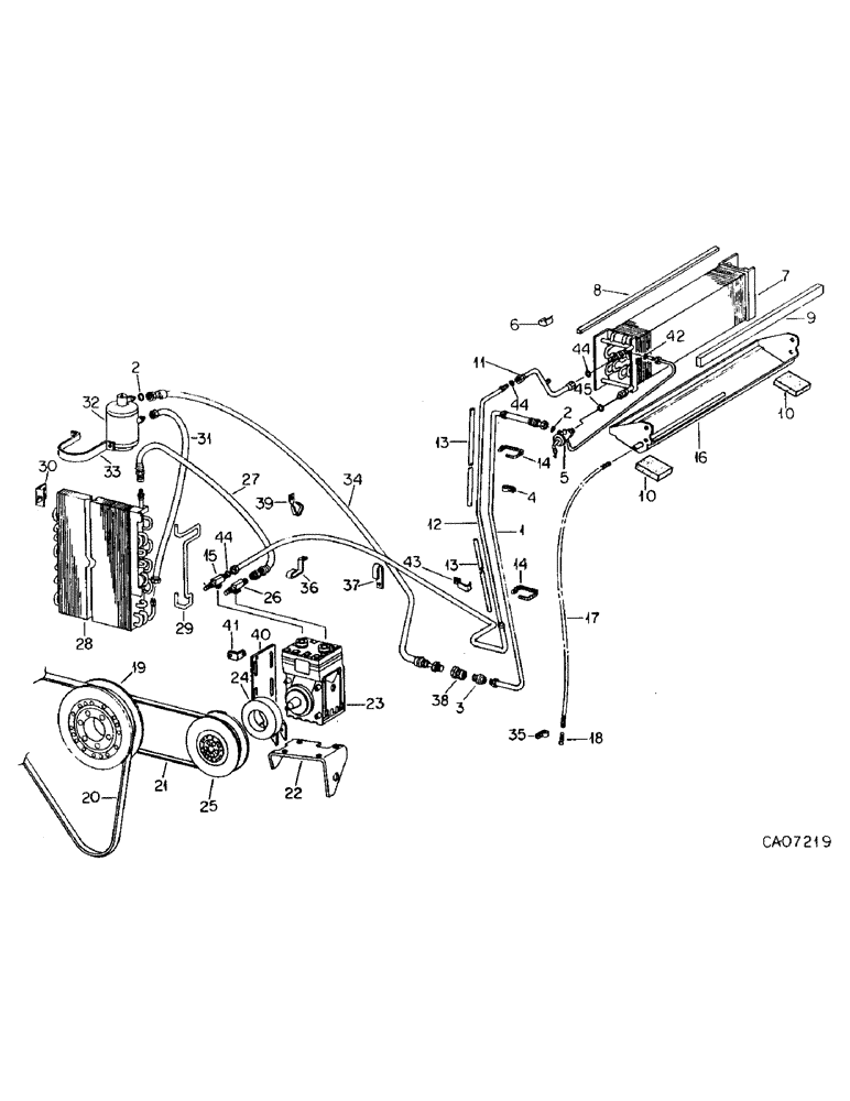
Запчасти Case IH HYDRO 186 (13-40) - SUPERSTRUCTURE, AIR CONDITIONER, H186 W/ SERIAL NO. 10592 & ABOVE, CAB W/ SERIAL NO. 107806 & BELOW (05) - SUPERSTRUCTURE

Схема запчастей Case IH HYDRO 186 - (13-40) - SUPERSTRUCTURE, AIR CONDITIONER, H186 W/ SERIAL NO. 10592 & ABOVE, CAB W/ SERIAL NO. 107806 & BELOW (05) - SUPERSTRUCTURE
34
25
7
33
17
24
13
15
22
11
5
42
10
36
20
29
30
14
18
44
10
26
35
21
16
37
1
23
12
45
8
44
9
19
6
14
44
28
41
32
39
2
13
27
31
40
2
3
43
4
38
FIT
1:1
100%

Артикул

Название

Примечание

Количество

1

118319C1

A/C HOSE,3 mm OD, 1124.9, 106.93 mm Length

TUBE ASSY, liquid, hose

1шт.

2

359158R1

O-RING,0.301" ID x 0.07" Width

O-RING, -011, 70 Duro, .031" ID x .070" Thk

2шт.

3

167869C1

FITTING

COUPLING, male refrig. half

1шт.

4

111610C1

CLAMP

CLAMP, plastic hose

2шт.

*

24392R1

HARDWARE,Cross Pan Hd, #10 x 1/2"

SCREW, no. 10-16 x 1/2 PHC P/HDCR tap

2шт.

*

118676

WASHER,0.22" ID x 0.5" OD x 0.05" Thk

WASHER, .219 x .500 x .036 PHC

2шт.

*

118461C1

COVER

COVER, molded rubber tip

2шт.

5

118305C3

VALVE

VALVE, expansion

1шт.

6

118444C1

CLAMP

CLAMP, expansion valve bulb

1шт.

7

118315C1

EVAPORATOR

CORE, evaporator

1шт.

*

24388R1

SELF-TAP SCREW,Cross Pan Hd, #10 x 3/8"

SCREW, SELF TAPPING, Cross Pan Hd, #10 x 3/8"

4шт.

8

117817C1

SEALING STRIP

STRIP, evaporator core seal

1шт.

9

117819C2

SEAL

SEAL, evaporator core

1шт.

10

118159C1

SEAL

SEAL, drain pan

2шт.

Cabs with serial no. 80086 and above.

1шт.

11

118324C1

TUBE,5 mm OD, 218.95 mm Length

TUBE ASSY, evaporator discharge

1шт.

*

TAPE, insulation, use 72 inch from bulk roll marked 118468C1, for wrapping ref. nos. 5 and 11

1шт.

12

118320C1

A/C HOSE

TUBE ASSY, suction

1шт.

13

143007C1

INSULATOR

INSULATION, suction tube

1шт.

14

111619C1

STRAP

STRAP, adjustable

2шт.

15

118328C91

VALVE, CONTROL

VALVE ASSY, service suction, service parts are

1шт.

*

118185C1

CAP ASSY.

CAP ASSY, valve stem

1шт.

*

118188C1

CAP

CAP

1шт.

16

111304C1

PAN ASSY.

PAN, evaporator drain

1шт.

*

24388R1

SELF-TAP SCREW,Cross Pan Hd, #10 x 3/8"

SCREW, SELF TAPPING, Cross Pan Hd, #10 x 3/8"

4шт.

17

HOSE, evaporator drain, use 75 inch from bulk roll marked 198091C1

2шт.

18

109239C2

CHECK VALVE

VALVE, CHECK, Evaporator drain

2шт.

19

537071R1

PULLEY

PULLEY, fan, water pump and compressor, 3 belt grooves

1шт.

20

537072R91

SET OF BELTS

V-matched dual, Fan drive

1шт.

21

874097C1

V-BELT,39.50" L

Compressor drive

1шт.

22

537073R5

BRACKET

BRACKET ASSY, compressor mtg

1шт.

*

26257R1

SET SCREW

SCREW, 3/8 x 3 znp sq/hd c/pt set

1шт.

*

120382

LOCK WASHER,Helical Spring, 3/8"

WASHER, LOCK, 3/8"

1шт.

*

124829

JAM NUT,Hex, 3/8" - 16, Gr 5

NUT, Jam, 3/8"-16, G5

1шт.

*

21741R1

WASHER

WASHER, .406 x .875 x .105

5шт.

*

180138

BOLT,Hex, 3/8" - 16 x 3", Gr 5

BOLT, 3/8 x 3 type 5

2шт.

*

189304

BOLT,Hex, 3/8" - 16 x 3 1/4", Gr 5

BOLT, 3/8 x 3-1/4 type 5

2шт.

*

120382

LOCK WASHER,Helical Spring, 3/8"

WASHER, LOCK, 3/8"

3шт.

*

120377

NUT,3/8" - 16, Gr 5

NUT, 3/8"-16, G5

3шт.

23

118250C91

COMPRESSOR

COMPRESSOR ASSY, air conditioner w/screen, replaces 117841C91, refer to compressor listing in this group for component parts

1шт.

23

1924006C2

REMAN-A/C COMPRESSOR

Reman For New PN 118250C91

1шт.

23

1924007C1

CORE-A/C COMPRESSOR

Return Number

1шт.

*

19571R1

BOLT,Hex, 3/8"-16 x 1 1/8", G2

BOLT, 3/8 x 1-1/8 type 1

4шт.

*

120382

LOCK WASHER,Helical Spring, 3/8"

WASHER, LOCK, 3/8"

4шт.

24

70833C1

SEAL

SEAL, foam dust

1шт.

25

143405C91

PULLEY

CLUTCH ASSY, compressor, 7.00 in., replaces 111631C91, only serviceable items are

1шт.

*

143406C1

PULLEY ASSY.

PULLEY

1шт.

*

28203R1

BOLT,Hex, 5/16" - 24 x 1 1/4", Gr 8

BOLT

1шт.

*

21496R1

WASHER

WASHER

1шт.

143407R1

COIL

1шт.

*

161108C1

BOLT,Hex Serr, 1/4" - 20 x 1/2"

BOLT

1шт.

*

221438H1

BEARING ASSY,29.99mm ID x 62mm OD x 26.99mm W

BEARING

4шт.

*

18778R1

SCREW,Hex, 3/8"-16 x 3/4", G2

BOLT, 3/8 x 3/4 type 1

2шт.

*

120382

LOCK WASHER,Helical Spring, 3/8"

WASHER, LOCK, 3/8"

2шт.

25

CLUTCH ASSY, compressor, 7.00 in., service parts for 111631C91 are

1шт.

*

117820C1

PULLEY

PULLEY

1шт.

*

117822C1

COIL

COIL

1шт.

*

221438H1

BEARING ASSY,29.99mm ID x 62mm OD x 26.99mm W

BEARING

4шт.

*

18778R1

SCREW,Hex, 3/8"-16 x 3/4", G2

BOLT, 3/8 x 3/4 type 1

1шт.

*

120382

LOCK WASHER,Helical Spring, 3/8"

WASHER, LOCK, 3/8"

1шт.

26

118329C91

LOCK VALVE

VALVE ASSY, service, discharge, service parts are

1шт.

*

118185C1

CAP ASSY.

CAP ASSY, valve stem

1шт.

*

118188C1

CAP

CAP

1шт.

27

118327C1

HOSE,10.32mm ID x 1295mm L

HOSE ASSY, compressor discharge

1шт.

28

118318C1

CONDENSER

CONDENSER, core

1шт.

29

(Not used this application)

1шт.

30

(Not used this application)

1шт.

31

118326C1

A/C HOSE,7.87mm ID x 889mm L

HOSE ASSY, condenser liquid

1шт.

32

118304C1

RESERVOIR

RECEIVER, dryer

1шт.

33

109448C1

FASTENER

CLAMP, receiver, dryer

1шт.

*

88574

BOLT,Hex, 5/16" - 18 x 1/2", Gr 5, Full Thd

BOLT, Hex, 5/16"-18 x 1/2", G5, Full Thd

2шт.

*

80681

LOCK WASHER,5/16"

WASHER, LOCK, 5/16"

2шт.

34

118325C1

HYDRAULIC HOSE

HOSE ASSY, receiver, evap. liquid

1шт.

35

118224C1

CLAMP

CLAMP, evap. drain hose

3шт.

36

394271R1

CLIP

CLIP, double hose 90 deg, Serial Range: -13068

1шт.

*

495967R1

CARRIAGE BOLT,Short NK, 3/8"-16 x 1", G5, Full Thd

BOLT, 3/8 x 1 crg type 5

1шт.

*

120382

LOCK WASHER,Helical Spring, 3/8"

WASHER, LOCK, 3/8"

1шт.

37

1250598C1

CLIP,ELECTRICAL

CLIP, refrig. hose, replaces 395467R2

1шт.

38

117771C1

COUPLING,1" - 20 NPT x 7/8" - 20 NPT

COUPLING, half female refrig.

1шт.

39

118246C1

CLAMP

CLAMP, hose

1шт.

40

(Not used this application)

1шт.

41

(Not used this application)

1шт.

42

360599R1

O-RING,0.07" Thk x 0.18" ID, -8, Cl 5, 75 Duro

O-RING, 3/16 x 5/16 class 5

1шт.

43

143325C1

CLAMP

CLAMP, closed tube

1шт.

*

492-11025

LOCK WASHER,1/4"

WASHER, LOCK, 1/4"

1шт.

*

120375

NUT,Hex, 1/4" - 20, Gr 5

NUT, 1/4"-20, G5

1шт.

44

371544R1

O-RING,0.07" Thk x 0.551" ID, -15, Cl 5, 75 Duro

O-RING, 9/16 x 11/16 class 5

3шт.

45

375271R1

O-RING,0.426" ID x 0.07" Width

O-RING, 7/16 x 9/16 class 5

1шт.

Выбрано товаров: 88