Запчасти Case IH HYDRO 186 (08-08) - ELECTRICAL, CRANKING MOTOR, DELCO REMY (06) - ELECTRICAL

Схема запчастей Case IH HYDRO 186 - (08-08) - ELECTRICAL, CRANKING MOTOR, DELCO REMY (06) - ELECTRICAL
43
31
2
21
35
13
19
6
39
6
14
12
34
11
10
8
45
42
17
20
24
5
25
7
36
22
44
15
38
30
28
23
9
1
29
3
48
46
27
47
37
4
32
41
16
33
40
26
17
18
49
FIT
1:1
100%

Артикул

Название

Примечание

Количество

1113440

MOTOR

MOTOR ASSY, cranking, 107369C91

1шт.

104253A1R

REMAN-STARTER

Remanufactured Starter 12 volt, 35MT inertia

1шт.

104253A1C

CORE-STARTER

Return Number, Starter 12 volt, 35MT inertia

1шт.

104254A1R

REMAN-STARTER

Remanufactured Starter 12 volt, 35MT inertia to ADDED TO MODEL - NO

1шт.

104254A1C

CORE-STARTER

Return Number, Starter 12 volt, 35MT inertia

1шт.

179840

BOLT,Hex, 3/8" - 16 x 1 1/8", Gr 5

SCREW, 3/8-16 x 1-1/8 hex-hd cap

3шт.

103321

LOCK WASHER,3/8"

WASHER, LOCK, 3/8"

3шт.

124829

JAM NUT,Hex, 3/8" - 16, Gr 5

NUT, Jam, 3/8"-16, G5

1шт.

180358

LOCK WASHER,Int Tooth, 3/8", Hvy

WASHER, 3/8 HV int, tooth lock

1шт.

120614

NUT,Hex, #10 - 32

NUT, #10-32

1шт.

120217

LOCK WASHER,#10

WASHER, LOCK, #10

1шт.

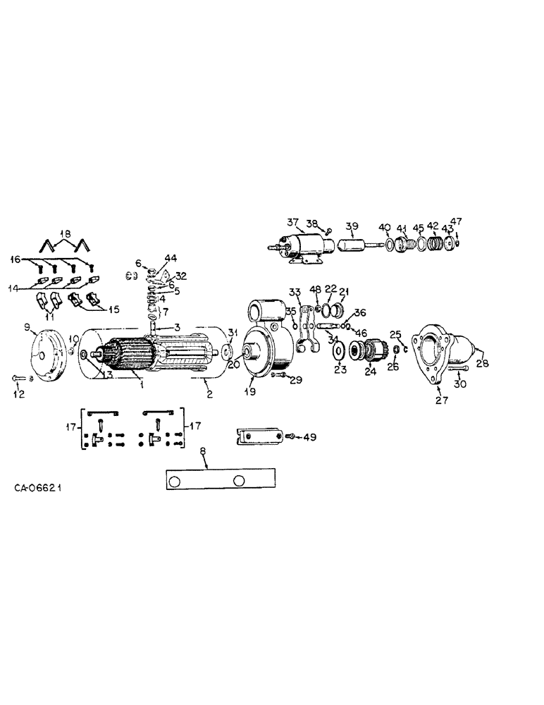
1

1852981

ARMATURE

ARMATURE

1шт.

2

800852

COIL ASSY.

SPARE PART COIL, field, 4 coils

1шт.

3

1950561

STUD

STUD, coil terminal

1шт.

4

1922457

WASHER

WASHER, coil terminal stud insulated

2шт.

5

1914647

WASHER

WASHER, coil terminal stud plain

1шт.

6

9414418

NUT

NUT, coil terminal stud

1шт.

7

1965472

PACKAGE

PACKAGE, coil terminal stud insulating bushing

1шт.

8

1868835

INSULATOR

INSULATION, field coil

2шт.

8

1971857

INSULATOR

INSULATION, field coil

1шт.

9

1892575

FRAME

FRAME, commutator end

1шт.

1891928

WICK

WICK, commutator end frame oil

1шт.

10

1950064

BUSHING

BUSHING, commutator end frame

1шт.

11

(Not used in this application)

1шт.

12

1924869

SCREW

SCREW, commutator end frame

4шт.

805790

WASHER

WASHER, commutator end frame terminal

1шт.

280136

NUT,3/8"-16, G8

NUT, , Commutator end frame 3/8"-16, G8

1шт.

13

1914842

WASHER

WASHER, commutator end frame wear

1шт.

14

1946484

BRUSH, COMMUTATOR

BRUSH BRUSH, commutator

4шт.

15

1851940

PLATE

PLATE, commutator brush

1шт.

16

453418

LOCK SCREW

SCREW, commutator brush holder

4шт.

17

1847807

SCREW

SCREW, w/lock washer, brush plate

2шт.

18

1971846

SPRING

SPRING, commutator brush

4шт.

19

1851986

HOUSING

SPARE PART HOUSING, brake lever

1шт.

1916439

WICK

WICK, brake lever housing oil

1шт.

20

1933999

BUSHING

BUSHING, brake lever housing

1шт.

21

1945356

PLUG

PLUG, brake lever housing and commutator end frame inspection

3шт.

22

1964857

GASKET

GASKET, inspection plug

3шт.

23

(Not used in this application)

1шт.

24

1877350

DRIVE

DRIVE, clutch motor

1шт.

25

1928022

SNAP RING

RING, pinion stop retainer

1шт.

26

1851546

COLLAR

COLLAR, pinion stop

1шт.

27

1880004

HOUSING

HOUSING, drive end

1шт.

1916439

WICK

WICK, drive end housing oil

1шт.

28

1955994

BUSHING

BUSHING, drive end housing

1шт.

29

1914869

SCREW

SCREW, lever housing

5шт.

30

1870513

SCREW

SCREW, drive end housing

6шт.

31

(Not used in this application)

1шт.

32

(Not used in this application)

1шт.

33

1851954

LEVER

LEVER, shift

1шт.

34

1851953

SHAFT

SHAFT, shift lever

1шт.

35

1894642

RING

O-RING, shift lever shaft 15/64

1шт.

36

1894643

O-RING

O-RING, shift lever shaft 1/2

1шт.

37

1115541

SWITCH

SWITCH, solenoid

1шт.

37

1115541GV

SOLENOID

SWITCH, solenoid

1шт.

38

440-1258

SCREW,Cross Pan Hd, 1/4"-20 x 1/2"

SCREW, and lockwasher, solenoid switch

4шт.

39

1841966

PLUNGER

PLUNGER, solenoid switch

1шт.

40

1948519

WASHER

WASHER, solenoid switch spring retainer

1шт.

41

801077

BOOT

BOOT, solenoid switch plunger

1шт.

42

1948521

SPRING

SPRING, plunger return

1шт.

43

1948526

RETAINER

RETAINER, plunger spring 13/32 hole

1шт.

44

(Not used in this application)

1шт.

45

1948520

RETAINER

RETAINER, plunger spring 1-13/64 hole

1шт.

46

9415235

RING, SNAP

RING SNAP RING, shift lever shaft pin snap

1шт.

47

9415235

RING, SNAP

RING SNAP RING, shift lever spring retainer snap

1шт.

48

1851995

NUT

NUT, plunger rod guide adj

1шт.

49

1968396

SCREW

SCREW, commutator pole shoe

8шт.

Выбрано товаров: 67