Запчасти Case IH HYDRO 186 (08-10) - ELECTRICAL, CRANKING MOTOR, LUCAS ELECTRICAL LTD (06) - ELECTRICAL

Схема запчастей Case IH HYDRO 186 - (08-10) - ELECTRICAL, CRANKING MOTOR, LUCAS ELECTRICAL LTD (06) - ELECTRICAL
14
4
1
14
9
3
5
14
11
3
13
10
10
15
14
13
8
12
6
10
13
13
7
2
FIT
1:1
100%

Артикул

Название

Примечание

Количество

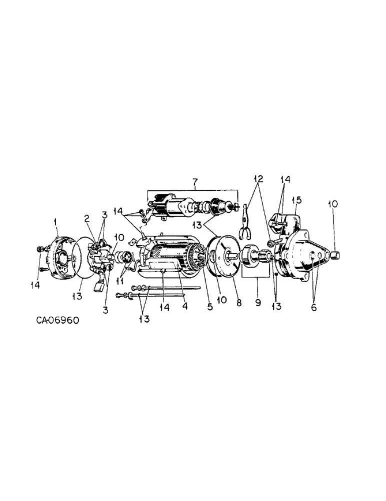
1

78982C1

BRACKET

ASSY, commutator end

1шт.

2

78983C91

PLATE

ASSY, brush box with brushes, includes ref no 3

1шт.

3

3206523R91

SPRING KIT

SPRING SET, brush

1шт.

4

78984C1

COIL

ASSY, field

1шт.

5

78985C1

ARMATURE

ASSY

1шт.

6

78986C1

PACKAGE

pinion stop collar and ring

1шт.

7

78987C1

SWITCH

SOLENOID AND PLUNGER ASSY

1шт.

8

78988C1

BRACKET

ASSY, intermediate

1шт.

9

78989C1

DRIVE

ASSY, motor

1шт.

10

3113029R91

BUSHING

PACKAGE, bushings

1шт.

11

3206531R91

BRAKE PACKAGE

PACKAGE, brake kit

1шт.

12

78990C1

PACKAGE

shift lever

1шт.

13

78991C1

PACKAGE

sealing rings and washers

1шт.

14

3206529R91

KIT

PACKAGE, screws and washers

1шт.

15

78993C1

HOUSING

drive end

1шт.

Выбрано товаров: 15