Запчасти Case IH HYDRO 186 (10-32) - HYDRAULIC, HYDRAULIC SEAT ATTACHMENT CONNECTIONS (07) - HYDRAULICS

Схема запчастей Case IH HYDRO 186 - (10-32) - HYDRAULIC, HYDRAULIC SEAT ATTACHMENT CONNECTIONS (07) - HYDRAULICS
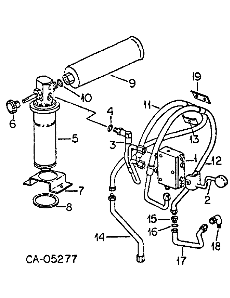
4
7
12
1
13
8
3
16
2
18
14
11
15
10
17
19
9
6
5
FIT
1:1
100%

Артикул

Название

Примечание

Количество

1

399088R92

VALVE

ASSY, hydraulic seat control, refer to hydraulic seat valve this group for list of components

1шт.

27480R1

CARRIAGE BOLT,5/16" x 2", Gr 5

BOLT, 5/16 x 2 sq-nk crg

2шт.

7770

NUT,Hex, 1/4 - 20, Cl 5

5/16-18 hex

2шт.

2

539584R2

LEVER

seat control valve

1шт.

52893H

CLEVIS PIN,3/8" x 1.781"

PIN, 3/8 x 25/32 rod end

1шт.

95-11041

WASHER,3/8"

1шт.

103373

COTTER PIN,3/32" x 3/4"

Pin, Split (Cotter), 3/32" x 3/4"

1шт.

3

399092R1

HYDRAULIC HOSE

ASSY, Serial Range: valve-cylinder

1шт.

4

364839R1

O-RING,0.078" Thk x 0.468" ID, -906, Cl 6, 90 Duro

6-1, 90 Duro, .468" ID x .078" Thk, 3/8 OD tube, class 6

1шт.

5

399093R98

CYLINDER

ASSY, ram hydraulic, refer to hydraulic cylinder this group for list of components

1шт.

6

399094R1

KNOB

seat ride control

1шт.

7

104227C2

BRACKET

seat cylinder mounting

1шт.

8

633090R1

WASHER

2.28 x 2.78 x .060 flat

1шт.

644771R1

SNAP RING,#225, Ext

Ring, Snap, #225, Ext

1шт.

88574

BOLT,Hex, 5/16" - 18 x 1/2", Gr 5, Full Thd

2шт.

90560H

CLEVIS PIN,1/2" x 2.766"

PIN, 1/2 x 2-1/2 headed

1шт.

103385

COTTER PIN,1/8" x 1"

PIN, SPLIT (COTTER), 1/8" x 1"

1шт.

9

399100R2

SHOCK ABSORBER

ABSORBER, hydraulic accumulator

1шт.

10

570828R1

O-RING,0.087" Thk x 0.644" ID, -908, Cl 6, 90 Duro

.644 x .087 thick

1шт.

11

104224C1

HOSE

ASSY, hydraulic seat pressure

1шт.

12

104225C1

HOSE

ASSY, hydraulic seat pump

1шт.

9403293

LOCK NUT,Blkhd, 9/16"-18

NUT, 3/8 tube bulkhead fitting

2шт.

13

384891R1

CLAMP

ASSY, hydraulic seat tubes

1шт.

95-11028

WASHER,1/4"

.281 x .625 x .065 flat

1шт.

86505867

BOLT,Hex, 1/4" - 20 x 1", Gr 5

1шт.

14

120401C1

HOSE

ASSY, lower hyd seat pressure

1шт.

15

76355

TEE,9/16" - 18 JIC x 9/16" - 18 JIC x 9/16" - 18 JIC

3/8 tube, 37 deg flared 3 way

1шт.

16

(Not used in this application)

1шт.

17

104477C1

HOSE

ASSY, lower hyd seat pump

1шт.

18

610082C1

HYD CONNECTOR,9/16"-18, 37 Degree x 1/8"-27, NPTF

CONNECTOR, 1/8-27 NPT x 9/16-18 str tube

1шт.

19

104226C1

ANGLE,4.5" Length

tube support

1шт.

180174

BOLT,Hex, 1/2" - 13 x 1 1/8", Gr 5

SCREW, 1/2-13 x 1-1/8 C-Z hex-hd cap

2шт.

120384

WASHER,1/2"

LOCK, 1/2"

2шт.

Выбрано товаров: 33