Запчасти Case IH HYDRO 186 (04-04) - BRAKES, POWER BRAKE VALVE (5.1) - BRAKES

Схема запчастей Case IH HYDRO 186 - (04-04) - BRAKES, POWER BRAKE VALVE (5.1) - BRAKES
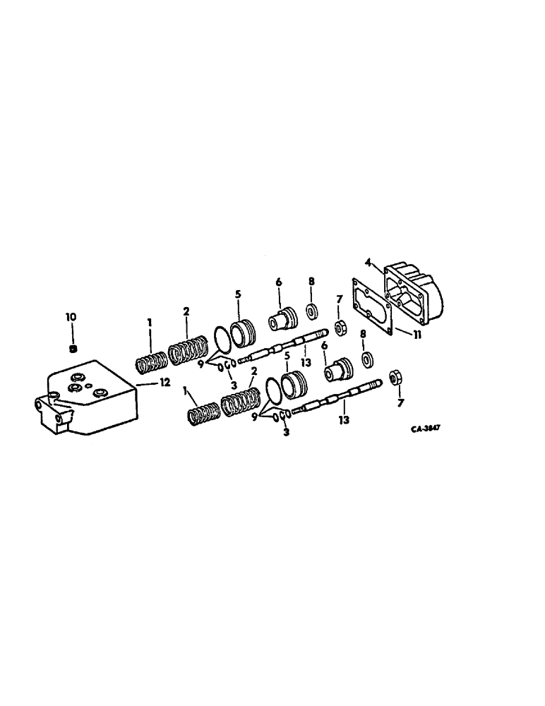
13
9
8
2
5
1
5
1
3
13
2
9
8
7
6
12
3
7
4
6
10
11
FIT
1:1
100%

Артикул

Название

Примечание

Количество

VALVE ASSY, hyd power brake, order power brake valve service package, 72807C93

1шт.

1

71707C1

SPRING

return

2шт.

2

71708C1

SPRING

large piston

2шт.

3

85633R1

RING

1/2 sq sect snap

2шт.

4

384495R1

CAP

body

1шт.

179796

BOLT,Hex, 1/4" - 20 x 7/8", Gr 5

SCREW, 1/2-20 x 7/8 hex-hd cap

6шт.

5

69156C2

PISTON

large

2шт.

6

69157C1

PISTON

small

2шт.

7

274637

PIN

1/2 CAD p/t lock type 1

2шт.

8

69158C1

WASHER,12.78mm ID x 25.4mm OD x 6.35mm Thk

piston

2шт.

9

71487C91

PACKAGE

brake valve o-ring and gasket service, consists of (1) gasket 384503R2, (4) o-ring (NSS), (2) o-ring (NSS), (2) o-ring (NSS), (4) o-ring 364839R1

1шт.

10

384501R1

PLATE

orifice

1шт.

11

384503R2

GASKET,0.38mm Thk

body cap

1шт.

12

BODY, power brake valve, not serviced separately order service package, 72807C93

1шт.

13

SPOOL, valve, not serviced separately order service package, 72807C93

2шт.

72807C93

VALVE

PACKAGE, hyd brake valve service, consists of valve assy, hyd brake (NSS), instructions (NSS)

1шт.

Выбрано товаров: 16