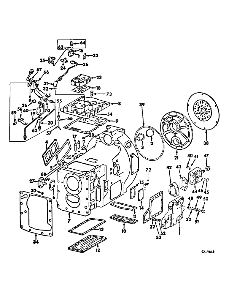
Запчасти Case IH HYDRO 186 (07-01) - DRIVE TRAIN, HYDROSTATIC HOUSING, COVERS, DRIVE PLATE, HYD. PUMPS, MULTIPLE CONTROL VALVE & CONNECT. (04) - Drive Train

Схема запчастей Case IH HYDRO 186 - (07-01) - DRIVE TRAIN, HYDROSTATIC HOUSING, COVERS, DRIVE PLATE, HYD. PUMPS, MULTIPLE CONTROL VALVE & CONNECT. (04) - Drive Train
9
22
23
11
6
65
32
20
53
15
5
41
56
2
24
66
55
57
40
54
21
63
7
73
38
28
45
34
13
59
47
30
9
14
71
43
52
17
19
67
46
51
10
25
68
58
18
4
39
70
49
33
60
29
44
37
3
35
31
64
48
62
72
1
50
36
42
26
12
32
27
16
8
FIT
1:1
100%

Артикул

Название

Примечание

Количество

1

VALVE ASSY, multiple control, for components see list of parts under details of multiple control valve listing, this group

1шт.

179845

BOLT,Hex, 3/8" - 16 x 1 3/4", Gr 5

SCREW, 3/8-16 x 1-3/4 hex-hd cap

5шт.

186277

BOLT,Hex, 3/8" - 16 x 2 3/8", Gr 5

SCREW, 3/8-16 x 2-3/8 hex-hd cap

11шт.

179849

BOLT,Hex, 3/8" - 16 x 2 1/2", Gr 5

2шт.

2

104402C1

COVER

engine timing pointer

1шт.

179791

BOLT,Hex, 1/4" - 20 x 1/2", Gr 5

2шт.

103319

LOCK WASHER,1/4"

WASHER, LOCK, 1/4"

2шт.

3

120027C1

POINTER

engine timing

1шт.

4

396041R3

BLOCK ASSY.

BLOCK, left side cover

1шт.

NLS

NO LONGER SERVICED

6шт.

116103

COPPER WASHER,10.31mm ID x 20.63mm OD x 1.65mm Thk

WASHER, 3/8 copper

5шт.

5

396042R1

GASKET

left side cover block

1шт.

6

396796R1

GASKET

cam pivot shaft housing

1шт.

7

71492C93

HOUSING

ASSY, drive, composed of (1) bushing 396024R1, (1) housing (NSS), (1) seat 381611R1

1шт.

19904R1

DOWEL,1/2" x 1"

PIN, 1/2 x 1 dowel

2шт.

20975R1

DRAIN PLUG,Sq Soc, 1 1/4"-11 1/2, NTPF

PLUG, 1-1/4 sq-soc-hd pipe, drive housing

2шт.

179893

BOLT,Hex, 1/2" - 13 x 3", Gr 5

SCREW, 1/2-13 x 3 hex-hd cap

2шт.

24875R1

BOLT,Hex, 5/8" - 11 x 2", Gr 8

2шт.

24877R1

BOLT,Hex, 5/8" - 11 x 2 1/2", Gr 8

6шт.

26166R1

12 PT SCREW,Flg, 5/8" - 11 x 2 1/4"

SCREW, 5/8 x 2.250 PHC type 8 12 pt flg

2шт.

103323

LOCK WASHER,1/2"

WASHER, LOCK, 1/2"

2шт.

25711R1

WASHER

.656 x 1.312 x .150

10шт.

1017954R1

PLUG,Cap, .485" OD

lift hole clear

2шт.

104940

PLUG

no. 4 cork

4шт.

104941

PLUG

no. 5 cork

1шт.

8

532325R1

COVER

drive housing top

1шт.

375362R1

PIN,12.69mm OD x 34.8mm L

1/2 x 1-3/8 dowel

1шт.

217-430

PLUG,Hex Soc, 1/8" - 27 NPTF

1/8-27 auto. hex-hd pipe

1шт.

179840

BOLT,Hex, 3/8" - 16 x 1 1/8", Gr 5

SCREW, 3/8-16 x 1-1/8 hex-hd cap

6шт.

179844

BOLT,Hex, 3/8" - 16 x 1 5/8", Gr 5

SCREW, 3/8-16 x 1-5/8 hex-hd cap

1шт.

179846

LEVER

3шт.

179847

BOLT,Hex, 3/8" - 16 x 2", Gr 5

2шт.

9

406495R2

GASKET

drive housing top

1шт.

10

406497R1

COVER

bottom front

1шт.

445686

PLUG

3/8-18 auto. sq-hd pipe

1шт.

179838

BOLT,Hex, 3/8" - 16 x 7/8", Gr 5, Full Thd

3/8-16 x 7/8 hex-hd cap

10шт.

11

406498R1

GASKET

bottom front

1шт.

12

406499R2

COVER ASSY

COVER, bottom rear

1шт.

445686

PLUG

3/8-18 auto. sq-hd pipe

1шт.

20953R1

DRAIN PLUG,Sq Hd, 1 1/4"-11 1/2 NPTF

PLUG, 1-1/4-11-1/2 auto. sq-hd pipe

1шт.

179838

BOLT,Hex, 3/8" - 16 x 7/8", Gr 5, Full Thd

3/8-16 x 7/8 hex-hd cap

15шт.

13

406500R1

GASKET

bottom rear cover

1шт.

14

406501R1

COVER

right side

1шт.

179835

BOLT,Hex, 3/8" - 16 x 5/8", Gr 5, Full Thd

3шт.

179837

BOLT,Hex, 3/8" - 16 x 3/4", Gr 5

1шт.

15

406502R1

GASKET

right side cover

1шт.

16

68230C1

BLOCK

ASSY, lub

1шт.

179814

SPACER

2шт.

17

406546R1

UNION

7/16-20 37 deg bulk head, tube to drive housing

2шт.

18

406548R1

GASKET

multi-valve body

1шт.

19

104454C2

TUBE,0.5" OD, 1494.348 mm Length

ASSY, power steering return

1шт.

20

104750C1

TUBE

ASSY, power steering pressure

1шт.

21

406649R1

COVER

front brg support

1шт.

179883

BOLT,Hex, 1/2" - 13 x 1 1/4", Gr 5

8шт.

22

406716R2

GASKET

multiple control valve, heavy

1шт.

22

406717R2

GASKET

multiple control valve, light

1шт.

23

BODY ASSY, multiple valve, for components see list of parts under details of multiple valve body listing, this group

1шт.

179848

BOLT,Hex, 3/8" - 16 x 2 1/4", Gr 5

5шт.

179849

BOLT,Hex, 3/8" - 16 x 2 1/2", Gr 5

2шт.

24

532321R1

CROSS

lubrication

1шт.

25

68233C1

TUBE

ASSY, lub, front section

1шт.

26

529396R1

TUBE

ASSY, lub, rear section

1шт.

27

123059C91

HUB CAP

HUB ASSY, cam pivot shaft

1шт.

19969R1

DOWEL,3/4" x 2 1/4"

PIN, 3/4 x 2-1/4 dowel

1шт.

179818

BOLT,Hex, 5/16" - 18 x 1", Gr 5

2шт.

382331R1

SEALING WASHER,8.33mm ID x 12.7mm OD x 0.79mm Thk

sealing

2шт.

28

376022R91

OIL SEAL

SEAL, oil

1шт.

29

396024R1

BUSHING,12.72mm ID x 19.11mm OD x 38.1mm L

cam actuating rod

1шт.

30

381611R1

SEAT

valve

1шт.

31

9410978

ELBOW,90 Degree, 7/8"-14, 37 Degree x 7/8"-14, O-Ring

7/8-14 37 deg hyd flared tube adj std thd 90 deg

1шт.

32

364885R1

O-RING,0.097" Thk x 0.755" ID, -910, Cl 6, 90 Duro

3/4 x 15/16 x 3/32

2шт.

33

406506R1

GASKET

lub block

1шт.

34

406507R2

GASKET

drive housing to rear frame

1шт.

35

369384R1

O-RING,0.072" Thk x 0.414" ID, -905, Cl 6, 90 Duro

5-1, 90 Duro, .414" ID x .072" Thk, 5/16 OD tube

2шт.

36

(Not used in this application)

1шт.

37

(Not used in this application)

1шт.

38

69298C92

STRIPPER PACKAGE

PACKAGE, drive plate service, includes plate assy, six screws, 27876R1 & 6 washers, 406579R1 installing instructions, 1084272R1 and lubricant (NSS), 531321R1 (NSS)

1шт.

Item 38, 69298C92 drive plate package has a service bulletin related to the part the bulletin # is S-3484. SR of the TSG 6/11/99

1шт.

321964R1

BOLT

SCREW, w/ nylon pellet insert, 1/2-14 x 7/8 hex-hd cap

6шт.

406579R1

WASHER

17/32 x 7/8 x 16 ga

6шт.

39

23072R1

O-RING,11.975" ID x 12.525" OD x 0.275"

12 x 12-1/2 x 1/4

1шт.

40

406712R1

TUBE

ASSY, pump suction

1шт.

41

252483R1

O-RING,-218, 70 Duro, 1.234" ID x .139" Thk

1-1/4 x 1-1/2 x 1/8 pump suction port

1шт.

42

378866R94

PUMP, HYDRAULIC

PUMP ASSY, hydraulic gear, 4.5 GPM, cessna, only serviceable item is

1шт.

42

1949294C1

REMAN-HYD PUMP

Remanufactured Hydraulic Pump

1шт.

42

1949295C1

CORE-HYDRAULIC PUMP

Return Number, Hydraulic Pump

1шт.

71911C1

SEAL KIT

PACKAGE, hydraulic pump o-ring and gasket service

1шт.

179848

BOLT,Hex, 3/8" - 16 x 2 1/4", Gr 5

4шт.

43

371543R2

GASKET

hydraulic pump

1шт.

44

70933C91

PUMP, HYDRAULIC

PUMP ASSY, hydraulic gear, 12 GPM, cessna pump, H186, for components see list of parts under details of hydraulic pump listing, group 10, Serial Range: -11999

1шт.

44

1949296C1

REMAN-HYD PUMP

Hydro 186 InternationaL Diesel Tractor, Pump Assy., Serial Range: -11999 (1/72-12/77)

1шт.

44

1949297C1

CORE-HYDRAULIC PUMP

Return Number

1шт.

44

70935C91

PUMP, HYDRAULIC

PUMP ASSY, hydraulic gear, 17 GPM, cessna pump, H186, for components see list of parts under details of hydraulic pump listing, group 10, Start Serial: 12000

1шт.

44

1949292C1

REMAN-HYD PUMP

Hydro 186 InternationaL Diesel Tractor, Pump Assy., (1/72-12/78)

1шт.

44

1949293C1

CORE-HYDRAULIC PUMP

Return Number

1шт.

179861

BOLT,Hex, 7/16" - 14 x 1 3/8", Gr 5

SCREW, 7/16-14 x 1-3/8 hex-hd cap

2шт.

179864

BOLT,Hex, 7/16" - 14 x 1 3/4", Gr 5

SCREW, 7/16-14 x 1-3/4 hex-hd cap

2шт.

52999D

WASHER

WASHER, pump mounting bolt sealing

4шт.

45

254691R1

O-RING,-211, 70 Duro, .796" ID x .139" Thk

13/16 x 1-1/16 x 1/8, pump pressure port large

1шт.

46

352221R1

O-RING,0.103" Thk x 0.549" ID, -113, Cl 5, 75 Duro

9/16 x 3/4 x 3/32, pump pressure port small

1шт.

47

406714R1

GEAR WHEEL

GEAR, hydraulic pump drive, 22T nut, 5/8-18 znp nylon insert

1шт.

48

406718R1

SCREEN

ASSY, strainer

1шт.

49

406721R1

UNION

PLUG, strainer

1шт.

50

9410356

PLUG

7/16-20 str thd o-ring boss

1шт.

51

369751R1

O-RING,0.072" Thk x 0.351" ID, -904, Cl 6, 90 Duro

4-1, 90 Duro, .351" ID x .072" Thk

1шт.

52

531542R1

VALVE SPRING

SPRING, power steering return check valve

1шт.

53

354057R2

VALVE

power steering return check

1шт.

54

9410360

PLUG

7/8-14 str thd o-ring boss

1шт.

364885R1

O-RING,0.097" Thk x 0.755" ID, -910, Cl 6, 90 Duro

3/4 x 15/16 x 3/32

1шт.

55

157221

CONNECTOR, threaded sleeve

1шт.

56

114963

SLEEVE, small hex, threaded

1шт.

57

406496R1

TUBE

motor lubrication

1шт.

58

(Not used in this application)

1шт.

59

(Not used in this application)

1шт.

60

(Not used in this application)

1шт.

61

(Not used in this application)

1шт.

62

(Not used in this application)

1шт.

63

364839R1

O-RING,0.078" Thk x 0.468" ID, -906, Cl 6, 90 Duro

6-1, 90 Duro, .468" ID x .078" Thk

1шт.

64

9410202

HYD CONNECTOR,9/16"-18, 37 Degree x 9/16"-18, O-Ring

UNION, 9/16-18 37 deg hyd flared tube short swivel

1шт.

65

364839R1

O-RING,0.078" Thk x 0.468" ID, -906, Cl 6, 90 Duro

6-1, 90 Duro, .468" ID x .078" Thk

1шт.

66

9410976

ELBOW,90 Degree, 9/16"-18, 37 Degree x 9/16"-18, O-Ring

9/16-18 37 deg hyd flared tube adj str thd 90 deg

1шт.

67

532322R2

TUBE

ASSY, pump lubrication

1шт.

68

4016508R1

PLUG, hollow hex

1шт.

69

307915R1

O-RING,0.118" Thk x 1.475" ID, -920, Cl 6, 90 Duro

1-15/32 x 1-11/16 x 7/64

1шт.

70

(Not used in this application)

1шт.

71

(Not used in this application)

1шт.

72

67741C1

BRACKET

tube clip

1шт.

73

539106R1

STRAINER ASSY.

STRAINER, suction line

1шт.

Выбрано товаров: 128