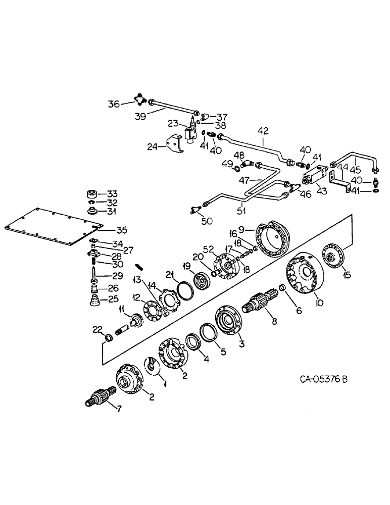
Запчасти Case IH HYDRO 186 (07-29) - DRIVE TRAIN, DIFFERENTIAL LOCK, TRACTOR WITH SERIAL NO. 10011 AND BELOW (04) - Drive Train

Схема запчастей Case IH HYDRO 186 - (07-29) - DRIVE TRAIN, DIFFERENTIAL LOCK, TRACTOR WITH SERIAL NO. 10011 AND BELOW (04) - Drive Train
20
3
44
38
24
21
11
7
4
13
9
37
41
40
26
41
52
16
40
30
19
5
27
18
50
10
34
22
49
2
33
36
23
1
45
42
39
25
47
46
2
18
8
12
29
15
35
32
40
6
48
31
41
28
17
51
43
14
FIT
1:1
100%

Артикул

Название

Примечание

Количество

1

529022R2

GEAR

differential bevel RH, 28T

1шт.

2

534524R92

CASE

ASSY, differential

1шт.

55972DA

BOLT,1/2" - 20 x 4 1/2"

12шт.

381368R1

NUT,Hex, 1/2" - 20, Gr 8

12шт.

3

68684C1

RETAINER

differential bearing RH

1шт.

4

ST2104

BEARING ASSY

RH roller cone

1шт.

5

ST986

TAPERED BEARING,133.35mm OD x 22.28mm W

BEARING, RH roller cup

1шт.

6

283375R91

NEEDLE BEARING

ASSY, needle

1шт.

7

104704C1

SHAFT

bull pinion and brake LH

1шт.

8

104702C1

SHAFT

bull pinion and brake RH

1шт.

9

104667C1

COVER

differential lock

1шт.

10

104668C2

HOUSING

RH brake differential lock

1шт.

104706C1

BOLT

BOLT, differential lock cover

4шт.

413-1064

BOLT,Hex, 5/8" - 11 x 4", Gr 5

SCREW, 5/8-11 x 4.9 hex-hd cap, Course Threads

2шт.

11

104669C1

SHAFT

inner

1шт.

12

71914C92

PACKAGE

differential lock service, also furnish a tube of loctite, 474517C2, conists of (6) disc (NSS), (7) plate (NSS), (1) o-ring 350818R1, (1) o-ring 22412R1, (2) o-ring 355966R1, (1) washer 104673C1

1шт.

13

104670C1

BUSHING

diff lock stop, spacer

3шт.

14

104705C1

PLATE

diff lock clutch primary

1шт.

15

104671C91

HOUSING

ASSY, piston, consists of housing (NSS), carrier, ref 52, (NSS)

1шт.

20040R1

DOWEL,1/4" x 3/4"

PIN, 1/4 x .750 pln hon dowel

2шт.

9409954

PLUG,Hex Soc, 1/16"-27

1/16-27 pln hex/skt auto pipe

1шт.

702222

SUPPORT

SCREW, 1/4-20 X 2-1/4 hex-hd cap

6шт.

16

104673C1

THRUST WASHER

thrust

1шт.

17

104714C1

SPOOL

diff lock feed

1шт.

18

355966R1

O-RING,0.424" ID x 0.103" Width

7/16 x 5/8 x 3/32

2шт.

19

104674C1

PISTON

diff lock

1шт.

20

350818R1

O-RING,0.984" ID x 0.139" Width

1 x 1-1/4 x 1/8

1шт.

21

22412R1

O-RING,0.139" Thk x 4.734" ID, -248, Cl 5, 75 Duro

-248, 70 Duro, 4.734" ID x .139" Thk

1шт.

22

269916R1

SNAP RING,#212, Ext

Ring, Snap, #212, Ext

1шт.

23

65416C92

LOCK VALVE

VALVE ASSY, diff lock, for list of components refer to differential lock valve this group

1шт.

24

104583C1

SUPPORT, diff lock valve mounting

1шт.

26309R1

BOLT,Hex, 3/8" - 16 x 3/4", Gr 8

3/8 x 3/4 PHC p/t type 8

2шт.

186295

BOLT,Hex, 1/2" - 13 x 5 1/2", Gr 5

SCREW, 1/2-14 x 5-1/2 hex-hd cap

1шт.

103323

LOCK WASHER,1/2"

WASHER, LOCK, 1/2"

1шт.

102637

NUT,1/2"-13, G5

1шт.

25

393071R2

BELLOWS

BOOT, diff lock valve dust

1шт.

26

104584C1

PLUG

diff lock pedal, insulator

1шт.

27

104802C1

GUIDE

ASSY, diff lock rod

1шт.

28

376941R1

BUSHING

diff lock rod guide

1шт.

179837

BOLT,Hex, 3/8" - 16 x 3/4", Gr 5

2шт.

29

104586C1

AXLE PIN

PIN ASSY, diff lock pedal, rod

1шт.

30

(Not used in this application)

1шт.

31

529042R1

SPACER

RETAINER, pedal pad

1шт.

32

384561R1

SNAP RING,#40, Ext

Ring, Snap, #40, Ext

1шт.

33

529043R1

PAD

diff lock pedal

1шт.

34

104590C1

STRIP, platform air, seal

1шт.

35

104591C1

PLATFORM

PLATE, sub-frame platform, cover

1шт.

36

22368R1

CROSS

3/8 tube 37 deg hyd flared, tractor w/hyd seat att

1шт.

36

76355

TEE,9/16" - 18 JIC x 9/16" - 18 JIC x 9/16" - 18 JIC

3/8 tube 37 deg hyd flared, tractor w/o hyd seat

1шт.

37

164596C1

ELBOW

foot and inch valve

1шт.

39

104820C1

TUBE ASSY, diff lock valve supply

1шт.

40

9410200

HYD CONNECTOR,7/16" - 20 JIC x 7/16" - 20 ORB

CONNECTOR, 7/16-20 37 deg hyd flared tube short swivel

3шт.

42

104771C1

TUBE ASSY, diff valve to reducing valve

1шт.

43

534750R92

VALVE

ASSY, pressure reducing, refer to pressure reducing valve this group for list of components

1шт.

88574

BOLT,Hex, 5/16" - 18 x 1/2", Gr 5, Full Thd

SCREW, 5/16-18 x 1/2 hex-hd cap

2шт.

44

104592C2

SUPPORT

reducing valve mtg

1шт.

179875

BOLT,Hex, 1/2" - 13 x 1/2", Gr 5

SCREW, 1/2-13 x 1/2 hex-hd cap

2шт.

45

104767C1

HYD TUBE

TUBE ASSY, diff lock pressure

1шт.

46

9410322

TEE, 9/16-18 x 3/8 tube 37 deg hyd swivel

1шт.

47

120074C1

TUBE ASSY, reducing valve to diff valve

1шт.

48

9410976

ELBOW,90 Degree, 9/16"-18, 37 Degree x 9/16"-18, O-Ring

9/16-18 x 3/8 tube 37 deg hyd

1шт.

49

364839R1

O-RING,0.078" Thk x 0.468" ID, -906, Cl 6, 90 Duro

6-1, 90 Duro, .468" ID x .078" Thk, 3/8 OD tube

1шт.

50

120286C1

TEE

1/4-18 37 deg hyd flared tube 90 deg two way

1шт.

51

104768C1

HYD TUBE

TUBE ASSY, diff lock pump

1шт.

52

CARRIER, serviced as part of ref no. 15

1шт.

38

369384R1

O-RING,0.072" Thk x 0.414" ID, -905, Cl 6, 90 Duro

5-1, 90 Duro, .414" ID x .072" Thk, 5/16 OD tube

1шт.

41

369751R1

O-RING,0.072" Thk x 0.351" ID, -904, Cl 6, 90 Duro

4-1, 90 Duro, .351" ID x .072" Thk, 1/4 OD tube

3шт.

Выбрано товаров: 0