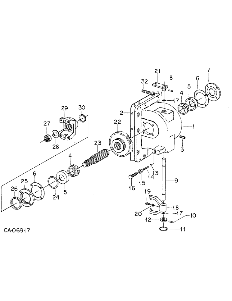
Запчасти Case IH HYDRO 186 (07-51) - DRIVE TRAIN, TRANSFER CASE, ELWOOD ALL WHEEL DRIVE, SERIAL NO. 11080 AND ABOVE (04) - Drive Train

Схема запчастей Case IH HYDRO 186 - (07-51) - DRIVE TRAIN, TRANSFER CASE, ELWOOD ALL WHEEL DRIVE, SERIAL NO. 11080 AND ABOVE (04) - Drive Train
17
19
28
32
14
21
25
22
2
18
16
20
10
13
11
5
8
15
1
4
24
3
5
6
9
17
4
31
23
6
30
29
27
26
12
7
FIT
1:1
100%

Артикул

Название

Примечание

Количество

1

148717C1

HOUSING

transfer case, 32T

1шт.

208100H1

CAPSCREW,Flange, 1/2" x 1.25", Alloy Steel

SCREW, 1/2 x 1/250 pln type 8 12 PT flg

7шт.

20024R1

PIN

3/8 x 1.000 pln hdn dowel

2шт.

2

385757R2

GASKET

housing

1шт.

3

148731C1

SCREW,Csk, 1/2" - 13 x 1 1/4", Gr 8

special cap

1шт.

4

148723C91

ROLLER BEARING,1.3775" ID x 2.8351" OD x 0.6704"

cone

1шт.

5

148722C1

BEARING CUP,72.01mm OD x 14.29mm W

cup

2шт.

6

148720C1

GASKET

1шт.

7

148719C1

CAP

1шт.

179816

BOLT,Hex, 5/16" - 18 x 3/4", Gr 5

4шт.

148769C1

COPPER WASHER

copper

4шт.

8

17175R1

LOCK PIN,3/16" x 1", Slotted

PIN, 3/16" x 1", Slotted

1шт.

9

148803C1

SHAFT

shift

1шт.

10

553686R1

LOCK PIN,3/16" x 1 1/2", Slotted

Pin, 3/16" x 1 1/2", Slotted

1шт.

11

148809C1

PLUG

freeze

1шт.

12

148808C1

LOCK ASSY

LOCK, shift

1шт.

13

17014R1

BALL

7/16 steel

1шт.

14

148806C1

VALVE SPRING

SPRING, detent

1шт.

15

114506

NUT

9/16-12 pln jam

1шт.

16

148807C1

BOLT,Hex, 9/16" - 12 x 2.50"

adjustment

1шт.

17

3067183R1

O-RING,0.103" Thk x 0.424" ID, -11, Cl 6, 90 Duro

7/16 ID x 3/32 class 6

2шт.

18

148805C1

FORK TEDDER

FORK, shifter

1шт.

19

84983

SET SCREW,3/8" x 1"

SCREW, 3/8-16 x 1 set

1шт.

20

21070R1

NUT,3/8"-16, G8

3/8-16 pln hex

1шт.

21

148804C1

LEVER

shift, 32 T case assy

1шт.

22

148718C1

GEAR WHEEL

GEAR, 32T

1шт.

23

148724C1

SHAFT

trans, case output

1шт.

24

148726C1

SHIM

.005 (or as required)

1шт.

24

1251600C1

SHIM

.020 (or as required)

1шт.

24

148725C1

SHIM

.010 (or as required)

1шт.

24

1251601C1

SHIM

.030 (or as required)

1шт.

25

148733C1

RETAINER

seal

1шт.

179818

BOLT,Hex, 5/16" - 18 x 1", Gr 5

4шт.

148769C1

COPPER WASHER

copper

4шт.

26

1251590C1

SEAL

SEAL

1шт.

27

148761C1

NUT

lock

1шт.

28

148760C1

WASHER

1шт.

29

148734C1

YOKE

end

1шт.

30

148759C1

SPACER

1шт.

31

114496

HOURMETER,Jam, 1/2"-20, G5

NUT, 1/2-NF pln jam type 5

1шт.

32

148802C1

STUD

1шт.

Выбрано товаров: 41