Запчасти Case IH HYDRO 70 (12-02) - POWER, AIR CLEANER AND CONNECTIONS, DIESEL Power

Схема запчастей Case IH HYDRO 70 - (12-02) - POWER, AIR CLEANER AND CONNECTIONS, DIESEL Power
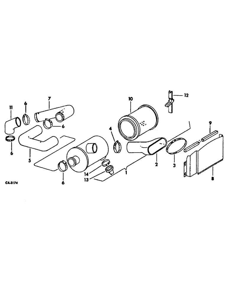
6
12
6
14
7
2
10
13
5
6
3
6
1
9
4
8
11
FIT
1:1
100%

Артикул

Название

Примечание

Количество

1

65956C91

CLEANER

ASSY, air, tractors w/D-312 engine

1шт.

102635

NUT,3/8"-16, G5

2шт.

1

127491C91

CLEANER

ASSY, air, tractors w/D-310 engine

1шт.

179837

BOLT,Hex, 3/8" - 16 x 3/4", Gr 5

2шт.

2

380035R2

INTAKE AIR HOSE,2.16" ID, 3.00" ID x 11.20"

Air Cleaner 2.16" ID, 3.00" ID x 11.20"

1шт.

3

380600R91

FASTENER

CLAMP, intake hose frt

1шт.

4

400446R1

HOSE CLAMP,#56, 3.06/4.00 Type F Worm, W/liner

CLAMP, intake manifold hose, tractors w/D-312 engine

2шт.

5

532449R1

INTAKE AIR HOSE

HOSE, air cleaner outlet, tractors w/D-312 engine

1шт.

5

396536R1

INTAKE AIR HOSE,2.97" ID, 3.00" ID

Air Cleaner Outlet, Tractors w/D-310 engine 2.97" ID, 3.00" ID

1шт.

6

146569C1

CLAMP

hose, Replaces 397257R1, tractors w/D-312 engine

3шт.

6

146569C1

CLAMP

hose, Replaces 397257R1, tractors w/D-310 engine

5шт.

7

66461C2

PIPE ASSY, air cleaner, tractors w/D-312 engine

1шт.

7

396563R1

TUBE

PIPE ASSY, air cleaner, tractors w/D-310 engine

1шт.

444571

DRAIN PLUG,Sq Hd, 1/8"-27 NPTF

PLUG, 1/8-27 automotive sq-hd pipe

1шт.

8

396519R1

BAFFLE

pre-cleaner

1шт.

256873

BOLT,Hex Serr, 5/16" - 18 x 1/2", 5SPL, Full Thd

4шт.

9

SEAL, pre-cleaner baffle air, Furnish 22.5 in. of foam marked, 73213C1

1шт.

10

537334R1

AIR CLEANER,Round, 4.38" ID x 6.09" OD x 13" L

ELEMENT ASSY, filter

1шт.

11

532450R1

INTAKE AIR HOSE,82.50 mm ID x 105.60 mm

HOSE, intake manifold, tractors w/D-312 engine

1шт.

11

396540R1

INTAKE AIR HOSE,2.87" ID, 3.00" ID

Intake Manifold Elbow, Tractors w/D-310 engine 2.87" ID, 3.00" ID

1шт.

12

71913C1

LOCK VALVE

LATCH ASSY, Replaces 530480R1

1шт.

13

383734R2

VALVE

dust unloader

1шт.

14

NOT USED IN THIS APPLICATION

1шт.

Выбрано товаров: 23