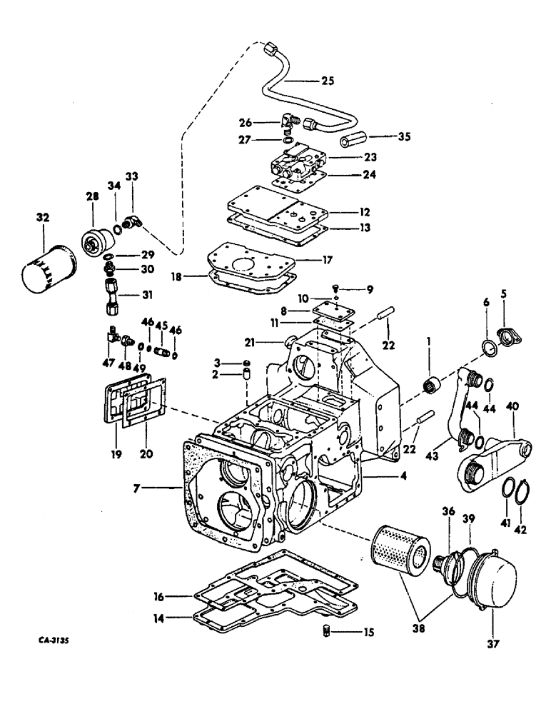
Запчасти Case IH HYDRO 70 (07-15) - DRIVE TRAIN, HYDROSTATIC TRANSMISSION HOUSING, FILTERS, COVERS AND MULTIPLE VALVE BODY (04) - Drive Train

Схема запчастей Case IH HYDRO 70 - (07-15) - DRIVE TRAIN, HYDROSTATIC TRANSMISSION HOUSING, FILTERS, COVERS AND MULTIPLE VALVE BODY (04) - Drive Train
12
23
5
43
28
37
27
20
48
44
31
14
39
29
13
45
22
7
40
1
30
44
47
8
19
35
33
9
46
41
2
18
24
4
10
46
11
26
38
42
15
34
22
32
21
3
6
17
16
36
49
25
FIT
1:1
100%

Артикул

Название

Примечание

Количество

1

607148R91

ROLLER BEARING,1.375" ID x 1.7505" OD x 1"

independent PTO shaft needle

1шт.

2

396024R1

BUSHING,12.72mm ID x 19.11mm OD x 38.1mm L

cam actuating rod

1шт.

3

376022R91

OIL SEAL

SEAL, oil

1шт.

4

401167R92

HOUSING ASSY, hydrostatic drive, Consists of

1шт.

HOUSING (NSS)

1шт.

NLS

NO LONGER SERVICED

PLUGS

9шт.

607148R91

ROLLER BEARING,1.375" ID x 1.7505" OD x 1"

1шт.

396024R1

BUSHING,12.72mm ID x 19.11mm OD x 38.1mm L

1шт.

104940

PLUG

S

3шт.

5

396026R1

COVER, front independent PTO brg

1шт.

6

396027R1

GASKET

independent PTO brg cover

1шт.

179821

BOLT,Hex, 5/16" - 18 x 1 3/8", Gr 5

2шт.

103320

LOCK WASHER,5/16"

WASHER, LOCK, 5/16"

2шт.

7

396028R1

GASKET

hydrostatic drive housing

1шт.

8

403778R1

COVER ASSY, pressure check

1шт.

9

9410356

PLUG

7/16-20 c-z thd-o-ring boss

1шт.

11

396030R2

GASKET

pressure regulator valve access cover

1шт.

116103

COPPER WASHER,10.31mm ID x 20.63mm OD x 1.65mm Thk

WASHER, 3/8 copper

1шт.

179837

BOLT,Hex, 3/8" - 16 x 3/4", Gr 5

3шт.

392869R1

BOLT, 3/8-16 x 3/4 hex-hd

1шт.

20975R1

DRAIN PLUG,Sq Soc, 1 1/4"-11 1/2, NTPF

PLUG, 1-1/4-11 automotive sq-soc-hd pipe side inspection

2шт.

12

396033R1

COVER, drive housing front

1шт.

179841

BOLT,Hex, 3/8" - 16 x 1 1/4", Gr 5

3/8-16 x 1-1/4 hex-hd cap

4шт.

179842

SPACER

3/8-16 x 1-3/8 hex-hd cap

1шт.

13

396034R1

GASKET

drive housing front cover

1шт.

14

396035R2

COVER, drive housing bottom

1шт.

15

20953R1

DRAIN PLUG,Sq Hd, 1 1/4"-11 1/2 NPTF

PLUG, drive hsg bottom cover

1шт.

16

396036R2

GASKET

bottom cover

1шт.

179838

BOLT,Hex, 3/8" - 16 x 7/8", Gr 5, Full Thd

3/8-16 x 7/8 hex-hd cap

16шт.

179846

LEVER

2шт.

445686

PLUG

3/8-18 automotive sq-hd pipe

1шт.

17

400667R91

COVER ASSY, top

1шт.

179839

BOLT,Hex, 3/8" - 16 x 1", Gr 5

5шт.

18

396040R1

GASKET

top cover

1шт.

19

396041R3

BLOCK ASSY.

BLOCK, side cover

1шт.

20

396042R1

GASKET

side cover

1шт.

116103

COPPER WASHER,10.31mm ID x 20.63mm OD x 1.65mm Thk

WASHER, 3/8 copper

6шт.

NLS

NO LONGER SERVICED

6шт.

21

192105

HOLE PLUG BUTTON,1"

PLUG, 1.0 hole dia znp button, to plug access hole in housing

1шт.

22

375362R1

PIN,12.69mm OD x 34.8mm L

engine support dowel, 1/2 x 1-3/8

2шт.

22

66798C1

PIN, rear engine support dowel-o/s 2 (Or as required)

2шт.

23

BODY ASSY, multiple valve, for components parts see list of parts under details of multiple valve body

1шт.

179850

BOLT,Hex, 3/8" - 16 x 2 3/4", Gr 5

SCREW, 3/8-16 x 2-3/4 hex-hd cap

4шт.

280161

BOLT,Hex, 3/8" - 16 x 3", Gr 5

1шт.

179849

BOLT,Hex, 3/8" - 16 x 2 1/2", Gr 5

2шт.

24

396142R1

GASKET

multi-valve

1шт.

25

530821R1

TUBE

ASSY, charge

1шт.

26

9410978

ELBOW,90 Degree, 7/8"-14, 37 Degree x 7/8"-14, O-Ring

7/8-14 37 deg hyd flared tube adj str thd 90 deg

1шт.

27

364885R1

O-RING,0.097" Thk x 0.755" ID, -910, Cl 6, 90 Duro

5/8 OD tube

1шт.

28

530822R1

BODY

BASE, hyd filter

1шт.

29

364885R1

O-RING,0.097" Thk x 0.755" ID, -910, Cl 6, 90 Duro

5/8 OD tube

1шт.

30

9410204

HYD CONNECTOR,7/8"-14, 37 Degree x 7/8"-14, O-Ring

UNION, 7/8-14 37 deg flared tube short swivel

1шт.

31

530823R1

TUBE

ASSY, filter connecting

1шт.

32

70203C1

FILTER

ASSY, hydraulic, Replaces 530824R2

1шт.

33

9410978

ELBOW,90 Degree, 7/8"-14, 37 Degree x 7/8"-14, O-Ring

7/8-14 37 deg hyd flared tube asj str thd 90 deg

1шт.

34

364885R1

O-RING,0.097" Thk x 0.755" ID, -910, Cl 6, 90 Duro

5/8 OD tube

1шт.

35

397483R1

GROMMET

HOSE, oil cooler line bumper

1шт.

36

133735C1

VALVE

ASSY, by-pass oil filter, Replaces 402211R1

1шт.

37

396147R1

COVER

oil filter

1шт.

38

528493R2

FILTER, ELEMENT

CARTRIDGE, oil filter, Replaces 70432C91

1шт.

39

343943R1

O-RING,6.234" ID x 0.139" Width

6-1/4 x 6-1/2 x 1/2, oil filter cover

1шт.

179839

BOLT,Hex, 3/8" - 16 x 1", Gr 5

2шт.

40

396148R1

MANIFOLD, suction

1шт.

396149R1

SCREW, suction manifold support

1шт.

421002

SCREW W/EXT TOOTH LOCKWASHER 5/16-18 x 5/8 SLT RD-HD MACH

1шт.

41

382782R1

O-RING,0.103" Thk x 2.3" ID, -141, Cl 5, 75 Duro

2-5/16 x 2-1/2 x 3/32

1шт.

42

684645R1

SNAP RING,#250, Ext

Ring, Snap, #250, Ext

1шт.

43

396150R1

PIPE

suction charge pump

1шт.

44

327085R1

O-RING,0.103" Thk x 1.549" ID, -129, Cl 5, 75 Duro

1-9/16 x 1-3/4 x 3/32

2шт.

45

398913R1

CONNECTOR, hydraulic

1шт.

46

384943R1

O-RING,0.739" ID x 0.07" Width

-018, 90 Duro, .739" ID x .070" Thk, Hydraulic Connector

2шт.

47

399256R1

ELBOW, adj

1шт.

48

9410063

NUT, 1-3/16-12 adj elbow lock Blkhd, 1 3/16"-12

1шт.

49

297459R1

O-RING,0.116" Thk x 1.048" ID, -914, Cl 6, 90 Duro

O-RNG, 7/8 OD tube

1шт.

10

369751R1

O-RING,0.072" Thk x 0.351" ID, -904, Cl 6, 90 Duro

4-1, 90 Duro, .351" ID x .072" Thk, 1/4 OD tube

1шт.

Выбрано товаров: 75