Запчасти Case IH HYDRO 70 (08-08) - ELECTRICAL, ELECTRICAL WIRING, 666 AND 70 DIESEL TRACTORS (06) - ELECTRICAL

Схема запчастей Case IH HYDRO 70 - (08-08) - ELECTRICAL, ELECTRICAL WIRING, 666 AND 70 DIESEL TRACTORS (06) - ELECTRICAL
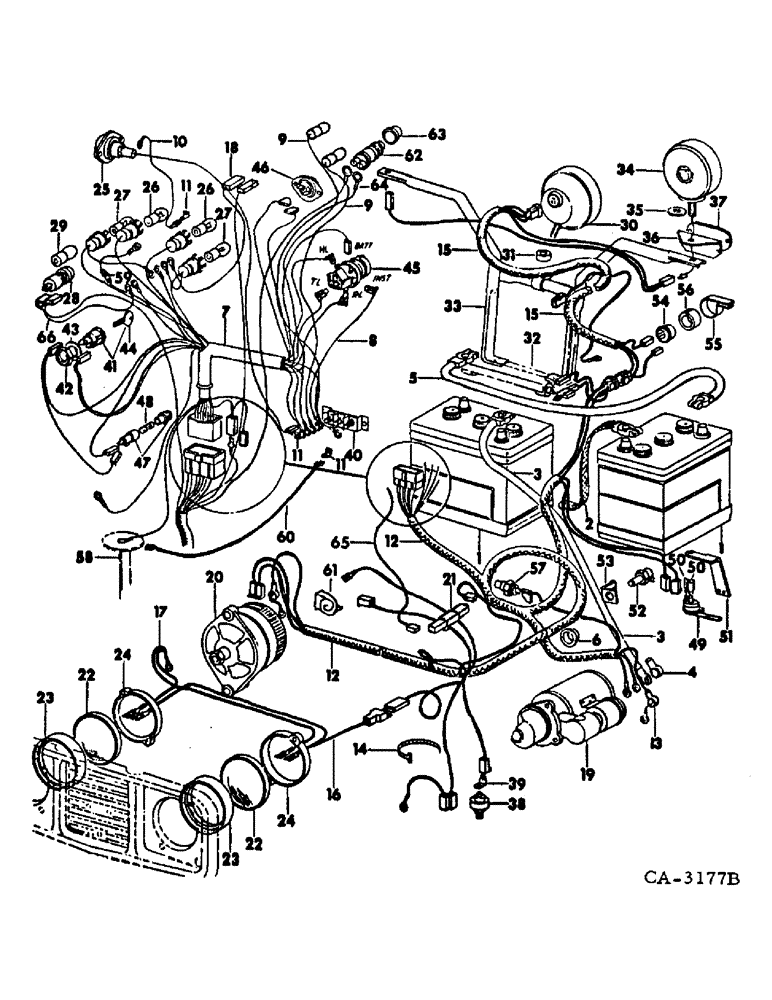
25
62
42
38
57
33
61
34
35
48
48
15
40
21
20
43
44
11
31
28
53
22
63
12
59
2
41
14
24
49
46
58
17
27
16
7
12
22
6
60
8
3
26
11
51
65
11
39
27
15
45
50
29
37
56
19
66
64
54
24
13
18
10
36
3
23
52
23
5
9
30
50
55
26
9
32
FIT
1:1
100%

Артикул

Название

Примечание

Количество

1

IHPH2

BATTERY, prestolite 1264X, 6 volt

2шт.

1

IHCH2

WET BATTERY

prestolite 1266X, 6 volt, heavy duty

2шт.

2

629029R92

NEG BATTERY CABLE

STRAP ASSY, Serial Range: battery-ground

1шт.

3

377114R91

CABLE PULLING GRIP

CABLE ASSY, Serial Range: battery-solenoid

1шт.

4

364910R1

BOOT

COVER, solenoid terminal

1шт.

5

399903R91

CABLE

ASSY, Serial Range: battery-battery

1шт.

6

399397R1

BUSHING

snap, 666 and 70 hydrostatic drive tractors

1шт.

7

405294R2

HARNESS

ASSY, panel cable

1шт.

8

405222R1

CABLE

ASSY, lighting switch to junction block

1шт.

9

383620R91

ELECTRICAL WIRE

SOCKET ASSY, tachometer light

2шт.

10

404399R1

CABLE ASSY, hydrostatic control light ground, 666 and 70 hydrostatic driven tractors

1шт.

11

365501R1

TERMINAL CONNECTOR

TERMINAL

3шт.

120614

NUT,Hex, #10 - 32

NUT, #10-32

2шт.

12

65960C1

HARNESS

ASSY, frt cable

1шт.

13

399470R1

BOOT

INSULATOR, terminal cover boot

1шт.

14

702093C1

CABLE TIE

STRAP, cable lock

1шт.

15

406693R2

HARNESS

ASSY, combination light

1шт.

16

65961C1

CABLE ASSY, headlight junction

1шт.

17

65962C1

CABLE

ASSY, headlight ground

1шт.

18

405223R1

CABLE ASSY, starting fluid

1шт.

19

MOTOR, cranking, Delco-Remy, Refer to cranking motor listing this group

1шт.

20

ALTERNATOR GENERATOR ASSY, refer to alternator-generator listing this group

1шт.

21

107561C1

RESISTOR

also order cable, 130989C1

1шт.

179820

BOLT,Hex, 5/16" - 18 x 1 1/4", Gr 5

1шт.

120393

BEARING WASHER,5/16", SAE

WASHER, .344 x .688 x .051

1шт.

80681

LOCK WASHER,5/16"

WASHER, LOCK, 5/16"

1шт.

9635082

NUT,5/16" - 18, Gr 5

1шт.

22

373662R91

LAMP

sealed beam, optional w/131508C1

2шт.

22

131508C1

LAMP BASE

LAMP, sealed beam, Tungsten-halogen, optional w/373662R91

2шт.

23

529674R1

RETAINER

head light

2шт.

24

377305R1

RING

headlight clamping

2шт.

21268R1

SCREW

10-24 x 1-1/2 zn-slt-fil-hd mach

4шт.

25

399232R91

LIGHT

ASSY, hydrostatic control, 666 and 70 hydrostatic drive tractors

1шт.

159336

SCREW,Cross Pan Hd, #6 - 32 x 1/2"

6-32 x 1/2 znp cr-rec pan hd mach

2шт.

446130

WASHER,#8

11/64 x 13/32 x 18 ga c-z

2шт.

134530

NUT,Hex, #6 - 32

2шт.

26

9412348

BULB,C2B, #257, 14V

LAMP, no. 257 12 volt, oil Tellite flasher, optional w/24929R1

1шт.

26

24929R1

BULB,C2R, #256, 14V

LAMP, no. 256 12 volt, oil Tellite flasher, optional w/9412348

1шт.

26

27269R1

BULB,C6, #1416, 12.8V

LAMP, no. 1416 12 volt, amp Tellite non-flashing

1шт.

27

9417863

BULB,C2F, #1895, 14V

LAMP, no. 1895 12 volt, tachometer & gage cluster

4шт.

28

109369C91

LIGHT ASSY.

LIGHT ASSY, trans oil temp warning light, Replaces 392441R91, also order cable, 121626C1, only serviceable parts are lense 71652C1 and bulb, 200557H1

1шт.

29

9417863

BULB,C2F, #1895, 14V

LAMP, no. 1895 12 volt trans oil temp warning, Used only w/light 392441R91

1шт.

30

387729R92

LIGHT ASSY.

LIGHT ASSY, combination rear & tail, only serviceable items are sealed beam unit, 371461R91, rubber retainer, 676078R1 and lamp 455490

1шт.

102637

NUT,1/2"-13, G5

1шт.

493-41052

LOCK WASHER,Ext Tooth, 1/2"

WASHER, 1/2 c-z int tooth lock

1шт.

350920R1

CLAMP

1шт.

31

365503R1

SPACER

combination rear light

1шт.

32

389018R11

PLATE

ASSY, rear light and IPTO handle support, Refer to independent power take off listing group 7

1шт.

179793

BOLT,Hex, 1/4" - 20 x 5/8", Gr 5, Full Thd

1шт.

33

535867R1

SUPPORT ASSY, warning light

1шт.

179837

BOLT,Hex, 3/8" - 16 x 3/4", Gr 5

2шт.

34

67538C92

HEADLIGHT

LIGHT ASSY, flasher warning, only serviceable item is lamp 9417863

2шт.

35

394262R1

WASHER

GASKET, flasher warning lamp

2шт.

120371

NUT,1/2"-20, G5

2шт.

36

533091R1

BRACKET, reflector mtg

2шт.

37

533092R1

REFLECTOR

2шт.

163162

SCREW,Self Tap, Cross Pan Hd, #8 - 18 x 1/2"

no. 8-18 x 1/2 c-z cr-res-pan hd tap

4шт.

493-41052

LOCK WASHER,Ext Tooth, 1/2"

WASHER, 1/2 ex tooth

2шт.

38

392249R92

SWITCH

eng oil pressure

1шт.

39

384396R1

SPADE TERMINAL,Male

TERMINAL, oil pressure switch

1шт.

40

378336R91

BLOCK

ASSY, junction

1шт.

109084

NUT,1/4"-20, G5

2шт.

120614

NUT,Hex, #10 - 32

NUT, #10-32

2шт.

120217

LOCK WASHER,#10

WASHER, LOCK, #10

2шт.

103319

LOCK WASHER,1/4"

WASHER, LOCK, 1/4"

2шт.

41

403562R2

SWITCH

ASSY, ignition key

1шт.

42

365502R1

NUT

switch mtg

1шт.

43

375431R1

LOCK WASHER

swtich mtg

1шт.

44

131313C1

KEY, IGNITION

switch, Replaces 382458R2

1шт.

45

403571R2

SWITCH

lighting

1шт.

46

397940R93

SWITCH

push button

1шт.

132903

ADAPTER

SCREW, 10-32 x 7/16 znd rc-hd mach

2шт.

138479

PLUG

WASHER, no. 10 ext tooth lock

2шт.

120614

NUT,Hex, #10 - 32

NUT, #10-32

2шт.

47

376852R91

HOUSING

ASSY, fuse, service item is knob, 356445R91

1шт.

48

432644

FUSE,20 Amp, Type SFE

cartridge SFE-20

1шт.

49

537641R1

SWITCH ASSY

neutral starting, 666 gear drive tractors

1шт.

50

384396R1

SPADE TERMINAL,Male

TERMINAL, safety starting switch, 666 gear drive tractors

2шт.

51

389021R1

BRACKET, safety switch, 666 gear drive tractors

1шт.

125981

SCREW, 10-32 x 5/16 hex-hd mach

2шт.

52

121629C1

IGNITION SWITCH

SWITCH ASSY, neutral starting, 666 and 70 hydrostatic drive tractors, Replaces 532682R1

1шт.

53

534842R1

BRACKET, neutral starting switch, 666 and 70 hydrostatic drive tractors

1шт.

179793

BOLT,Hex, 1/4" - 20 x 5/8", Gr 5, Full Thd

2шт.

109084

NUT,1/4"-20, G5

2шт.

54

394132R91

FLASHER UNIT

FLASHER, warning light

1шт.

55

394133R1

FASTENER

BRACKET, flasher mounting

1шт.

56

394134R1

SEAL

ABSORBER, flasher mounting

1шт.

57

539280R1

SWITCH

temp warning, 666 and 70 hydrostatic drive tractors

1шт.

58

378427R94

GAUGE ASSY.

GAUGE, sending unit fuel

1шт.

59

145510

FUSE,1 Amp, Type 3AG

cartridge type agc 1 amp

1шт.

60

69362C1

CABLE

ASSY, electric fuel gauge sending unit ground

1шт.

61

411949C91

HORN

ASSY, Replaces 166166R91

1шт.

103320

LOCK WASHER,5/16"

WASHER, LOCK, 5/16"

1шт.

62

393209R91

SWITCH

horn

1шт.

63

371487R1

CYLINDER END CAP

CAP, horn switch dust

1шт.

64

405212R1

HARNESS

CABLE ASSY, horn switch to jct block

1шт.

65

130989C1

HARNESS

CABLE ASSY, ignition terminal to resistor, Replaces 107435C11, Used only w/resistor 107434C1

1шт.

66

121626C1

CABLE ASSY.

CABLE ASSY, warning light to junction block, Used only w/light assy, 109369C1

1шт.

Выбрано товаров: 98