Запчасти Case IH HYDRO 84 (10-08) - HYDRAULICS, POWER STEERING CYLINDER CONNECTIONS, ALL WHEEL DRIVE TRACTORS (07) - HYDRAULICS

Схема запчастей Case IH HYDRO 84 - (10-08) - HYDRAULICS, POWER STEERING CYLINDER CONNECTIONS, ALL WHEEL DRIVE TRACTORS (07) - HYDRAULICS
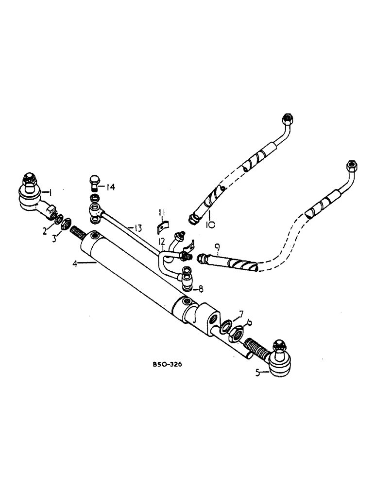
6
4
7
11
13
1
12
8
3
14
5
2
10
9
FIT
1:1
100%

Артикул

Название

Примечание

Количество

1

3146035R92

BALL JOINT

JOINT, ball, used w/cyl 3146039R94

1шт.

Used with cylinder 3146039R4.

1шт.

1

742968C91

BALL JOINT

JOINT, ball, used w/syl 742967C91 or 1282141C91

1шт.

Used with cylinder 742967C91 or 1282141C91.

1шт.

2

934071R1

LOCK WASHER

WASHER, J21 ITT lock, used w/cyl 3146039R94

1шт.

Used with cylinder 3146039R4.

1шт.

2

934846R1

LOCK WASHER,Serr, M25

WASHER, J25 ITT lock, used w/syl 742967C91 or 1282141C91

1шт.

Used with cylinder 742967C91 or 1282141C91.

1шт.

3

933707R1

NUT,Thin, M20 x 1.5

M20 x 1.5 hex jam, used w/cyl 3146039R94

1шт.

Used with cylinder 3146039R4.

1шт.

3

934262R1

THIN NUT,Thin, M24 x 1.5

M24 x 1.5 hex jam, used w/syl 742967C91 or 1282141C91

1шт.

Used with cylinder 742967C91 or 1282141C91.

1шт.

4

742967C91

STEERING CYLINDER

CYLINDER ASSY, power steering, hengstler mtg, replaces 3146036R94, for service on 3146036R94 also order ref no. 1, 2 & 3

1шт.

For service on 3146036R94, also order Ref. 1, 2, and 3.

1шт.

742970C91

GASKET KIT

KIT, o-ring & seal service OR

1шт.

4

1282141C91

CYLINDER

ASSY, power steering

1шт.

1282147C1

PACKAGE

KIT, o-ring & seal service see parts catalog cyl-1 for service parts

1шт.

5

3141529R91

BALL JOINT

JOINT, ball

1шт.

6

934070R1

THIN NUT,Thin, M30 x 1.5

M30 x 1.5 hex jam

1шт.

7

934072R1

LOCK WASHER,Serr, M31

WASHER, J21 internal tooth lock

1шт.

8

933155R1

SEALING RING,M16 x 20 x 1.5

Packing M16 x 20 x 1.5

1шт.

9

3129985R1

HOSE ASSY.

HOSE ASSY, hyd steering cyl. RH

1шт.

10

3129984R1

HOSE ASSY.

HOSE ASSY, hyd steering cyl. LH

1шт.

11

3129983R1

CLAMP

tube

2шт.

86977786

BOLT,Hex, M6 x 1 x 25mm, Cl 8.8

M6 x 25 class 8.8

1шт.

933833R1

LOCK WASHER,M6

WASHER, 6 mm lock

1шт.

30281R1

NUT,M6, Cl 10

M6 class 10

1шт.

12

3129982R1

TUBE ASSY.

TUBE ASSY, steering cyl RH

1шт.

13

3129981R1

TUBE ASSY.

TUBE ASSY, steering cyl LH

1шт.

14

930241R1

BANJO BOLT,M16 x 1.5 x 36mm

2шт.

Выбрано товаров: 30