Запчасти Case IH 504 (089) - ELECTRICAL SYSTEM, ALTERNATOR GENERATOR AND CONNECTIONS (06) - ELECTRICAL SYSTEMS

Схема запчастей Case IH 504 - (089) - ELECTRICAL SYSTEM, ALTERNATOR GENERATOR AND CONNECTIONS (06) - ELECTRICAL SYSTEMS
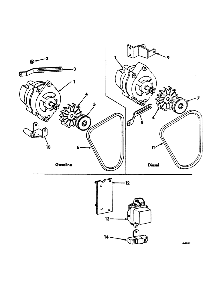
1
5
3
1
10
6
11
13
14
8
9
4
7
4
12
2
FIT
1:1
100%

Артикул

Название

Примечание

Количество

1

1100805

GENERATOR

ALTERNATOR GENERATOR ASSY, 702337C91

1шт.

1

87297244

REMAN-ALTERNATOR

Remanufactured Alternator Option

1шт.

1

87297245

CORE-ALTERNATOR

Return Number

1шт.

1

103805A1R

REMAN-ALTERNATOR

Remanufactured Alternator, 12 volt 55 ampere

1шт.

1

103805A1C

CORE-ALTERNATOR

Return Number

1шт.

1

A47625

ALTERNATOR

Alternator - 12 Volt 72 ampere

1шт.

1

103804A1GV

ALTERNATOR

Value, 12V, 72A

1шт.

1

103804A1R

REMAN-ALTERNATOR

Remanufactured Alternator

1шт.

1

103804A1C

CORE-ALTERNATOR

Return Number

1шт.

1

A163085GV

ALTERNATOR

Value, 12V, 105A

1шт.

1

103807A1R

REMAN-ALTERNATOR

Remanufactured Alternator, 12 volt 105 ampere

1шт.

1

103807A1C

CORE-ALTERNATOR

Return Number

1шт.

120614

NUT,Hex, #10 - 32

NUT, #10-32

1шт.

225-14112

NUT,#12-24

NUT, 12-24 C-Z hex, mach screw

1шт.

120217

LOCK WASHER,#10

WASHER, LOCK, #10

1шт.

492-11012

LOCK WASHER,#12

WASHER, lock, #12

1шт.

2

280185R1

SPACER

SPACER, alternator generator brace

1шт.

3

368574R3

BRACE

BRACE, alternator generator

1шт.

179819

BOLT,Hex, 5/16" - 18 x 1 1/8", Gr 5

BOLT, Hex, 5/16"-18 x 1 1/8", G5

1шт.

103320

LOCK WASHER,5/16"

WASHER, LOCK, 5/16"

1шт.

4

1940994

FAN

FAN, alternator generator

1шт.

5

1949358

PULLEY

PULLEY, alternator generator

1шт.

6

151531R1

BELT

Alternator Generator and Water Pump

1шт.

7

1961261

PULLEY

PULLEY, alternator generator

1шт.

8

308387R1

BRACE

BRACE, alternator generator

1шт.

179826

BOLT,Hex, 5/16" - 18 x 2", Gr 5

BOLT, Hex, 5/16"-18 x 2", G5

1шт.

103320

LOCK WASHER,5/16"

WASHER, LOCK, 5/16"

1шт.

9

392762R11

SPARE PART BRACKET ASSY, alternator generator mounting

1шт.

102635

NUT,3/8"-16, G5

NUT, 3/8"-16, G5

1шт.

280161

BOLT,Hex, 3/8" - 16 x 3", Gr 5

BOLT, Hex, 3/8"-16 x 3", G5

1шт.

179858

SUPPORT

SCREW, 7/16-14 x 1 hex-hd cap

2шт.

103321

LOCK WASHER,3/8"

WASHER, LOCK, 3/8"

1шт.

103322

LOCK WASHER,7/16"

WASHER, LOCK, 7/16"

2шт.

10

392760R11

BRACKET

BRACKET ASSY, alternator generator

1шт.

102635

NUT,3/8"-16, G5

NUT, 3/8"-16, G5

1шт.

280161

BOLT,Hex, 3/8" - 16 x 3", Gr 5

BOLT, Hex, 3/8"-16 x 3", G5

1шт.

180190

LOCK SCREW,Hex, 1/2" - 13 x 3", Gr 5

SCREW, 1/2-13 x 3 hex-hd cap

1шт.

103321

LOCK WASHER,3/8"

WASHER, LOCK, 3/8"

1шт.

120384

WASHER,1/2"

WASHER, LOCK, 1/2"

1шт.

120396

WASHER

17/32 x 1-1/16 x .074 C-Z

1шт.

11

378113R1

BELT

BELT, alternator generator & water pump

1шт.

12

384989R91

SPARE PART BRACKET ASSY, voltage regulator

1шт.

179795

TILLAGE BLADE

SCREW, 1/4-20 x 3/4 hex-hd cap

2шт.

103319

LOCK WASHER,1/4"

WASHER, LOCK, 1/4"

2шт.

13

1119516

REGULATOR

REGULATOR ASSY, voltage, 384988R91, composed of (1) cover 1958151 (2) screw, cover 1962733 (1), shock bracket package 1962629

1шт.

109084

NUT,1/4"-20, G5

NUT, 1/4"-20, G5

2шт.

103319

LOCK WASHER,1/4"

WASHER, LOCK, 1/4"

2шт.

14

1962014

RESISTOR

RESISTANCE UNIT

1шт.

179795

TILLAGE BLADE

SCREW, 1/4-20 x 3/4 hex-hd cap

1шт.

103319

LOCK WASHER,1/4"

WASHER, LOCK, 1/4"

1шт.

2751808R1

PRODUCT GRAPHIC

PRODUCT GRAPHIC, warning decal, for red vehicle

1шт.

2751893R1

PRODUCT GRAPHIC

PRODUCT GRAPHIC, warning decal, for yellow vehicle

1шт.

Выбрано товаров: 0