Запчасти Case IH B414 (139) - HYDRAULIC SYSTEM, DUAL HYDRAULIC PUMP WITH POWER STEERING, B-414/21196 UP (07) - HYDRAULIC SYSTEM

Схема запчастей Case IH B414 - (139) - HYDRAULIC SYSTEM, DUAL HYDRAULIC PUMP WITH POWER STEERING, B-414/21196 UP (07) - HYDRAULIC SYSTEM
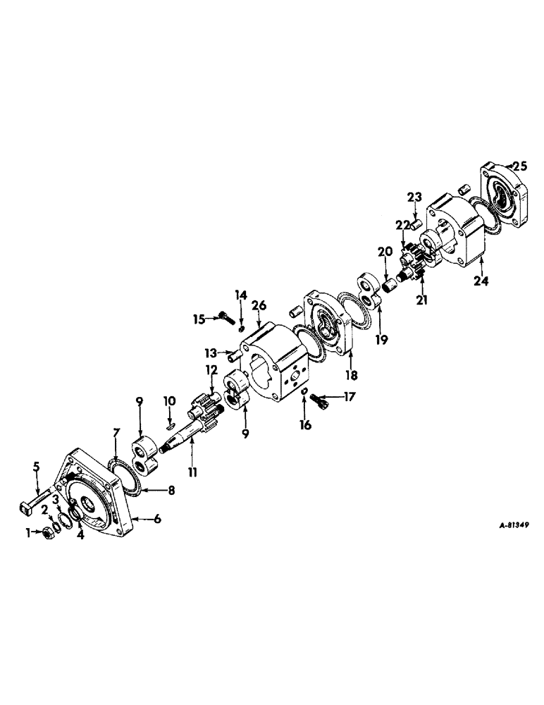
1
7
23
14
19
17
20
24
22
12
11
25
6
18
8
9
16
15
9
10
21
5
2
3
26
13
4
FIT
1:1
100%

Артикул

Название

Примечание

Количество

3063911R92

PUMP

ASSY, HYDRAULIC

1шт.

1

3044638R1

NUT

LOCK

1шт.

2

3044636R1

WASHER

LOCK

1шт.

3

3044626R1

CIRCLIP

1шт.

4

3064281R91

SEAL, OIL

1шт.

5

3064275R1

BOLT

4шт.

6

708395R1

FLANGE

1шт.

7

3044624R1

GASKET

O-RING

4шт.

8

3044623R1

GASKET

O-RING

4шт.

9

3066762R91

BEARING

2шт.

10

3044637R1

KEY

1шт.

11

3064268R1

GEAR

DRIVE (25T)

1шт.

12

3064269R1

GEAR

DRIVEN (25T)

1шт.

13

3064276R1

PIN

DOWEL

4шт.

14

3044643R1

WASHER

SPRING

2шт.

15

3044642R1

SCREW

1/4-20

2шт.

16

3044644R1

WASHER

SPRING

2шт.

17

3044641R1

CAPSCREW

SCREW, 5/16-18

2шт.

18

3064270R1

PLATE

SANDWICH

1шт.

19

3066273R1

BEARING

2шт.

20

2064273R1

COUPLING, MUFF

1шт.

21

3064271R1

GEAR

DRIVE (18T)

1шт.

22

3064272R1

GEAR

DRIVEN (18T)

1шт.

23

3064277R1

PIN

DOWEL

4шт.

24

NOT SERVICED SEPARATELY

1шт.

25

3064274R1

COVER

1шт.

3044632R1

NUT

4шт.

3064282R1

WASHER

3/8 PLAIN

4шт.

26

NOT SERVICED SEPARATELY

1шт.

352221R1

O-RING,0.103" Thk x 0.549" ID, -113, Cl 5, 75 Duro

1шт.

364879R1

O-RING,0.103" Thk x 0.862" ID, -118, Cl 5, 75 Duro

1шт.

3064278R1

COVER

DUST

1шт.

3064279R1

COVER

DUST

1шт.

3064280R1

COVER

DUST

1шт.

Выбрано товаров: 0