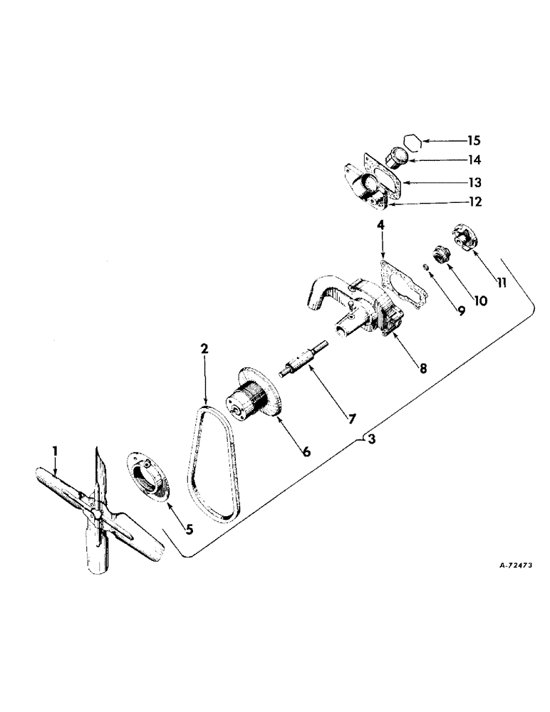
Запчасти Case IH B414 (045) - COOLING SYSTEM, FAN, THERMOSTAT AND WATER PUMP, UP TO BC-144/6028, UP TO BD-154/32794 COOLING SYSTEM

Схема запчастей Case IH B414 - (045) - COOLING SYSTEM, FAN, THERMOSTAT AND WATER PUMP, UP TO BC-144/6028, UP TO BD-154/32794 COOLING SYSTEM
12
2
4
13
3
15
9
10
11
8
14
7
5
6
1
FIT
1:1
100%

Артикул

Название

Примечание

Количество

1

706749R91

FAN

BLADE ASSY, FAN

1шт.

179816

BOLT,Hex, 5/16" - 18 x 3/4", Gr 5

4шт.

103320

LOCK WASHER,5/16"

WASHER, LOCK, 5/16"

4шт.

2

709502R1

BELT

BELT, Fan, Optional, with 376371R1

1шт.

2

376371R1

V-BELT,0.64" W

Fan, Optional w/709502R1 0.64" W

1шт.

3

3065132R92

PUMP

ASSY, WATER

1шт.

102635

NUT,3/8"-16, G5

4шт.

103321

LOCK WASHER,3/8"

WASHER, LOCK, 3/8"

4шт.

4

703816R1

GASKET

WATER PUMP

1шт.

5

703825R11

FLANGE

WITH SCREW, 102831 AND NUT, 114502, WATER PUMP PULLEY

1шт.

114502

JAM NUT,Jam, 5/16"-18, G5

1шт.

102831

SCREW

5/16 x 7/8 HDLS DOG-PT SET

1шт.

6

704222R1

HUB

WATER PUMP PULLEY

1шт.

7

704217R91

NO LONGER SERVICED

BEARING, WATER PUMP SPINDLE

1шт.

8

704216R4

BODY

WATER PUMP, ALSO ORDER PLUG, 103884

1шт.

704218R1

BOLT,1/4" - 20 x 1/2"

WATER PUMP BEARING RETAINING

1шт.

103884

PLUG,Slotted, 1/4" NPT

1/4 SLT-HDLS PIPE

1шт.

103319

LOCK WASHER,1/4"

WASHER, LOCK, 1/4"

1шт.

9

352221R1

O-RING,0.103" Thk x 0.549" ID, -113, Cl 5, 75 Duro

9/16 x 3/4 x 3/32

1шт.

10

703822R91

SEAL

WATER PUMP

1шт.

11

709909R2

TURBINE

IMPELLER, WATER PUMP

1шт.

12

703814R1

HOUSING

THERMOSTAT

1шт.

179818

BOLT,Hex, 5/16" - 18 x 1", Gr 5

2шт.

179828

BOLT,Hex, 5/16" - 18 x 2 1/2", Gr 5

1шт.

103320

LOCK WASHER,5/16"

WASHER, LOCK, 5/16"

3шт.

13

703815R1

GASKET

THERMOSTAT HOUSING

1шт.

14

369322R91

THERMOSTAT

170 DEG OPENING

1шт.

15

3040778R2

RING, SNAP

RING, THERMOSTAT RETAINER

1шт.

389918R91

PACKAGE

WATER PUMP SERVICE, CONSISTS OF

1шт.

704217R91

NO LONGER SERVICED

BEARING

1шт.

703816R1

GASKET

1шт.

709909R2

TURBINE

IMPELLER

1шт.

352221R1

O-RING,0.103" Thk x 0.549" ID, -113, Cl 5, 75 Duro

1шт.

703822R91

SEAL

1шт.

Выбрано товаров: 34