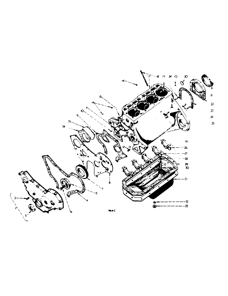
Запчасти Case IH 2350 (2-06) - CRANKCASE, FRONT COVER AND OIL PAN (02) - ENGINE

Схема запчастей Case IH 2350 - (2-06) - CRANKCASE, FRONT COVER AND OIL PAN (02) - ENGINE
31
25
7
20
29
26
13
24
22
10
30
14
8
28
33
19
11
3
1
34
2
14
32
4
17
21
5
12
27
10
9
6
35
24
18
15
23
FIT
1:1
100%

Артикул

Название

Примечание

Количество

1

3044166R92

COVER, w/OIL SEAL 3108650R91 and POINTER 712064R1 cpte., crankcase front

1шт.

179818

BOLT,Hex, 5/16" - 18 x 1", Gr 5

4шт.

179824

BOLT,Hex, 5/16" - 18 x 1 3/4", Gr 5

4шт.

179825

BOLT,Hex, 5/16" - 18 x 1 7/8", Gr 5

6шт.

9635082

NUT,5/16" - 18, Gr 5

hex. hd. 5/16"

4шт.

103320

LOCK WASHER,5/16"

WASHER, LOCK, 5/16"

14шт.

2

712064R1

POINTER, timing

1шт.

3

3108650R91

SEAL

OIL SEAL, crankshaft front

1шт.

4

708285R2

GASKET

crankcase front cover

1шт.

5

3044191R1

SHAFT, idler gear

1шт.

6

181434

BOLT,Hex, 1/2" - 20 x 1 7/8", Gr 5

hex. hd. 1/2" x 1.7/8"

1шт.

7

3044190R1

X

GEAR, idler

1шт.

8

3044164R91

PLATE, w/three LOCKS 46250D and three RIVETS 110638 cpte., crankcase front

1шт.

3047R1

SCREW, crankcase front plate, machine

2шт.

9

709903R2

GASKET

crankcase front plate

1шт.

10

444691

PLUG

sltd-hdls-pipe. 1/4"

2шт.

11

703827R1

CAMSHAFT BEARING

BUSH, camshaft - front

1шт.

11

703828R1

CAMSHAFT BEARING

BUSH, camshaft - centre

1шт.

11

703829R1

CAMSHAFT BEARING

BUSH, camshaft - rear

1шт.

12

NLS

NO LONGER SERVICED

dowel (crankshaft front)

2шт.

13

751610R1

INSERT

idler gear bolt screw, lock, 1/2" UNF x 1/2"

1шт.

14

103883

PIPE PLUG,Slotted, Headless, 1/8" NPT

PLUG, PIPE, Slotted, Headless, 1/8" NPT

3шт.

15

703832R1

STUD

water pump

4шт.

16

106794

VALVE

TAP, water drain Opt.

1шт.

16

707888R92

COCK

TAP, water drain Opt.

1шт.

17

3044162R94

CRANKCASE

cpte., comprising:

1шт.

BOLT 3061211R1

10шт.

BUSH 703827R1

1шт.

BUSH 703828R1

1шт.

BUSH 703829R1

1шт.

CAP 706491R2

1шт.

CAP 708902R2

1шт.

INSERT 751610R1

1шт.

INSERT 751834R1

14шт.

PIN 141287

2шт.

PIN 141244

2шт.

PIN 141223

2шт.

PLUG 103883

3шт.

PLUG 444691

2шт.

PLUG 172578

1шт.

STUD 703832R1

4шт.

TAP 106794

1шт.

TUBE 751826R1

1шт.

WASHER 3061325R1

10шт.

18

751826R1

TUBE,0.375" OD, 5.75" Length

dipstick

1шт.

19

751834R1

INSERT

heli-coil thread 7/16"-14

14шт.

20

172578

PLUG,Exp, 1 3/4"

expansion, 1-3/4" dia. type 1.

1шт.

21

3072092R91

OIL SEAL

OIL SEAL, crankshaft rear

1шт.

22

708904R1

RETAINER

crankshaft rear oil seal

1шт.

706732R1

BOLT,Hex, 5/16" - 18 x 1 1/8"

crankshaft rear oil seal retainer

7шт.

103320

LOCK WASHER,5/16"

WASHER, LOCK, 5/16"

7шт.

23

708907R2

OIL SEAL

crankshaft rear oil seal retainer

1шт.

24

141223

DOWEL,5/16" x 1"

PIN, dowel, crankshaft rear oil seal retainer

2шт.

25

141287

DOWEL,1/2" x 1 1/2"

PIN, dowel

2шт.

26

708902R2

BEARING CAP,2.273" ID x 1.1013"

CAP, crankshaft bearing - rear (As required)

1шт.

27

706491R2

CAP

crankshaft bearing (As required)

1шт.

28

3061325R1

WASHER

crankshaft bearing cap bolt

10шт.

29

703840R1

GASKET

crankcase pan

1шт.

30

3061211R1

BOLT,1/2" - 13 x 2.875"

crankshaft bearing cap

10шт.

31

3063063R11

PAN, cpte., crankcase oil

1шт.

179817

BOLT,Hex, 5/16" - 18 x 7/8", Gr 5, Full Thd

14шт.

103320

LOCK WASHER,5/16"

WASHER, LOCK, 5/16"

14шт.

32

3405H

GASKET

crankcase pan drain plug Opt.

1шт.

32

3043644R1

WASHER

GASKET, crankcase pan drain plug Opt.

1шт.

33

445096

PLUG

crankcase pan drain

1шт.

34

703851R1

GASKET

hydraulic pump opening cover

1шт.

35

703850R1

COVER

hydraulic pump opening

1шт.

179825

BOLT,Hex, 5/16" - 18 x 1 7/8", Gr 5

3шт.

272391

BEARING ASSY,Hex, 5/16" - 18 x 2 1/8", Gr 5

hex. hd. 5/16" x 2-1/8"

1шт.

9635082

NUT,5/16" - 18, Gr 5

hex., 5/16"

4шт.

103320

LOCK WASHER,5/16"

WASHER, LOCK, 5/16"

4шт.

Q397

WASHER

3/4" x 11/32" x 16 ga.

1шт.

Выбрано товаров: 72