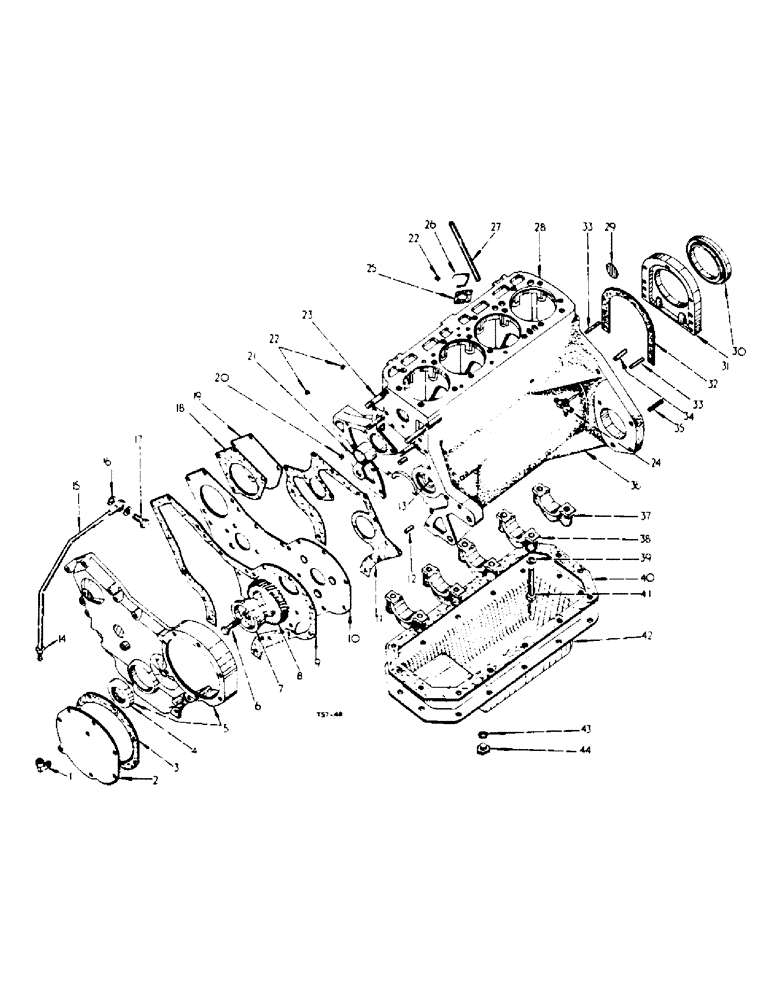
Запчасти Case IH 2350 (5-03) - CRANKCASE, FRONT COVER AND OIL PAN (02) - ENGINE

Схема запчастей Case IH 2350 - (5-03) - CRANKCASE, FRONT COVER AND OIL PAN (02) - ENGINE
27
4
33
24
8
43
37
20
35
22
26
25
12
10
41
28
17
16
40
11
33
29
9
39
34
18
32
31
38
21
23
30
1
5
15
14
36
7
42
44
13
19
3
6
22
2
FIT
1:1
100%

Артикул

Название

Примечание

Количество

1

3110596R1

ELBOW

breather pipe

1шт.

2

709904R2

COVER

injection pump gear

1шт.

179816

BOLT,Hex, 5/16" - 18 x 3/4", Gr 5

1шт.

179828

BOLT,Hex, 5/16" - 18 x 2 1/2", Gr 5

6шт.

9635082

NUT,5/16" - 18, Gr 5

hex. 5/16"

4шт.

103320

LOCK WASHER,5/16"

WASHER, LOCK, 5/16"

7шт.

3

703849R1

GASKET

injection pump gear cover

1шт.

4

3108650R91

SEAL

OIL SEAL, crankshaft - front

1шт.

5

708284R41

COVER

crankcase, front cpte., w/ OIL SEAL 3108650R41

1шт.

5

3042069R21

COVER

crankcase, front, cpte. w/ OIL SEAL 3108650R91

1шт.

179818

BOLT,Hex, 5/16" - 18 x 1", Gr 5

5шт.

179825

BOLT,Hex, 5/16" - 18 x 1 7/8", Gr 5

3шт.

103320

LOCK WASHER,5/16"

WASHER, LOCK, 5/16"

8шт.

6

181434

BOLT,Hex, 1/2" - 20 x 1 7/8", Gr 5

hex. hd. 1/2" UNF x 1-7/8"

1шт.

7

703853R11

SHAFT

idler gear, w/PIN 932039R1

1шт.

932039R1

LOCK PIN,M3 x 16, Slotted

PIN, roll (3 mm x 16 mm)

1шт.

8

703852R1

GEAR

idler

1шт.

9

708285R2

GASKET

front cover crankcase

1шт.

10

709901R11

PLATE

front cpte crankcase

1шт.

SCREW, crankcase front plate mach.

2шт.

11

709903R2

GASKET

front plate crankcase

1шт.

12

141244

PIN

dowel

2шт.

13

751610R1

INSERT

idler gear, bolt screw lock, 1/2" UNF x 1/2"

1шт.

14

700153R11

NUT

connector, cpte. Opt.

1шт.

14

222-504

TUBE NUT,9/16"-20

NUT, connector, cpte. Opt.

1шт.

15

3043654R92

HOSE

PIPE, crankcase breather, cpte.

1шт.

16

708297R1

GASKET

WASHER, breather pipe banjo bolt

2шт.

17

708296R1

CONNECTOR, ELEC

BOLT, breather pipe banjo

1шт.

18

703851R1

GASKET

hydraulic pump opening cover

1шт.

19

703850R1

COVER

hydraulic pump opening

1шт.

272391

BEARING ASSY,Hex, 5/16" - 18 x 2 1/8", Gr 5

hex. hd. 5/16" x 2-1/8"

1шт.

179825

BOLT,Hex, 5/16" - 18 x 1 7/8", Gr 5

3шт.

9635082

NUT,5/16" - 18, Gr 5

hex. 5/16"

4шт.

103320

LOCK WASHER,5/16"

WASHER, LOCK, 5/16"

4шт.

Q397

WASHER

flat, 3/4" x 11/32" x 16 ga.

1шт.

20

444691

PLUG

sltd. hdls. pipe. 1/4"

2шт.

21

703827R1

CAMSHAFT BEARING

BUSH, camshaft, - front

1шт.

21

703828R1

CAMSHAFT BEARING

BUSH, camshaft, - centre

1шт.

21

703829R1

CAMSHAFT BEARING

BUSH, camshaft, - rear

1шт.

22

103883

PIPE PLUG,Slotted, Headless, 1/8" NPT

PLUG, PIPE, Slotted, Headless, 1/8" NPT

3шт.

23

703832R1

STUD

water pump

4шт.

ref

Part No.

English ATTACHMENT, hydraulic lift comprising: CONTROL LEVER (See detail list) CONTROL VALVE ASSY (See detail list) HOUSING LIFT ARMS (See detail list), PUMP (See detail list), PIPES, suction and pressure. (See detail list)

1шт.

Выбрано товаров: 42