Запчасти Case IH 2400 (12-84) - SERVICE TOOLS, 3055217R1 Power

Схема запчастей Case IH 2400 - (12-84) - SERVICE TOOLS, 3055217R1 Power
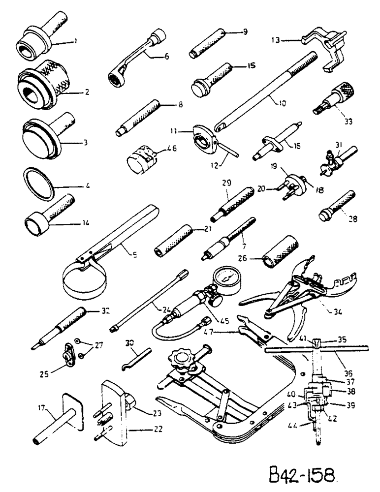
31
37
9
18
27
48
24
36
32
6
26
21
41
33
19
4
12
42
40
8
14
23
7
1
10
15
22
28
3
5
47
35
34
20
39
38
11
45
43
29
25
2
30
15
44
17
13
FIT
1:1
100%

Артикул

Название

Примечание

Количество

1

3055714R96

TOOL

SET, SERVICE, CONSISTS -

1шт.

2

3055689R11

TOOL

DRIFT PUNCH, FOR CRANKSHAFT FRONT OIL SEAL

1шт.

3

3136331R1

TOOL

DRIFT PUNCH, FOR CRANKSHAFT FRONT OIL SEAL

1шт.

4

3055687R11

TOOL

DRIFT PUNCH, FOR OIL SEAL 3055310R92

1шт.

5

3055709R1

DISC

SHIM, FOR DRIFT PUNCH 3055687R11

1шт.

5

3055710R1

SHIM

FOR DRIFT PUNCH 3055687R11

1шт.

6

3136279R1

TOOL

WRENCH, FOR OIL FILTER

1шт.

7

3055795R2

TOOL

WRENCH, CRANKED FOR CYL. HEAD BOLTS

1шт.

7

3055794R2

TOOL

WRENCH, CRANKED FOR CYL. HEAD NUTS

1шт.

8

3132007R1

PLUG

SPARE PART GAUGE NOZZLE HOLDER SLEEVE

1шт.

9

3055679R1

TOOL

DRIFT PUNCH, FOR PISTON PIN 3055217R1

1шт.

10

3055684R1

TOOL

DRIFT, FOR SEALING CAP 933537R1

1шт.

10

3055701R1

TOOL

DRIFT, FOR TAPER ROLLER BEARING

1шт.

10

3055703R1

TOOL

DRIFT, FOR TAPER ROLLER BEARING

1шт.

11

3055690R1

SPINDLE

CYLINDER SLEEVE PULLER

1шт.

425-1516

JAM NUT,Jam, 1"-14, G5

HEX. THICK

1шт.

12

3055693R1

PLATE

CYLINDER SLEEVE PULLER

1шт.

102376

SCREW, SET, HEADLESS SLTD. OVAL POINT

1шт.

13

2700267R1

PIN, SLEEVE PULLER JOINT

1шт.

14

3055691R1

TOOL

CYLINDER SLEEVE PULLER TRIPOD

1шт.

15

3055688R11

TOOL

DRIFT PUNCH, FOR EXPANSION PLUG

1шт.

16

3055694R1

TOOL

DRIFT PUNCH, FOR U-PLUG

1шт.

16

3055694R1

TOOL

DRIFT PUNCH, FOR U-PLUG

1шт.

16

3055712R11

ADAPTER

COMPRESSION GAUGE

1шт.

17

3055704R11

BRACKET

PIPE, SPRING COMPRESSION

1шт.

18

2700159R1

SCREW

SPINDLE, PRESSURE

1шт.

19

2711375R11

PLATE, PULLER

1шт.

20

2711376R1

BOLT

3шт.

102762

COTTER PIN

3шт.

21

3055699R1

TOOL

DRIFT PUNCH, FOR VALVE GUIDE

1шт.

3055707R91

TOOL

PULLER, FOR CRANKSHAFT PULLEY, CONSISTS OF (1) PLATE 3055708R1, (1) SPINDLE 2700154R11, (2) BOLTS 179825, (2) BOLTS 279826, (2) BOLTS 179827, (2) BOLTS 22340R1

1шт.

23

3055738R1

BUSHING

PLATE, DETACHING PULLER

1шт.

179825

BOLT,Hex, 5/16" - 18 x 1 7/8", Gr 5

2шт.

279826

BOLT 5/16 X 18-2 X 2-1/4 HEX HD

2шт.

22340R1

SCREW,Hex, 5/16"-18 x 2 7/8", G5

BOLT 5/16-18 X 2-7/8 HEX HD

2шт.

179826

BOLT,Hex, 5/16" - 18 x 2", Gr 5

2шт.

24

2700154R11

SPINDLE

PRESSURE PULLER

1шт.

25

3055700R1

TOOL

EXTENSION

1шт.

26

3132000R91

TOOL

WINDOW, TIMING, ENGINE, CONSISTS OF (2) WASHER 3132001R1, (2) SCREW 3132002R1, (1) WINDOW 3132003R11, (1) GASKET 3132004R1

1шт.

27

3055702R1

BUSHING

FOR PACKING 3055285R92

1шт.

28

3

SUPPORT

WASHER, ENGINE TIMING WINDOW

2шт.

29

3055695R1

TOOL

DRIFT PUNCH, FOR SEALING 933573R1

1шт.

29

3055698R1

TOOL

DRIFT PUNCH, FOR INSERT 3132005R1

1шт.

30

3132006R1

GUIDE

SPARE PART COUNTER NOZZLE HOLDER SLEEVE

1шт.

31

3055706R1

TOOL

HOOK WRENCH

1шт.

32

3144778R2

GAUGE ASSY.

INJ. TIMING ADV. AND FEED

1шт.

3218090R1

FLANGE

SPARE PART INTERMEDIATE

1шт.

33

3055696R1

TOOL

DRIFT FOR SLEEVE 3055344R1

1шт.

33

3136223R1

TOOL

DRIFT FOR SLEEVE 3132025R1, THE FOLLOWING PARTS ARE NOT INCLUDED IN SERVICE TOOL SETS

1шт.

33

3132005R1

TOOL

DRIFT FOR SLEEVE 3055406R1

1шт.

34

3132291R1

TOOL

SPARE PART SOCKET, SCREW, BALANCE WEIGHT, CRANKSHAFT

1шт.

35

2712136R91

EXPANDER

PISTON RING, CONSISTS OF: REF. 36 - 44

1шт.

36

3132357R1

SHAFT

REAMER

1шт.

37

3132356R1

REAMER

ROD, SHAFT

1шт.

38

425-1516

JAM NUT,Jam, 1"-14, G5

1, HEX JAM

1шт.

39

3132355R1

SPACER

1шт.

40

3132358R1

REAMER

TOOL, 0.40 OVERSIZE

1шт.

40

3132359R1

TOOL

REAMER, 0.15 OVERSIZE

1шт.

41

3132363R1

CUTTER

TOOL, REAMER TAPERED

1шт.

42

426816

SCREW,Hex Soc Hd, 1/4"-20 x 3/4"

1/4-20 X 3/4 HEX. SOC. HD. CAP

1шт.

43

114507

JAM NUT,Jam, 5/8"-11, G5

1шт.

44

932666R1

KEY

1шт.

45

3132360R1

BUSHING

ADJUSTER

1шт.

46

2712141R91

GAUGE

SPARE PART COMPRESSION

1шт.

47

2712139R91

TOOL

SPARE PART COMPRESSOR, PISTON RING

1шт.

48

2712138R91

COMPRESSOR

SPARE PART VALVE SPRING

1шт.

3132743R95

TOOL KIT

SET, SERVICE, SMALL

1шт.

CONSISTS OF (1) PUNCH 3136331R1, (1) PUNCH 3055687R11, (1) SHIM 3055709R1, (1) SHIM 3055710R1, (1) WRENCH 3055795R2, (1) SPINDLE 3055690R1, (1) PLATE 3055693R1, (1) PIN 2700167R1, (1) TRIPOD 3055691R1, (1) ADAPTER 3055712R11, (1) PIPE 3055704R11, (1) SPINDLE 2700159R1, (1) PULLER 2711375R11, (3) BOLT 2711376R1, (1) PIN 102762, (1) PUNCH 3055699R1, (1) EXTENSION 3055700R1, (1) BUSHING 3055702R1, (1) PUNCH 3055696R1, (1) PUNCH 3136223R1

1шт.

Выбрано товаров: 68