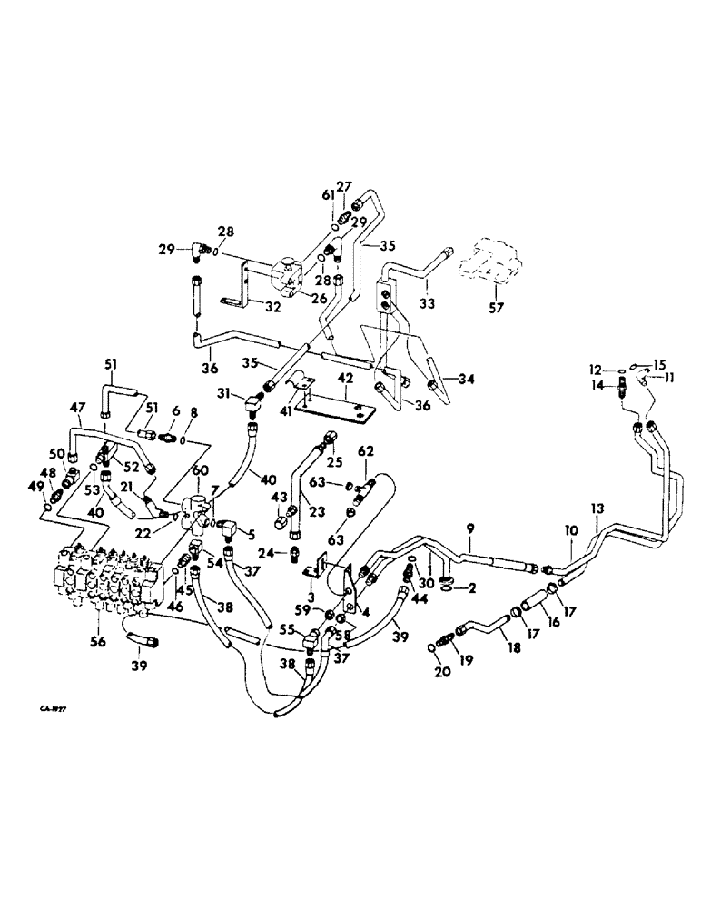
Запчасти Case IH 2400 (10-42) - HYDRAULICS, HYDRAULIC POWER SUPPLY, 2400 SERIES A TRACTORS WITH CAST REAR FRAME COVERS AND BACKHOE (07) - HYDRAULICS

Схема запчастей Case IH 2400 - (10-42) - HYDRAULICS, HYDRAULIC POWER SUPPLY, 2400 SERIES A TRACTORS WITH CAST REAR FRAME COVERS AND BACKHOE (07) - HYDRAULICS
43
63
54
13
35
45
28
27
14
17
50
52
57
2
23
36
48
39
62
4
16
1
22
60
46
29
24
6
10
37
51
5
61
58
59
11
63
15
42
8
56
40
39
53
20
33
26
40
37
3
34
35
29
47
9
12
21
44
38
25
31
30
32
28
19
38
17
18
7
36
41
49
51
55
FIT
1:1
100%

Артикул

Название

Примечание

Количество

1

547347R1

TUBE ASSY, Serial Range: pump-backhoe

1шт.

2

343906R1

O-RING,0.139" Thk x 1.296" ID, -219, Cl 6, 90 Duro

1-5/16 x 1-9/16 x 1/8

1шт.

3

547348R1

BRACKET, bulkhead support

1шт.

4

547349R1

BULKHEAD, pump-power beyond

1шт.

181566

BOLT,Hex, 1/4" - 28 x 3/4", Gr 5

SCREW, 1/4-28 x 3/4 znd hex-hd cap

2шт.

120392

WASHER,1/4", SAE

9/32 x 5/8 x 18 ga C-Z

2шт.

492-11025

LOCK WASHER,1/4"

WASHER, LOCK, 1/4"

2шт.

120367

NUT,Hex, 1/4" - 28, Gr 5

1/4-28 znd hex.

2шт.

5

545773R1

ELBOW

37 deg flared tube adj str-thd 90 deg

1шт.

6

9410204

HYD CONNECTOR,7/8"-14, 37 Degree x 7/8"-14, O-Ring

UNION, 7/8-14 37 deg hyd flared tube short swivel

2шт.

7

368269R1

O-RING,0.116" Thk x 0.924" ID, -912, Cl 6, 90 Duro

3/4 OD tube

1шт.

8

364885R1

O-RING,0.097" Thk x 0.755" ID, -910, Cl 6, 90 Duro

5/8 OD tube

2шт.

9

547351R1

TUBE ASSY, backhoe to loader power

1шт.

10

547352R2

TUBE ASSY, loader power beyond

1шт.

11

9411108

ELBOW,45 Degree, 1 3/16"-12 x 1 3/16"-12, 37 Degree

1-3/16-12 37 deg hyd flared tube adj str-thd 45 deg

1шт.

12

297459R1

O-RING,0.116" Thk x 1.048" ID, -914, Cl 6, 90 Duro

7/8 OD tube

1шт.

13

544493R1

TUBE ASSY, return

1шт.

14

9410207

HYD CONNECTOR,1 5/16"-12, 37 Degree x 1 5/16"-12, O-Ring

UNION, 1-5/16-12 37 deg hyd flared tube short swivel

1шт.

15

296247R1

O-RING,16-1, 90 Duro, 1.171" ID x .116" Thk

1 OD tube

1шт.

16

544494R1

HOSE, return line

1шт.

17

279024R91

HOSE CLAMP,#24, 1.06/2.00 Type F Worm

CLAMP, hose

2шт.

18

544495R1

TUBE ASSY, return

1шт.

19

574018R1

HYD CONNECTOR,1 5/16"-12, 37 Degree x 1 1/16"-12, O-Ring

UNION, 3/4-1 37 deg hyd flared tube short swivel

1шт.

20

368269R1

O-RING,0.116" Thk x 0.924" ID, -912, Cl 6, 90 Duro

3/4 OD tube

1шт.

21

9411106

ELBOW

7/8-14 37 deg hyd flared tube adj str-thd 45 deg

1шт.

22

364885R1

O-RING,0.097" Thk x 0.755" ID, -910, Cl 6, 90 Duro

5/8 OD tube

1шт.

23

547353R1

TUBE ASSY, hyd filler

1шт.

24

547354R1

ADAPTER

NPTF-37 deg flared str

1шт.

25

9403376

CAP,37 Degree, 1 5/16"-12

1-5/16-12 37 deg hyd flared tube

1шт.

26

389251R92

SPARE PART

VALVE ASSY, selector, optional w/383946R91

1шт.

26

383946R91

SPARE PART

VALVE ASSY, selector, optional w/389251R92, for components see list of parts under details of diverter valve

1шт.

27

9410204

HYD CONNECTOR,7/8"-14, 37 Degree x 7/8"-14, O-Ring

CONNECTOR, 7/8-14 37 deg flared tube

1шт.

28

364885R1

O-RING,0.097" Thk x 0.755" ID, -910, Cl 6, 90 Duro

5/8 OD tube

3шт.

29

9410978

ELBOW,90 Degree, 7/8"-14, 37 Degree x 7/8"-14, O-Ring

7/8-14 37 deg flared tube adj str-thd 90 deg

1шт.

30

296247R1

O-RING,16-1, 90 Duro, 1.171" ID x .116" Thk

1 in. OD tube

1шт.

31

9402944

ELBOW,90 Degree, 7/8"-14, 37 Degree x 7/8"-14, 37 Degree

7/8-14 37 deg flared tube 90 deg union

1шт.

32

547413R1

BRACKET, selector valve

1шт.

88542

BOLT,Hex, 1/4"-20 x 1/2", Gr 5

SCREW, 1/4-20 x 3/4 znd hex-hd cap

2шт.

280112

BOLT,Hex, 1/4" - 20 x 1-1/2", Gr 5

2шт.

138167

LOCK WASHER

WASHER, 1/4 znd internal lock

4шт.

33

547421R1

TUBE ASSY, aux. valve w/o draft control

1шт.

33

547416R1

TUBE ASSY, draft control & selector valve, for tractors w/draft control

1шт.

34

547424R1

TUBE ASSY, diverter

1шт.

35

547425R1

TUBE ASSY, Serial Range: diverter-backhoe

1шт.

36

547426R1

TUBE ASSY, power supply

1шт.

37

545774R1

HOSE ASSY, power, Serial Range: supply-backhoe

1шт.

38

545776R1

HOSE ASSY, power beyond

1шт.

39

545777R1

HOSE ASSY, return

1шт.

40

545775R1

HOSE ASSY, Serial Range: MVC-backhoe

1шт.

41

545764R1

CLAMP, hydraulic tube

1шт.

42

545763R1

BRACKET, clamp mounting

1шт.

413-410

BOLT,Hex, 1/4" - 20 x 5/8", Gr 5

SCREW, 1/4-20 x 5/8 znd hex-hd cap

2шт.

492-11025

LOCK WASHER,1/4"

WASHER, LOCK, 1/4"

2шт.

120375

NUT,Hex, 1/4" - 20, Gr 5

2шт.

43

9403373

CAP,37 Degree, 7/8"-14

7/8-14 37 deg hyd flared tube

1шт.

44

9410207

HYD CONNECTOR,1 5/16"-12, 37 Degree x 1 5/16"-12, O-Ring

UNION, 1-5/16-12 37 deg hyd flared tube short swivel

1шт.

45

481766R1

ADAPTER, 15/16 str-thd to 1-5/16 37 deg swivel

1шт.

46

296247R1

O-RING,16-1, 90 Duro, 1.171" ID x .116" Thk

1 OD tube

1шт.

47

547341R1

TUBE ASSY, flow, Serial Range: divider-swing

1шт.

48

9410204

HYD CONNECTOR,7/8"-14, 37 Degree x 7/8"-14, O-Ring

UNION, 7/8-14 37 deg hyd flared tube short swivel

1шт.

49

364885R1

O-RING,0.097" Thk x 0.755" ID, -910, Cl 6, 90 Duro

5/8 OD tube

1шт.

50

9410282

ELBOW,90 Degree, 7/8"-14, 37 Degree x 7/8"-14, 37 Degree Fem Sw

7/8-14 37 deg hyd flared tube 90 deg swivel

1шт.

51

547340R1

TUBE ASSY, flow divider to mid inlet

1шт.

52

545680R1

TEE, adj str thd reducer

1шт.

53

297459R1

O-RING,0.116" Thk x 1.048" ID, -914, Cl 6, 90 Duro

7/8 OD tubing

1шт.

54

547339R1

ELBOW, 1-15/16-12 37 deg hyd flared tube 90 deg

1шт.

55

9410284

ELBOW,90 Degree, 1 3/16"-12, 37 Degree x 1 3/16"-12, 37 Degree Fem Sw

1-3/16-12 37 deg hyd flared tube 90 deg swivel

1шт.

56

VALVES, hydraulic control, refer to hydraulic control valves listing

1шт.

57

VALVE ASSY, unloading and flow control, refer to unloading and flow control valve listing

1шт.

58

9403296

LOCK NUT,Blkhd, 1 1/16"-12

NUT, 1-1/16-12 bulkhead union lock

1шт.

59

9403297

LOCK NUT,Blkhd, 1 3/16"-12

NUT, 1-3/16-12 bulkhead union lock

1шт.

60

545229R91

VALVE, flow divider, for components see list of parts under details of flow divider valve

1шт.

61

296247R1

O-RING,16-1, 90 Duro, 1.171" ID x .116" Thk

1 in. OD tube

1шт.

62

(Not used in application)

1шт.

63

(Not used in application)

1шт.

Выбрано товаров: 75