Запчасти Case IH 2400 (07-10[1]) - DRIVE TRAIN, MULTI-VALVE (04) - Drive Train

Схема запчастей Case IH 2400 - (07-10[1]) - DRIVE TRAIN, MULTI-VALVE (04) - Drive Train
9
1
12
6
10
2
4
4
11
13
12
6
5
7
5
14
3
7
8
FIT
1:1
100%

Артикул

Название

Примечание

Количество

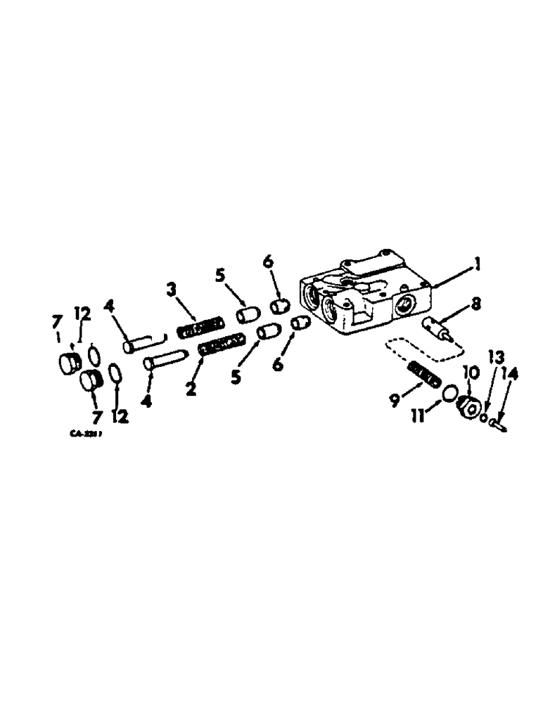
1

401094R2

BODY

1шт.

2

396128R1

SPRING

poppet valve HV

1шт.

3

396129R1

SPRING

poppet valve LT

1шт.

4

396130R2

PIN

poppet valve piston

2шт.

5

396131R3

VALVE POPPET

VALVE, poppet

2шт.

6

396132R1

BUSHING

poppet valve

2шт.

7

396133R1

PLUG

valve retaining

2шт.

8

529318R1

VALVE

cooler by-pass

1шт.

9

529319R1

SPRING

cooler by-pass

1шт.

10

535151R1

PLUG

cooler by-pass valve

1шт.

11

368269R1

O-RING,0.116" Thk x 0.924" ID, -912, Cl 6, 90 Duro

3/4 OD tube cooler by-pass valve plug

1шт.

12

297459R1

O-RING,0.116" Thk x 1.048" ID, -914, Cl 6, 90 Duro

7/8 OD tube valve retaining plug

2шт.

13

535152R91

WIPER SEAL

SEAL, oil

1шт.

14

535153R1

PIN

pressure check

1шт.

Выбрано товаров: 14