Запчасти Case IH 2400 (07-38) - DRIVE TRAIN, TRANSMISSION CONTROLS, HYDROSTATIC DRIVE TRACTORS (04) - Drive Train

Схема запчастей Case IH 2400 - (07-38) - DRIVE TRAIN, TRANSMISSION CONTROLS, HYDROSTATIC DRIVE TRACTORS (04) - Drive Train
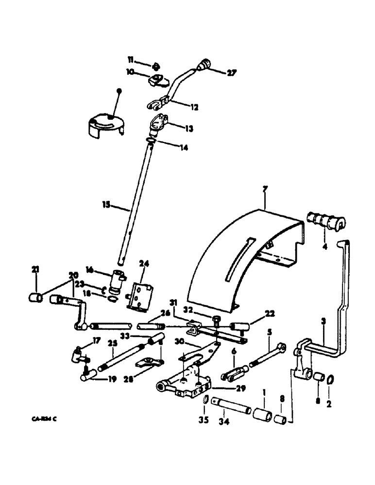
13
7
20
35
16
24
2
1
34
15
29
23
31
10
5
22
27
21
32
11
6
4
3
26
8
30
17
14
8
33
19
12
FIT
1:1
100%

Артикул

Название

Примечание

Количество

1

530934R1

SPACER

lever

1шт.

2

454331R1

SNAP RING,#87, Ext

Shift lever #87, Ext

1шт.

3

530935R1

LEVER

ASSY, range shift, also includes ref no. 8

1шт.

4

528138R1

HANDLE

range shift upper lever

1шт.

426372

HEX SOC SCREW,3/8" - 16 x 2 3/4"

SCREW, 3/8-16 x 2-3/4 zn soc-hd cap

1шт.

5

528139R1

ROD ASSY.

ROD ASSY, range shift rear, on orders for rod 528789R1, furnish rod 528139R1 and clevis 104038

1шт.

124925

JAM NUT,Jam, 3/8"-24, G5

1шт.

6

104038

ADJUSTABLE CLEVIS,3/8"-24 x 2 1/2"

CLEVIS, 3/8-24 x 2-1/4 adj rod end

1шт.

865197R1

CLEVIS PIN,3/8" x 1.218"

PIN, 3/8 x 1-7/32 rod end

1шт.

95-11041

WASHER,3/8"

(13/32 x 13/16 x .051) 3/8"

1шт.

103373

COTTER PIN,3/32" x 3/4"

Pin, Split (Cotter), 3/32" x 3/4"

2шт.

20614R1

CLEVIS PIN,9.53mm OD x 34.14mm L

PIN, 3/8 x 1-11/32 rod end

1шт.

7

528795R92

HOUSING ASSY, transmission shift pattern

1шт.

8

539245R1

BUSHING

2шт.

9

534636R2

HOUSING, hydrostatic control

1шт.

154041

SCREW, 5/16-18 x 2 C-Z cr-rec-fil-dh mach

2шт.

10

531339R2

STOP

hydrostatic control handle

1шт.

11

531340R1

KNOB

hydrostatic control handle fluted

1шт.

12

69743C1

HANDLE, hydrostatic control, on orders for handle 531341R1 or 537329R2 furnish handle 69743C1 and knob 397931R2

1шт.

591184R1

PIN,3/16" x 1 1/4", Coiled

1шт.

13

531342R2

BRACKET

control handle pivot

1шт.

23301R1

LOCK PIN,5/16" x 1 1/4", Slotted

Pin, 5/16" x 1 1/4", Slotted

1шт.

14

454331R1

SNAP RING,#87, Ext

Control handle pivot bracket #87, Ext

1шт.

15

531343R2

ROD

control handle

1шт.

16

531360R2

BRACKET

GATE ASSY, hydrostatic control

1шт.

591184R1

PIN,3/16" x 1 1/4", Coiled

1шт.

17

531345R1

ARM ASSY.

ARM ASSY, speed control

1шт.

18

269181R1

SNAP RING,#75, Ext

Ring, Snap, , speed control arm hub #75, Ext

1шт.

20064R1

PIN,4.78mm OD x 31.75mm L

PIN, 3/16 x 1-1/4 dowel

1шт.

19

310673R91

BALL JOINT

JOINT, 5/16-24 x 1-9/16 CDP ball, replaces 24835R1

1шт.

124920

JAM NUT,Jam, 5/16"-24, G5

1шт.

80681

LOCK WASHER,5/16"

WASHER, LOCK, 5/16"

1шт.

20

531348R23

LEVER

ASSY, shuttle control

1шт.

21

531350R1

BUSHING

1шт.

22

534930R1

BALL JOINT

JOINT, 3/8-24 x 1-11/32 cd/pltd LH thd ball

1шт.

124925

JAM NUT,Jam, 3/8"-24, G5

1шт.

120382

LOCK WASHER,Helical Spring, 3/8"

WASHER, LOCK, 3/8"

1шт.

23

370290R1

SNAP RING,#50, .392" Dia, E-Type

Ring, Retaining, , neutral gate latch pivot pin #50, .392" Dia, E-Type

1шт.

24

531353R2

LATCH ASSY, neutral gate

1шт.

180122

BOLT,Hex, 3/8" - 16 x 1", Gr 5

3/8-16 x 1 znd hex-hd cap

2шт.

120382

LOCK WASHER,Helical Spring, 3/8"

WASHER, LOCK, 3/8"

2шт.

25

536959R1

ROD, speed control, replaces 531358R1

1шт.

124920

JAM NUT,Jam, 5/16"-24, G5

1шт.

455332

NUT,Jam, 5/16"-18, G5, LH

5/16-24 zn-pltd LH thd hex.

1шт.

26

531359R1

ROD

shuttle spool control

1шт.

124925

JAM NUT,Jam, 3/8"-24, G5

2шт.

23460R1

NUT,Jam, 3/8"-24, G5, LH

1шт.

27

402584R1

BUTTON

KNOB, control handle, used with handle 531341R1 and 537329R2

1шт.

27

397931R2

GRIP

KNOB, control handle, used with handle 69743C1

1шт.

27

397931R2GV

SPRING

Value, Knob

1шт.

28

403516R1

ARM

cam actuating

1шт.

19534R1

PIN,1/4" x 1 1/2", Coiled

1шт.

29

401852R92

VALVE

ASSY, drive control, for components, see list of parts under details of drive control valve

1шт.

30

531372R1

BRACKET

shuttle spool control rod

1шт.

31

531373R11

LEVER ASSY.

LEVER W/2 PIN, shuttle spool control rod

1шт.

21061R1

DOWEL,3/8" x 1/2"

PIN, 3/8 x 1/2 dowel

2шт.

32

531375R1

BOLT,3/8" - 16 x 1 1/16"

pivot

1шт.

124829

JAM NUT,Hex, 3/8" - 16, Gr 5

1шт.

120382

LOCK WASHER,Helical Spring, 3/8"

WASHER, LOCK, 3/8"

1шт.

33

25472R1

BALL JOINT

JOINT, 5/16-24 x 1-9/16 CD-PLTD Lh thd ball, replaces 534929R1

1шт.

124920

JAM NUT,Jam, 5/16"-24, G5

1шт.

80681

LOCK WASHER,5/16"

WASHER, LOCK, 5/16"

1шт.

34

527853R1

SHAFT

range shift lever

1шт.

617940R1

PIN,5/16" x 1 3/4", Coiled

1шт.

615192R1

WASHER

29/32 x 1-1/4 x .0299

1шт.

35

350667R1

O-RING,0.103" Thk x 0.674" ID, -115, Cl 5, 75 Duro

11/16 x 7/8 x 3/32

1шт.

Выбрано товаров: 66