Запчасти Case IH 2500 (07-069) - TRANSMISSION CONTROLS, SYNCHROMESH DRIVE (04) - Drive Train

Схема запчастей Case IH 2500 - (07-069) - TRANSMISSION CONTROLS, SYNCHROMESH DRIVE (04) - Drive Train
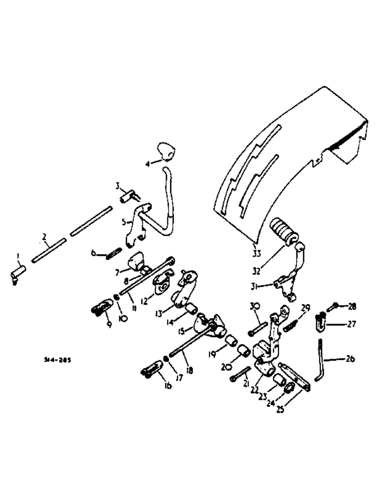
10
25
26
28
24
12
5
31
32
33
20
17
21
16
13
11
4
3
23
29
9
14
1
2
6
30
15
8
19
18
27
22
7
FIT
1:1
100%

Артикул

Название

Примечание

Количество

1

537469R1

SWING JOINT

3/8-24 X 1-3/32 BALL

1шт.

1

392594R1

END ASSY.

JOINT, 3/8-24 X 1-3/32 BALL -OPTIONAL

1шт.

103026

NUT,3/8"-24, G5

3шт.

2

528122R1

ROD

SPEED SHIFT LEVER

1шт.

3

537469R1

SWING JOINT

3/8-24 X 1-3/32 BALL

1шт.

3

392594R1

END ASSY.

JOINT, 3/8-24 X 1-3/32 BALL -OPTIONAL

1шт.

4

379022R2

KNOB

SPEED SHIFT LEVER

1шт.

5

530532R1

LEVER

ASSY, SPEED SHIFT

1шт.

6

366281R1

PIN,3/8" x 2", Coiled

1шт.

7

530932R1

HUB ASSY.

TRANSMISSION SHIFT HAND LEVER

1шт.

615192R1

WASHER

29/32 X 1-1/4 X .0299

1шт.

8

539245R1

BUSHING

1шт.

9

161003C1

NO LONGER SERVICED

CLEVIS CLEVIS 3/8-24 X 2-1/4 ROD END

1шт.

9

213-316

ADJUSTABLE CLEVIS,3/8" - 24

3/8-24 X 2-3/16 SHORT ROD END -OPTIONAL-

1шт.

865197R1

CLEVIS PIN,3/8" x 1.218"

3/8 X 1-7/32 ROD END

1шт.

95-11041

WASHER,3/8"

(13/32 x 13/16 x .051)

1шт.

103373

COTTER PIN,3/32" x 3/4"

1шт.

10

124925

JAM NUT,Jam, 3/8"-24, G5

1шт.

11

528141R1

ROD ASSY.

RANGE SHIFT REAR

1шт.

12

528123R1

PIVOT ASSY.

GATE ASSY, RANGE SHIFT

1шт.

617940R1

PIN,5/16" x 1 3/4", Coiled

5/16" x 1 3/4", Coiled

1шт.

13

528126R2

LEVER ASSY.

IDLER SHAFT INNER

1шт.

Q3641

WASHER

13/32 X 3/4 X .020

1шт.

107761

COTTER PIN,1/16" x 5/8"

1шт.

14

539245R1

BUSHING

1шт.

15

528129R1

LEVER ASSY.

IDLER SHAFT OUTER

1шт.

Q3641

WASHER

13/32 X 3/4 X .020

1шт.

107761

COTTER PIN,1/16" x 5/8"

1шт.

16

161003C1

NO LONGER SERVICED

CLEVIS CLEVIS 3/8-24 X 2-1/4 ROD END

1шт.

16

213-316

ADJUSTABLE CLEVIS,3/8" - 24

3/8-24 X 2-3/16 SHORT ADJ ROD END -OPTIONAL-

1шт.

865197R1

CLEVIS PIN,3/8" x 1.218"

3/8 X 1-7/32 ROD END

1шт.

95-11041

WASHER,3/8"

(13/32 x 13/16 x .051)

1шт.

103373

COTTER PIN,3/32" x 3/4"

1шт.

17

124925

JAM NUT,Jam, 3/8"-24, G5

1шт.

18

528139R1

ROD ASSY.

RANGE SHIFT FRONT

1шт.

19

539245R1

BUSHING

1шт.

20

539245R1

BUSHING

1шт.

21

22963R1

HEADED PIN,5/16" x 2 1/4"

5/16 X 2-1/4 STD HD

1шт.

22

530933R1

LEVER

ASSY, RANGE SHIFT

1шт.

95-11034

WASHER,1/4"

11/32 X 11/16 X .051

2шт.

103384

COTTER PIN,1/8" x 3/4"

2шт.

23

539245R1

BUSHING

1шт.

24

454331R1

SNAP RING,#87, Ext

Shift lever

1шт.

25

528134R1

LATCH

RANGE SHIFT LEVER

1шт.

26

528135R1

ROD

RANGE SHIFT LEVER

1шт.

95-11034

WASHER,1/4"

11/32 X 11/16 X .051

2шт.

107762

WASHER,3/32" x 5/8"

2шт.

27

104037

CLEVIS

5/16-24 X 2-1/4 ROD END

1шт.

27

161002C1

NO LONGER SERVICED

CLEVIS CLEVIS, 5/16-24 X 2-1/4 ROD END -OPTIONAL-

1шт.

28

39374D

CLEVIS PIN,5/16" x 1 1/16"

5/16 X 1-1/16 ROD END

1шт.

29

528136R1

SPRING

SHIFT LEVER RETURN

1шт.

30

22963R1

HEADED PIN,5/16" x 2 1/4"

5/16 X 2-1/4 STD HD

1шт.

31

528137R1

LEVER

RANGE SHIFT UPPER

1шт.

32

528138R1

HANDLE

RANGE SHIFT UPPER LEVER

1шт.

426372

HEX SOC SCREW,3/8" - 16 x 2 3/4"

3/8-16 X 2-3/4 ZN SOC-HD CAP

1шт.

33

529384R21

HOUSING ASSY.

TRANSMISSION SHAFT

1шт.

UP TO 000740 ORDER 529384R21 W/FIVE BOLT 181593 FIVE NUT 120368R1 AND FIVE WASHER 120214

1шт.

Выбрано товаров: 57