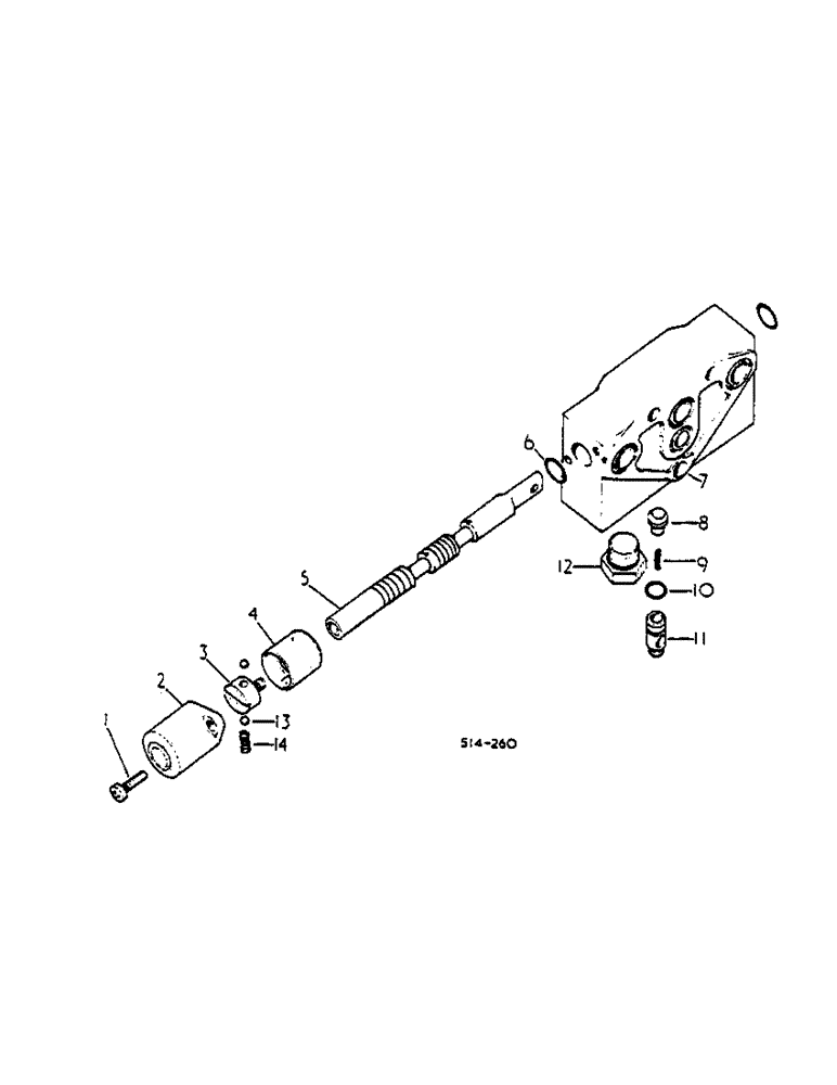
Запчасти Case IH 2500 (10-046) - SINGLE ACTING AUXILIARY HYDRAULIC VALVE, 574 S/N 010386 AND UP, 2500 S/N 000612 AND UP (07) - HYDRAULICS

Схема запчастей Case IH 2500 - (10-046) - SINGLE ACTING AUXILIARY HYDRAULIC VALVE, 574 S/N 010386 AND UP, 2500 S/N 000612 AND UP (07) - HYDRAULICS
13
1
7
8
5
9
12
14
4
6
3
11
2
10
FIT
1:1
100%

Артикул

Название

Примечание

Количество

3116055R92

HYDRAULIC VALVE

ASSY SINGLE ACTING AUX

1шт.

ON ORDERS FOR VALVE 3116055R91 FURNISH R92 W/TWO O-RINGS 392385R1, FOUR O-RINGS 384578R1 AND TWO O-RINGS 393349R1.

1шт.

1

3113064R1

SCREW

2шт.

2

3113059R1

CAP

END

1шт.

3

3116057R1

CARRIER

DETENT

1шт.

4

3116058R1

CAGE

DETENT

1шт.

5

NSS

NOT SOLD SEPARAT

1шт.

6

128359

O-RING,0.07" Thk x 0.614" ID, -16, Cl 5, 75 Duro

5/8 X 3/4 X 1/16

2шт.

7

NSS

NOT SOLD SEPARAT

1шт.

8

3113068R1

VALVE POPPET

1шт.

9

3113069R1

SPRING

CHECK VALVE

1шт.

10

391914R1

O-RING,0.07" Thk x 0.426" ID, -13, Cl 6, 90 Duro

7/16 X 9/16 X 1/16

1шт.

11

3113070R1

GUIDE

CHECK VALVE

1шт.

12

3113071R1

PLUG

SPARE PART ASSY 7/8 UNF

1шт.

13

17008R1

BALL,1/4" Dia

Steel

2шт.

14

3113065R1

SPRING

DETENT

1шт.

Выбрано товаров: 16