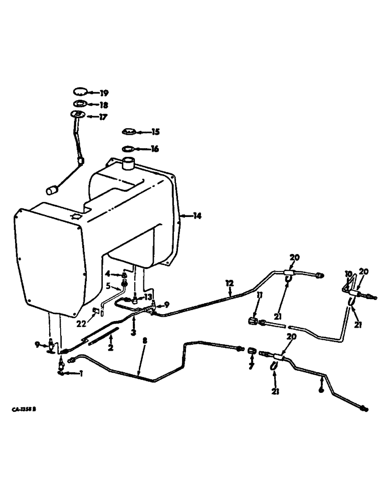
Запчасти Case IH 2500 (12-05) - POWER, FUEL TANK AND PIPING, DIESEL ENGINE TRACTORS Power

Схема запчастей Case IH 2500 - (12-05) - POWER, FUEL TANK AND PIPING, DIESEL ENGINE TRACTORS Power
5
19
8
20
12
10
4
9
20
18
15
14
17
7
21
21
21
9
3
1
2
16
22
20
11
6
13
FIT
1:1
100%

Артикул

Название

Примечание

Количество

1

528926R1

VALVE,1/2" - 20 x 3/8" - 18 NPTF

ASSY, shut-off

1шт.

2

530107R1

FUEL HOSE,0.31" ID x 10.00"

Balance Tube Spacer 0.31" ID x 10.00"

1шт.

3

528931R1

TUBE

ASSY, crossover

1шт.

3

528922R1

TUBE

ASSY, crossover, tractors w/grove attachment

1шт.

4

442322

ROD, CONNECTING

CONNECTOR 1/8 PT x 5/16 inverted flared tube, tractors underslung exhaust

1шт.

5

539938R1

VENTILATION PIPE

TUBE ASSY, tank breather, replaces 528923R1

1шт.

222-1003

TUBE NUT,5/16" Tube, 45 Degree Inv Fl

NUT, 1/2-20 inverted flared tube, tractorrs w/underslung exhaust

2шт.

6

536011R1

TUBE

ASSY, union to diesel filter, tractors w/serial no. 5686 and below

1шт.

6

66024C1

TUBE

ASSY, union to diesel filter, tractors w/serial no. 5687 and above

1шт.

7

442337

NUT

UNION, 1/2-20 inverted flared tube

1шт.

8

536005R1

TUBE

ASSY, union to shut-off valve

1шт.

8

536004R1

TUBE

ASSY, union to shut-off valve, tractors w/grove attachment

1шт.

9

536002R2

VALVE

ASSY, fuel shut-off

2шт.

10

536006R1

FUEL TUBE

TUBE ASSY, fuel return front

1шт.

222-1003

TUBE NUT,5/16" Tube, 45 Degree Inv Fl

NUT, 1/2-20 inverted flared tube

2шт.

11

442337

NUT

UNION, 1/2-20 inverted flared tube

1шт.

12

536008R1

FUEL TUBE

TUBE ASSY, fuel return rear

1шт.

12

536007R1

FUEL TUBE

TUBE ASSY, fuel return rear, tractors w/grove attachment

1шт.

13

528929R1

CHECK VALVE

VALVE ASSY, check

1шт.

14

529371R92

TANK

ASSY, fuel w/filler cap

1шт.

14

529369R92

TANK

ASSY, fuel w/filler cap, tractors w/grove attachment, includes ref nos 15 and 16

1шт.

180075

BOLT,Hex, 5/16" - 18 x 5/8", Gr 5

5/16 x 5/8 type 5

6шт.

120376

NUT,5/16"-18, G5

6шт.

80681

LOCK WASHER,5/16"

WASHER, LOCK, 5/16"

1шт.

113-206

BOLT,Hex, 3/8" - 16 x 3/4", Gr 5, Full Thd

3/8-16 x 3/4 hex-hd cap

2шт.

120377

NUT,3/8" - 16, Gr 5

2шт.

120382

LOCK WASHER,Helical Spring, 3/8"

WASHER, LOCK, 3/8"

2шт.

15

538063R1

PLUG

CAP ASSY, fuel tank filler, replaces 529370R1

1шт.

16

23977DB

GASKET

fuel tank filler cap

1шт.

17

531974R2

SENDER UNIT

SENDING UNIT, electric fuel gauge, optional w/534226R2

1шт.

17

534226R2

SENDER UNIT

SENDING UNIT, electric fuel gauge, optional w/531974R2

1шт.

1310675C1

CAPTIVE WASHER SCREW,Sl Truss Hd, #10 - 24 x 0.75"

SCREW, LOCK, , Sending unit mounting Sltd Truss Hd, #10-24 x 3/4", w/nylon LW

5шт.

18

369154R1

GASKET

sending unit

1шт.

19

529825R2

CYLINDER END CAP

CAP, fuel gage flange

1шт.

440-1106

SCREW,Cross Pan Hd, #10-24 x 3/8"

10-24 x 3/8 C-Z rc-rec-pan-hd mach

1шт.

20

HOSE, fuel line, furnish 2.5 inches from bulk hose 530107R1

3шт.

21

289862C1

CABLE TIE,3/16" x 7"

STRAP

3шт.

22

539940R1

CLIP

breather line, tractors w/underslung exhaust screw, 5/8-11

1шт.

NLS

NO LONGER SERVICED

5/8-11 x 3/4 znd hex-hd cap x 3/4 znd hex-hd cap

1шт.

538393R1

FILLER CAP

PLUG, fuel tank vent pipe flange

1шт.

Выбрано товаров: 40