Запчасти Case IH 2500 (12-12) - POWER, GOVERNOR CONTROLS, GASOLINE ENGINE TRACTORS Power

Схема запчастей Case IH 2500 - (12-12) - POWER, GOVERNOR CONTROLS, GASOLINE ENGINE TRACTORS Power
6
7
16
5
13
2
10
5
15
18
4
1
3
11
12
14
17
19
9
8
FIT
1:1
100%

Артикул

Название

Примечание

Количество

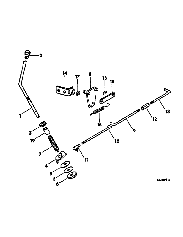
1

69747C1

ROD, governor control handle, on order for 528288R2 furnish rod 69747C1 and knob 397931R2

1шт.

19313R1

PIN,5/32" x 7/8", Coiled

2шт.

2

402584R1

BUTTON

KNOB, governor control handle, used w/rod 528288R2

1шт.

2

397931R2

GRIP

KNOB, governor control handle, used w/rod 69747C1

1шт.

2

397931R2GV

SPRING

Value, Knob

1шт.

3

528290R1

GUIDE RING

COLLAR, governor control handle

1шт.

222335

SET SCREW,Hex Soc, #8-32 x 3/8"

SCREW, 8-32 x 3/8 hex-soc-hd-f-pt set

1шт.

4

528291R3

ARM ASSY.

ARM ASSY, governor control rod

1шт.

5

394716R1

DISC

governor control friction

2шт.

6

528294R1

PLATE ASSY.

PLATE ASSY, governor control friction

1шт.

19313R1

PIN,5/32" x 7/8", Coiled

1шт.

7

401663R1

SPRING

governor control pressure, tractors with serial no. 7324 and below

1шт.

120396

WASHER

17/32 x 1-1/16 x .074 C-Z

2шт.

19368R1

PIN,5/32" x 1", Coiled

2шт.

7

65344C1

SPRING

friction control, tractors with serial no. 7325 and above

1шт.

19313R1

PIN,5/32" x 7/8", Coiled

Friction plate brg 5/32" x 7/8", Coiled

1шт.

8

532084R1

LEVER

ASSY, governor control equalizer

1шт.

9

532090R1

ROD

governor control

1шт.

103361

PIN, SPLIT (COTTER)

PIN, 1/16 x 1/2 cot.

2шт.

10

528335R2

ROD, rear governor control

1шт.

NLS

NO LONGER SERVICED

PIN, 1/16 x 1/2 cot.

1шт.

11

109400

STEERING KNUCKLE

JOINT, 1/4-28 ball, optional w/19318R1

1шт.

11

19318R1

BALL JOINT

JOINT, 1/4-28 ball, optional w/ 109400

1шт.

114492

JAM NUT,Jam, 1/4"-28, G5

1/4-28 hex. jam

1шт.

25-114

NUT,1/4"-28, G5

1/4-28 hex.

1шт.

103319

LOCK WASHER,1/4"

WASHER, LOCK, 1/4"

1шт.

12

532080R1

TURNBUCKLE

1шт.

120613

JAM NUT,Hex, 1/4" - 28, Gr 5

1шт.

126183

NUT,1/4"-28, G5, LH

1/4-28 LH thd hex.

1шт.

13

532088R1

ROD

front governor control

1шт.

14

532081R1

BRACKET

ASSY, equalizer lever

1шт.

179795

TILLAGE BLADE

SCREW, 1/4-20 x 3/4 hex-hd cap

2шт.

103319

LOCK WASHER,1/4"

WASHER, LOCK, 1/4"

2шт.

109084

NUT,1/4"-20, G5

2шт.

15

532082R1

LINK

spring anchor

1шт.

16

370587R1

SPRING

governor control balance

1шт.

17

110668R1

CIRCLIP,#37, .300" Dia, E-Type

Ring, Retaining, #37, .300" Dia, E-Type

1шт.

18

104977R1

SNAP RING,#X31, .243" Dia, E-Type

RING, RETAINING, #X31, .243" Dia, E-Type

1шт.

19

65345C1

SPACER

adjustable, tractors with serial no. 7325 and above

1шт.

219758

JAM NUT,Jam, 3/4"-10, G5

3/4-16 znd hex. jam

1шт.

467750R1

WASHER

25/32 x 1-1/2 x .120 znd

1шт.

Выбрано товаров: 41