Запчасти Case IH 454 (07-85) - DRIVE CONTROL AND FOOT-N-INCH VALVE TUBING (04) - Drive Train

Схема запчастей Case IH 454 - (07-85) - DRIVE CONTROL AND FOOT-N-INCH VALVE TUBING (04) - Drive Train
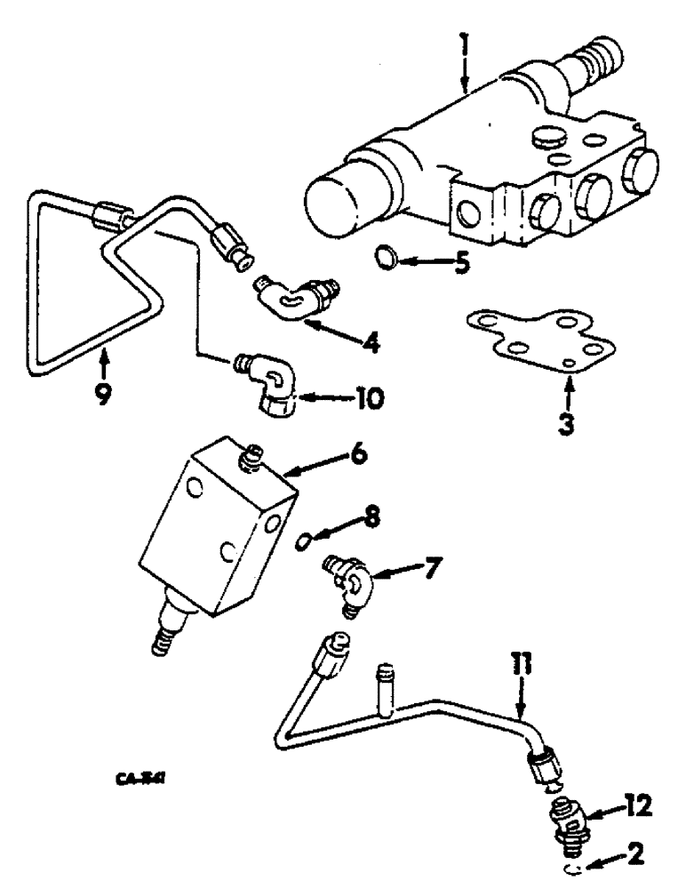
6
2
7
1
4
10
3
11
8
5
12
9
FIT
1:1
100%

Артикул

Название

Примечание

Количество

1

401852R91

LOCK VALVE

ASSY, DRIVE CONTROL, SEE FIGURE 07-86

1шт.

180137

BOLT,Hex, 3/8" - 16 x 2 3/4", Gr 5

SCREW, 3/8-16 X 3 ZND HEX-HD CAP

2шт.

42947V

CLEVIS PIN,1/4" x 1 1/8"

1/4 X 1-1/8 ROD END

1шт.

95-11028

WASHER,1/4"

9/32 X 5/8 X .051

1шт.

103362

COTTER PIN,1/16" x 3/4"

1шт.

3

SUPPORT

O-RING, 9/16 X 3/4 X 3/32

1шт.

3

405032R1

GASKET

DRIVE CONTROL VALVE

1шт.

4

9410974

ELBOW,90 Degree, 7/16"-20, 37 Degree x 7/16"-20, O-Ring

7/16-20 C-Z 37 DEG HYD FLARED TUBE ADJ STR THD 90 DEG DRIVE CONTROL VALVE

1шт.

5

369751R1

O-RING,0.072" Thk x 0.351" ID, -904, Cl 6, 90 Duro

1/4 OD tube, Drive control valve, Elbow

1шт.

6

398705R91

VALVE

ASSY, FOOT-N-INCH, SEE FIGURE 07-88

1шт.

180130

BOLT,Hex, 3/8" - 16 x 2", Gr 5

SCREW, 3/8-16 X 2 ZND HEX-HD CAP

2шт.

120382

LOCK WASHER,Helical Spring, 3/8"

2шт.

120377

NUT,3/8" - 16, Gr 5

2шт.

7

9410975

ELBOW,90 Degree, 1/2"-20, 37 Degree x 1/2"-20, O-Ring

1/2-20 C-Z 37 DEG HYD FLARED TUBE ADJ STR THD 90 DEG FOOT-N-INCH VALVE

1шт.

2

369384R1

O-RING,0.072" Thk x 0.414" ID, -905, Cl 6, 90 Duro

5/16 OD tube

1шт.

8

369384R1

O-RING,0.072" Thk x 0.414" ID, -905, Cl 6, 90 Duro

5/16 OD tube

1шт.

9

529626R1

TUBE

ASSY, PILOT VALVE PRESSURE

1шт.

10

9410278

ELBOW,90 Degree, 7/16"-20, 37 Degree x 7/16"-20, 37 Degree Fem Sw

UNION, 7/16-20 C-Z 37 DEG HYD FLARED TUBE 90 DEG SWIVEL, PILOT VALVE PRESSURE TUBE

1шт.

11

529627R1

TUBE ASSY.

SPARE PART PILOT VALVE DUMP

1шт.

12

9411103

ELBOW,45 Degree, 1/2"-20, 37 Degree x 1/2"-20, O-Ring

1/2-20 C-Z 37 DEG HYD FLARED TUBE ADJ STR THD 45 DEG, HS DRIVE UNIT HOUSING COVER

1шт.

Выбрано товаров: 20