Запчасти Case IH 454 (07-97) - FOOT SPEED CONTROLS, TUBES AND VALVES (04) - Drive Train

Схема запчастей Case IH 454 - (07-97) - FOOT SPEED CONTROLS, TUBES AND VALVES (04) - Drive Train
22
18
33
10
25
23
32
26
28
37
35
14
15
46
1
2
41
27
11
43
4
31
9
8
30
20
34
3
40
42
12
5
45
24
44
39
29
13
38
17
7
36
19
6
21
16
FIT
1:1
100%

Артикул

Название

Примечание

Количество

1

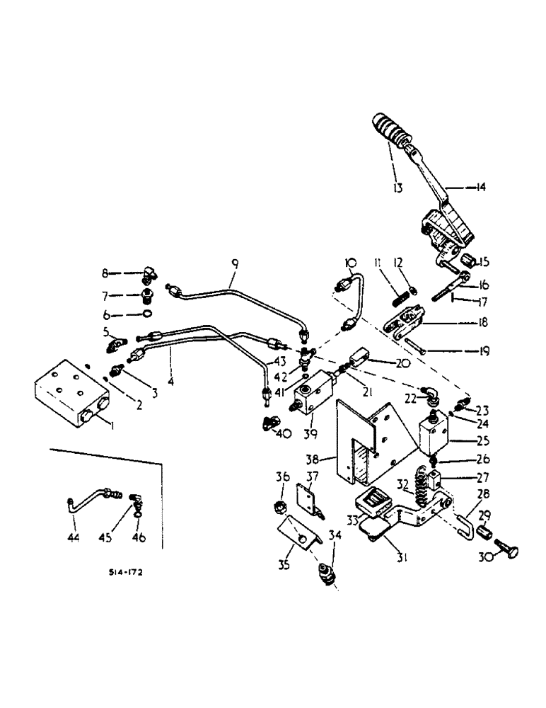
MANIFOLD ASSY, CHECK VALVE, SEE FIGURE 07-94

1шт.

180130

BOLT,Hex, 3/8" - 16 x 2", Gr 5

SCREW, 3/8 X 2 HEX HD CAP

2шт.

3

9410200

HYD CONNECTOR,7/16" - 20 JIC x 7/16" - 20 ORB

7/16-20 C-Z 37 DEG HYD FLARED TUBE SHORT SWIVEL

1шт.

4

537924R1

TUBE ASSY.

FOOT-N-INCH PRESSURE

1шт.

5

9411102

ELBOW,45 Degree, 7/16"-20, 37 Degree x 7/16"-20, O-Ring

7/16-20 C-Z 37 DEG HYD FLARED TUBE ADJ STR THD 45 DEG

1шт.

6

570828R1

O-RING,0.087" Thk x 0.644" ID, -908, Cl 6, 90 Duro

1/2 OD TUBE

1шт.

7

24900R1

HYD CONNECTOR,1/2"-20, 37 Degree x 3/4"-16, O-Ring

1шт.

8

9410279

ELBOW,90 Degree, 1/2"-20, 37 Degree x 1/2"-20, 37 Degree Fem Sw

1/2-20 C-Z 37 DEG HYD FLARED TUBE 90 DEG SWIVEL

1шт.

9

537927R1

TUBE ASSY.

SPARE PART DECELERATOR VALVE DUMP

1шт.

10

537925R1

TUBE ASSY.

SPARE PART FOOT-N-INCH DUMP

1шт.

11

404290R1

SPRING

DECELERATOR VALVE CLEVIS

1шт.

12

446548

WASHER,0.38" ID x 0.75" OD x 0.05" Thk

3/8 X 3/4 X 16 GA

1шт.

13

528138R1

HANDLE

RANGE SHIFT LEVER

1шт.

14

537941R11

LEVER

ASSY, RANGE SHAFT

1шт.

15

539245R1

BUSHING

RANGE SHIFT LEVER

2шт.

16

537940R1

ROD

SPARE PART DECELERATOR VALVE CLEVIS

1шт.

17

19372R1

PIN,3.17mm OD x 22.23mm L, Coiled

1шт.

18

537939R1

CLEVIS

DECELERATOR VALVE

1шт.

19

22751R1

HEADED PIN,5/16" x 1 5/8"

1шт.

24

369384R1

O-RING,0.072" Thk x 0.414" ID, -905, Cl 6, 90 Duro

5/16 OD tube

1шт.

103384

COTTER PIN,1/8" x 3/4"

1шт.

41

369384R1

O-RING,0.072" Thk x 0.414" ID, -905, Cl 6, 90 Duro

5/16 OD tube

1шт.

20

398766R1

UNION

BLOCK, DECELERATOR VALVE ADJUSTING

1шт.

21

120368

NUT,5/16"-24, G5

1шт.

22

9410278

ELBOW,90 Degree, 7/16"-20, 37 Degree x 7/16"-20, 37 Degree Fem Sw

7/16-20 C-Z 37 DEG HYD FLARED TUBE 90 DEG SWIVEL

1шт.

23

9410201

HYD CONNECTOR,1/2"-20, 37 Degree x 1/2"-20, O-Ring

1/2-20 C-Z 37 DEG HYD FLARED TUBE SHORT SWIVEL

1шт.

25

398705R91

VALVE

ASSY, FOOT-N-INCH, SEE FIGURE 07-88

1шт.

120377

NUT,3/8" - 16, Gr 5

2шт.

180130

BOLT,Hex, 3/8" - 16 x 2", Gr 5

SCREW, 3/8-16 X 2 HEX HD CAP

2шт.

120382

LOCK WASHER,Helical Spring, 3/8"

2шт.

26

120363

NUT, 5/16-24 HEX

1шт.

27

398766R1

UNION

BLOCK, FOOT-N-INCH VALVE ADJUSTING

1шт.

28

534463R1

NO LONGER SERVICED

LINK ASSY, FOOT-N-INCH VALVE PEDAL

1шт.

103384

COTTER PIN,1/8" x 3/4"

1шт.

29

537936R1

BUSHING

SPARE PART

1шт.

30

532965R3

BOLT,3/8" - 16 x 1.7"

FOOT-N-INCH PEDAL PIVOT SHOULDER

1шт.

120377

NUT,3/8" - 16, Gr 5

1шт.

120382

LOCK WASHER,Helical Spring, 3/8"

1шт.

31

537933R91

PEDAL

ASSY, FOOT-N-INCH

1шт.

32

537938R1

SPRING

FOOT-N-INCH PEDAL RETURN

1шт.

33

237672R1

PAD

FOOT-N-INCH PEDAL

1шт.

34

3072122R91

IGNITION SWITCH

ASSY, NEUTRAL STARTING

1шт.

35

539595R1

BRACKET

NEUTRAL STARTING SWITCH

1шт.

36

3112570R1

NUT

NEUTRAL STARTING SWITCH

1шт.

37

539596R1

SUPPORT ASSY.

SPARE PART NEUTRAL STARTING SWITCH

1шт.

120375

NUT,Hex, 1/4" - 20, Gr 5

4шт.

413-412

BOLT,Hex, 1/4" - 20 x 3/4", Gr 5

4шт.

492-11025

LOCK WASHER,1/4"

4шт.

38

537928R1

BRACKET

ASSY, VALVE MOUNTING

1шт.

186282

BOLT,Hex, 3/8" - 16 x 3 1/4", Gr 5

SCREW, 3/8-16 X 3-1/4 HEX HD CAP

2шт.

39

404211R91

VALVE

ASSY, DECELERATOR, SEE FIGURE 07-93

1шт.

120377

NUT,3/8" - 16, Gr 5

2шт.

180130

BOLT,Hex, 3/8" - 16 x 2", Gr 5

SCREW, 3/8-16 X 2 HEX HD CAP

2шт.

120382

LOCK WASHER,Helical Spring, 3/8"

2шт.

40

9410278

ELBOW,90 Degree, 7/16"-20, 37 Degree x 7/16"-20, 37 Degree Fem Sw

7/16-20 37 DEG HYD FLARED TUBE 90 DEG SWIVEL

1шт.

42

9411129

TEE,1/2"-20, 37 Degree x 1/2"-20, O-Ring Run

1/2-20 C-Z 37 DEG HYD FLARED TUBE ADJ STR THD 90 DEG

1шт.

43

537926R1

TUBE ASSY.

DECELERATOR VALVE PRESSURE

1шт.

44

539461R1

TUBE ASSY.

SPARE PART BRAKE RESERVOIR DUMP

1шт.

45

9411103

ELBOW,45 Degree, 1/2"-20, 37 Degree x 1/2"-20, O-Ring

1/2-20 C-Z 37DEG HYD FLARED TUBE ADJ STR THD 45 DEG, HS DRIVE UNIT HOUSING COVER

1шт.

46

369384

O-RING, 9/16 X 3/4 X 3/32

1шт.

Выбрано товаров: 60