Запчасти Case IH 454 (10-02) - HYDRAULIC POWER SUPPLY AND MULTI CONTROL VALVE, 454/008693 UP (07) - HYDRAULICS

Схема запчастей Case IH 454 - (10-02) - HYDRAULIC POWER SUPPLY AND MULTI CONTROL VALVE, 454/008693 UP (07) - HYDRAULICS
3
26
10
19
7
16
5
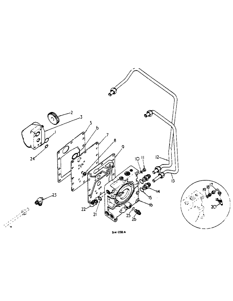
1
25
20
11
17
9
13
23
21
14
24
18
15
22
8
6
12
2
FIT
1:1
100%

Артикул

Название

Примечание

Количество

1

372821R1

O-RING,0.103" Thk x 1.049" ID, -121, Cl 5, 75 Duro

1-1/16 X 1-1/4 X 3/32, PUMP SUCTION PORT

1шт.

2

406764R1

PINION

GEAR, HYD PUMP DRIVEN, 27T

1шт.

19258R1

LOCK NUT,1/2"-20, GB

1/2-20 ESNA STOP

1шт.

3

406827R91

PUMP

ORDER PUMP 67248C91, CESSNA

1шт.

3

84573150R

REMAN-HYD PUMP

454, 2400, Both INTERNATIONAL SERIES-A TRACTOR (EUROPE), ASSY, HYD GEAR, CESSNA (1/71-12/73), Reman for New PN 406827R91

1шт.

3

84573150C

CORE-HYDRAULIC PUMP

Return Number

1шт.

3

67248C91

PUMP

ASSY HYD GEAR, CESSNA

1шт.

3

406763R91

PUMP

ASSY, HYD GEAR, PLESSEY, OPTIONAL

1шт.

3

84573150R

REMAN-HYD PUMP

454, 2400, Both INTERNATIONAL SERIES-A TRACTOR (EUROPE), ASSY, HYD GEAR, PLESSEY (1/71-12/73), Reman for New PN 406763R91

1шт.

3

84573150C

CORE-HYDRAULIC PUMP

Return Number

1шт.

179829

BOLT,Hex, 5/16" - 18 x 2 3/4", Gr 5

2шт.

186270

BOLT,Hex, 5/16" - 18 x 3 1/2", Gr 5

2шт.

382331R1

SEALING WASHER,8.33mm ID x 12.7mm OD x 0.79mm Thk

PUMP MOUNTING BOLT

4шт.

4

NOT USED

1шт.

5

401736R3

GASKET

MULTIPLE CONTROL VALVE HV

1шт.

6

707253R1

O-RING,-222, 70 Duro, 1.484" ID x .139" Thk

SCREW, 5/16-18 X 3-1/2 HEX HD CAP

1шт.

7

405458R2

LARGE PLATE

PLATE, LARGE MULTIPLE CONTROL VALVE

1шт.

8

387926R2

RING

RECTANGULAR

1шт.

9

65000C2

GASKET

MULTIPLE CONTROL VALVE BODY

1шт.

10

369751R1

O-RING,0.072" Thk x 0.351" ID, -904, Cl 6, 90 Duro

1/4 OD tube

1шт.

11

9410356

PLUG

7/16-20 STR THD O-RING BOSS

1шт.

12

66761C1

TUBE ASSY.

DRAFT CONTROL RETURN, 454/100236 UP, 2400/100040 UP

1шт.

12

399997R1

TUBE

ASSY, DRAFT CONTROL RETURN, UP TO 454/100235, 2400/100039

1шт.

13

66764C1

PIPE

TUBE ASSY, AUXILIARY VALVE PRESSURE, 454/100236 UP, 2400/100040 UP

1шт.

13

530133R1

TUBE

ASSY, AUXILIARY VALVE PRESSURE, UP TO 454/100235, 2400/100039

1шт.

14

9410204

HYD CONNECTOR,7/8"-14, 37 Degree x 7/8"-14, O-Ring

ELBOW, 7/8-14 C-Z 37 DEG HYD FLARED TUBE SHORT SWIVEL, 454/100236 UP, 2400/100040 UP

2шт.

14

9411106

ELBOW

7/8-14 C-Z 37 DEG HYD FLARED STR THR 45 DEG, UP TO 454/100235, 2400/100039

2шт.

15

364885R1

O-RING,0.097" Thk x 0.755" ID, -910, Cl 6, 90 Duro

5/8 OD TUBE

2шт.

16

57714C93

VALVE

ASSY, MULTIPLE CONTROL, SEE FIGURE 10-33

1шт.

280161

BOLT,Hex, 3/8" - 16 x 3", Gr 5

9шт.

186283

BOLT,Hex, 3/8" - 16 x 3 1/2", Gr 5

3/8-16 X 3-1/2 HEX HD CAP

1шт.

103321

LOCK WASHER,3/8"

10шт.

17

539835R1

TUBE ASSY.

IPTO PRESSURE, 454/100767 UP, 2400/100136 UP

1шт.

17

401738R1

TUBE

ASSY, IPTO PRESSURE, UP TO 454/100766, UP TO 2400/100135, TRACTORS W/IPTO

1шт.

18

9410200

HYD CONNECTOR,7/16" - 20 JIC x 7/16" - 20 ORB

7/16-20 C-Z 37 DEG HYD FLARED TUBE SHORT SWIVEL, 454/100767 UP, 2400/100136 UP

1шт.

18

9411102

ELBOW,45 Degree, 7/16"-20, 37 Degree x 7/16"-20, O-Ring

UNION, 7/16-20 37 DEG HYD FLARED TUBE SHORT SWIVEL, UP TO 454/100766, UP TO 2400/100135, TRACTORS W/IPTO

1шт.

19

369751R1

O-RING,0.072" Thk x 0.351" ID, -904, Cl 6, 90 Duro

1/4 OD tube, Tractors with IPTO

1шт.

20

9411115

TEE,7/16"-20, 37 Degree x 7/8"-14, O-Ring Br

7/16-20 C-Z 37 DEG HYD FLARED TUBE, TRACTORS W/IPTO

1шт.

9403369

CAP,37 Degree, 7/16"-20

7/16-20 C-Z 37 DEG HYD FLARED TUBE

1шт.

21

570828R1

O-RING,0.087" Thk x 0.644" ID, -908, Cl 6, 90 Duro

1/2 OD TUBE

1шт.

22

9410977

ELBOW,90 Degree, 3/4"-16, 37 Degree x 3/4"-16, O-Ring

3/4-16 C-Z 37 DEG HYD FLARED TUBE ADJ STR THD 90 DEG

1шт.

23

3116263R1

3 WAY CONNECTION

TEE, MCV. DUMP

1шт.

570828R1

O-RING,0.087" Thk x 0.644" ID, -908, Cl 6, 90 Duro

1/2 OD TUBE

1шт.

24

21433R1

O-RING,0.103" Thk x 0.674" ID, -115, Cl 6, 90 Duro

11/16 X 7/8 X 3/32, PUMP PRESSURE PORT

1шт.

25

364839R1

O-RING,0.078" Thk x 0.468" ID, -906, Cl 6, 90 Duro

1шт.

26

57577C91

VALVE

CHECK, 454/100236 UP, 2400/100040 UP

1шт.

26

56054C1

VALVE

SPARE PART CHECK, UP TO 454/100235, UP TO 2400/100039

1шт.

69354C1

SEAL

HYD. PUMP, USED W/PUMP 67248C91 OR 406827R91

1шт.

69352C1

SEAL

HYD. PUMP, USED W/PUMP 66513C91 OR 406763R91

1шт.

69351C1

GLUE

ADHESIVE, TUBE, SYNCHROMESH DRIVE TRACTOR

1шт.

67249C91

SEAL KIT

PACKAGE SERVICE, O-RING AND GASKET, CONSISTS OF (1) PLUG, (1) DIAPHRAGM, (1) SEAL, (1) GASKET BACKUP, (1) GASKET PROTECTOR, (1) O-RING, PLESSEY

1шт.

406763R91

PUMP

ASSY, HYD GEAR, CONSISTS OF ALL PARTS LISTED BELOW

1шт.

84573150R

REMAN-HYD PUMP

454, 2400, Both INTERNATIONAL SERIES-A TRACTOR (EUROPE), ASSY, HYD GEAR, PLESSEY (1/71-12/73), Reman for New PN 406763R91

1шт.

84573150C

CORE-HYDRAULIC PUMP

Return Number

1шт.

124546

WOODRUFF KEY,#6, 5/32" x 5/8", HT

Pump shaft

1шт.

534262R91

PACKAGE

KIT, SEAL PACK

1шт.

372821R1

O-RING,0.103" Thk x 1.049" ID, -121, Cl 5, 75 Duro

SUCTION PORT

1шт.

350667R1

O-RING,0.103" Thk x 0.674" ID, -115, Cl 5, 75 Duro

PRESSURE PORT

1шт.

406827R91

PUMP

ASSY, HYD GEAR, CESSNA, CONSISTS OF ALL PARTS LISTED BELOW

1шт.

84573150R

REMAN-HYD PUMP

454, 2400, Both INTERNATIONAL SERIES-A TRACTOR (EUROPE), ASSY, HYD GEAR, CESSNA (1/71-12/73), Reman for New PN 406827R91

1шт.

84573150C

CORE-HYDRAULIC PUMP

Return Number

1шт.

16007R1

BALL

7/32 DIA

1шт.

124546

WOODRUFF KEY,#6, 5/32" x 5/8", HT

Pump drive gear

1шт.

373244R91

SEAL

PUMP SHAFT

1шт.

371523R1

SPRING

BACK CHECK

1шт.

Выбрано товаров: 65