Запчасти Case IH 454 (10-20) - AUXILIARY VALVES (07) - HYDRAULICS

Схема запчастей Case IH 454 - (10-20) - AUXILIARY VALVES (07) - HYDRAULICS
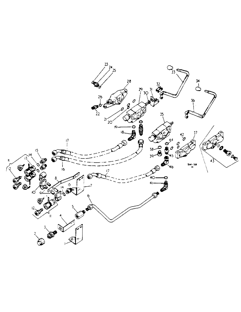
31
14
21
33
29
23
32
8
15
7
18
30
4
38
11
34
17
14
5
37
26
42
19
35
11
24
43
39
28
46
36
17
12
3
44
12
20
45
25
15
6
1
40
2
41
10
22
13
16
9
FIT
1:1
100%

Артикул

Название

Примечание

Количество

529688R92

ATTACHMENT, SINGLE AUXILIARY HYDRAULIC VALVE, SINGLE ACTING VALVE AND SELF-SEALING COUPLING, FIRST BANK, CONSISTS OF ALL UNMARKED PARTS AND THOSE MARKED FOR THIS PART NUMBER

1шт.

529690R92

ATTACHMENT, SINGLE AUXILIARY HYDRAULIC VALVE, DOUBLE ACTING VALVE AND TWO SELF-SEALING COUPLINGS, FIRST BANK, CONSISTS OF ALL UNMARKED PARTS AND THOSE MARKED FOR THIS PART NUMBER

1шт.

529692R92

ATTACHMENT, SINGLE AUXILIARY HYDRAULIC VALVE , CONSISTS OF ALL UNMARKED PARTS AND THOSE MARKED FOR THIS PART NUMBER

1шт.

SINGLE ACTING VALVE AND MUST BE USED IN CONJUNCTION W/FIRST BANK SINGLE AUXILIARY HYDRAULIC VALVE ATTACHMEN, SECOND BANK

1шт.

529694R92

ATTACHMENT, SINGLE AUXILIARY HYDRAULIC VALVE, CONSISTS OF ALL UNMARKED PARTS AND THOSE MARKED FOR THIS PART NUMBER

1шт.

DOUBLE ACTING VALVE AND MUST BE USED IN CONJUNCTION W/FIRST BANK SINGLE AUXILIARY HYDRAULIC VALVE ATTACHMENT, SECOND BANK

1шт.

535960R92

ATTACHMENT, SINGLE AUXILIARY HYDRAULIC VALVE, SINGLE ACTING VALVE AND ONE SELF-SEALING BREAKAWAY COUPLING, FIRST BANK, CONSISTS OF ALL UNMARKED PARTS AND THOSE MARKED FOR THIS PART NUMBER

1шт.

537490R92

ATTACHMENT, SINGLE AUXILIARY HYDRAULIC VALVE, SINGLE ACTING VALVE, SPECIAL FEATURE, SCANDINAVIAN MARKET, CONSISTS OF ALL UNMARKED PARTS AND THOSE MARKED FOR THIS PART NUMBER

1шт.

537216R92

ATTACHMENT, SINGLE AUXILIARY HYD VALVE W/DOUBLE ACTING VALVE, CONSISTS OF ALL UNMARKED PARTS AND THOSE MARKED FOR THIS PART NUMBER

1шт.

FIRST BANK, SPECIAL FEATURE, AUSTRALIAN MARKET

1шт.

ATTACHMENT, SINGLE AUXILIARY HYDRAULIC VALVE, SINGLE ACTING VALVE AND ONE SELF-SEALING BREAKWAY COUPLING SECOND BANK, CONSISTS OF ALL UNMARKED PARTS AND THOSE MARKED FOR THIS PART NUMBER

1шт.

1

533139R1

BRACKET

ASSY, BREAKAWAY COUPLING, FOR 529688R92

1шт.

179889

BOLT,Hex, 1/2" - 13 x 2", Gr 5

1/2-13 X 2 HEX-HD CAP

2шт.

2

705578R1

CYLINDER END CAP

SCREWED SELF-SEALING COUPLING DUST, OPTIONAL W/3041963R1, FOR 529688R92

1шт.

2

3041963R1

CAP

SCREWED SELF-SEALING COUPLING DUST, OPTIONAL W/705578R1, FOR 529688R92

1шт.

3

705579R1

COUPLING

SCREWED SELF-SEALING, OPTIONAL W/3041962R1, FOR 529688R92

1шт.

3

3041962R1

COUPLING, SELF-SEALING, OPTIONAL W/705579R1, FOR 529688R92

1шт.

4

533140R1

BRACKET

SCREW COUPLING, FOR 529688R92

1шт.

NLS

NO LONGER SERVICED

1/4-20 X 7/8

2шт.

109084

NUT,1/4"-20, G5

2шт.

103319

LOCK WASHER,1/4"

2шт.

95-11028

WASHER,1/4"

9/32 X 5/8 X .051

2шт.

5

529708R1

ADAPTER

AUX VALVE TO COUPLING TUBE, FOR 529688R92

1шт.

704337R1

SEALING WASHER

VALVE TO COUPLING TUBE ADAPTOR

2шт.

6

533138R1

TUBE ASSY.

W/SLEEVE AND NUTS, AUX VALVE TO COUPLING, FOR 529688R92

1шт.

9403529

TUBE NUT,37 Degree, 7/8"-14, Type B

7/8-14 C-Z 37 DEG HYD FLARED TUBE

2шт.

9403451

SLEEVE,37 Degree, 5/8" Tube

5/8 C-Z 37 DEG HYD FLARED TUBE

2шт.

7

3113436R91

SUPPORT

BRACKET ASSY, SELF-SEALING COUPLING W/EDGE, FOR 529690R92, 535960R92, 537216R92

1шт.

179889

BOLT,Hex, 1/2" - 13 x 2", Gr 5

1/2-13 X 2 HEX-HD CAP

2шт.

103323

LOCK WASHER,1/2"

2шт.

3113437R1

STRIP

MOULDING, EDGE

1шт.

8

533143R1

BAR

BREAKAWAY COUPLING BRACKET, FOR 529690R92, 535960R92, 537216R92

1шт.

179796

BOLT,Hex, 1/4" - 20 x 7/8", Gr 5

1/4-20 X 7/8 HEX HD

2шт.

103319

LOCK WASHER,1/4"

2шт.

95-11028

WASHER,1/4"

PLAIN

2шт.

109084

NUT,1/4"-20, G5

2шт.

9

3123061R1

SPACER

BREAKAWAY COUPLING, FOR "ATTACHMENT, SINGLE AUXILIARY HYDRAULIC VALVE, SINGLE ACTING VALVE AND ONE SELF-SEALING BREAKWAY COUPLING SECOND BANK

4шт.

10

3114106R1

CLAMP

COUPLING, FOR 529690R92, 535960R92

1шт.

10

371114R1

CLAMP

COUPLING, FOR 529690R92

1шт.

ON ORDERS FOR 371114R1 OR 371115R1, FURNISH 2 OF 3114106R1, 179818 AND 102634

1шт.

10

3063989R1

CLAMP

COUPLING, FOR 535960R92

1шт.

ON ORDERS FOR 3063988R1 OR 3063989R1, FURNISH 1 OF 3114106R1, 2 OF 179818 AND 2 OF 102634

1шт.

10

3114106R1

CLAMP

COUPLING, FOR 529690R92

1шт.

10

371115R1

CLAMP

COUPLING, FOR 529690R92

1шт.

ON ORDERS FOR 371114R1 OR 371115R1, FURNISH 2 OF 3114106R1, 179818 AND 102634

1шт.

10

3063988R1

CLAMP

COUPLING, FOR 535960R92

1шт.

ON ORDERS FOR 3063988R1 OR 3063989R1, FURNISH 1 OF 3114106R1, 2 OF 179818 AND 2 OF 102634

1шт.

179819

BOLT,Hex, 5/16" - 18 x 1 1/8", Gr 5

2шт.

9635082

NUT,5/16" - 18, Gr 5

2шт.

80681

LOCK WASHER,5/16"

2шт.

10

3114106R1

CLAMP

COUPLING

1шт.

413-548

BOLT,Hex, 5/16" - 18 x 3", Gr 5

For "attachment, single auxiliary hydraulic valve, single acting valve and one self-sealing breakway coupling second bank"

2шт.

11

3067991R91

BREAKER POINTS

SELF-SEALING, FOR 529690R92 (2 REQUIRED), 535960R92 AND "ATTACHMENT, SINGLE AUXILIARY HYD VALVE, SINGLE ACTING VALVE AND ONE SELF-SEALING BREAKWAY COUPLING SECOND BANK"

1шт.

12

3067992R91

COUPLING, BREAK AWAY

SELF-SEALING MALE, FOR 529690R92 (2 REQUIRED), 535960R92 AND "ATTACHMENT, SINGLE AUXILIARY HYDRAULIC VALVE, SINGLE ACTING VALVE AND ONE SELF-SEALING BREAKWAY COUPLING SECOND BANK"

1шт.

9410360

PLUG

7/8-14 C-Z STR THD O-RING BOSS, FOR 529690R92 (2 REQUIRED), 535960R92, 537216R92 (2 REQUIRED)

1шт.

13

3067993R91

COUPLING, BREAK AWAY

SELF-SEALING FEMALE, FOR 529690R92 (2 REQUIRED), 535960R92

1шт.

3115783R1

O-RING

FEMALE HALF

1шт.

3115782R1

BACK-UP RING

BACK UP

1шт.

373220R1

PLUG

SEAL, BREAKAWAY COUPLING DUST, FOR 529690R92 (2 REQUIRED), 535960R92

1шт.

401757R1

PLUG, BREAKAWAY COUPLING DUST

1шт.

401758R1

WASHER,14.48mm ID x 38.1mm OD x 3.05mm Thk

BREAKAWAY COUPLING DUST, FOR 529690R92 (2 REQUIRED), 535960R92

1шт.

14

364885R1

O-RING,0.097" Thk x 0.755" ID, -910, Cl 6, 90 Duro

5/8 OD TUBE, FOR 529690R92 (2 REQUIRED), 535960R92, 537216R92 (2 REQUIRED) AND "ATTACHMENT, SINGLE AUXILIARY HYDRAULIC VALVE, SINGLE ACTING VALVE AND ONE SELF-SEALING BREAKWAY COUPLING SECOND BANK"

1шт.

15

9410204

HYD CONNECTOR,7/8"-14, 37 Degree x 7/8"-14, O-Ring

7/8-14 C-Z 37 DEG HYD FLARED, FOR 529690R92 (2 REQUIRED), 535960R92, 537216R92 (2 REQUIRED) AND "ATTACHMENT, SINGLE AUXILIARY HYDRAULIC VALVE, SINGLE ACTING VALVE AND ONE SELF-SEALING BREAKWAY COUPLING SECOND BANK"

1шт.

16

533141R2

HOSE

AUX VALVE TO COUPLING LONG HYD, FOR 529690R92, 535960R92, 537216R92

1шт.

17

533142R2

HOSE,12.7mm ID x 610mm L

AUX VALVE TO COUPLING SHORT HYD, FOR 529690R92, 537216R92

1шт.

18

9410973

ELBOW,90 Degree, 3/8"-24, 37 Degree x 3/8"-24, O-Ring

7/8 C-Z 37 DEG HYD FLARED TUBE ADJ STR THD 90 DEG, FOR 529690R92 (2 REQUIRED), 535960R92, 537216R92 (2 REQUIRED)

1шт.

19

364885R1

O-RING,0.097" Thk x 0.755" ID, -910, Cl 6, 90 Duro

5/8 OD TUBE, FOR 529690R92 (2 REQUIRED), 535960R92, 537216R92 (2 REQUIRED)

1шт.

20

383024R1

O-RING,0.07" Thk x 0.676" ID, -17, Cl 6, 90 Duro

11/16 X 13/16 X 1/16, VALVE S/ACTING, UP TO 454/100766, UP TO 2400/100149, VALVE D/ACTING, UP TO 454/100869, UP TO 2400/10016

1шт.

20

3121945R1

O-RING

METRIC, VALVE S/ACTING, 454/100767 UP, 2400/100750 UP, VALVE D/ACTING, 454/100870 UP, 2400/100167 UP

1шт.

FOR 529688R92 (2 REQD), 529690R92 (2 REQD), 529692R92, 529694R92, 535960R92 (2 REQD), 537490R92 (2 REQD), 537216R92 (2 REQD) AND "ATTACHMENT, SINGLE AUXILIARY HYDRAULIC VALVE, SINGLE ACTING VALVE AND ONE SELF-SEALING BREAKWAY COUPLING SECOND BANK" (2 REQD)

1шт.

21

384578R1

O-RING,0.07" Thk x 0.801" ID, -19, Cl 6, 90 Duro

13/16 X 15/16 X 1/16

1шт.

FOR 529688R92 (4 REQD), 529690R92 (4 REQD), 529692R92, 529694R92, 535960R92 (4 REQD), 537490R92 (4 REQD), 537216R92 (4 REQD) AND "ATTACHMENT, SINGLE AUXILIARY HYDRAULIC VALVE, SINGLE ACTING VALVE AND ONE SELF-SEALING BREAKWAY COUPLING SECOND BANK"

1шт.

22

9410978

ELBOW,90 Degree, 7/8"-14, 37 Degree x 7/8"-14, O-Ring

7/8-14 C-Z 37 DEG HYD FLARED TUBE ADJ STR THD O-RING 90 DEG, UP TO 454/100235, 2400/100039

1шт.

22

UNION, 7/8 C-Z 37 DEG HYD FLARED TUBE, 574/100236 UP, 2400/100040 UP, FOR 529688R92, 529690R92, 535960R92, 537490R92, 537216R92

1шт.

23

377952R1

O-RING,0.103" Thk x 0.549" ID, -113, Cl 6, 90 Duro

9/16 X 3/4 X 3/32, FOR 529688R92, 529690R92, 535960R92, 537490R92, 537216R92

1шт.

24

529705R1

UNION

CONNECTOR, AUX VALVE, FOR 529688R92, 529690R92, 535960R92, 537490R92, 537216R92

1шт.

25

364885R1

O-RING,0.097" Thk x 0.755" ID, -910, Cl 6, 90 Duro

5/8 OD TUBE, FOR 529688R92, 529690R92, 535960R92, 537490R92, 537216R92

1шт.

26

364885R1

O-RING,0.097" Thk x 0.755" ID, -910, Cl 6, 90 Duro

5/8 OD TUBE, FOR 529688R92, 529690R92, 535960R92, 537490R92, 537216R92

1шт.

27

NOT APPLICABLE

1шт.

28

3116012R1

BLOCK

AUX, VALVE CONTROL LEVER ADAPTOR, 454/100236 UP, 2400/100040 UP

1шт.

28

529704R2

BLOCK

AUX VALVE CONTROL LEVER ADAPTOR, UP TO 454/100235 2400/100039, FOR 529688R92, 529690R92, 535960R92, 537490R92, 537216R92

1шт.

413-616

BOLT,Hex, 3/8" - 16 x 1", Gr 5

2шт.

103321

LOCK WASHER,3/8"

2шт.

29

VALVE ASSY, DOUBLE ACTING AUX HYD, FOR COMPONENTS SEE LIST OF PARTS UNDER DETAILS OF DOUBLE ACTING AUX HYD VALVE ASSY, FOR 529690R92, 529694R92 537216R92

1шт.

30

529698R1

SEALING RING,15.88mm ID x 23.8mm OD x 7.54mm Thk

AUX HYD VALVE WIPER

1шт.

31

529699R1

BRACKET

ASSY, AUX VALVE CONTROL LEVER

1шт.

3061228R91

LOCK NUT

1/4-20 NYLON INSERT LOCK

1шт.

186923

HEX SOC SCREW,1/4"-20 x 5/8"

SCREW, 1/4-20 X 5/8 HEX-SOC-HD CAP

2шт.

179800

BOLT,Hex, 1/4" - 20 x 1 3/8", Gr 5

1шт.

32

529702R1

LINK

CONTROL LEVER CONNECTING

2шт.

102776H

CLEVIS PIN,1/4" x 11/16"

Rod end

2шт.

NLS

NO LONGER SERVICED

PIN, COTTER 1/16 X 1/2

2шт.

33

3118805R1

LEVER

ASSY, AUX VALVE, FIRST BANK

1шт.

34

400072R1

BUTTON

KNOB, AUX VALVE CONTROL LEVER

1шт.

35

VALVE ASSY, SINGLE ACTING AUX HYD, FOR COMPONENTS SEE LIST OF PARTS UNDER DETAILS OF SINGLE ACTING AUX HYD VALVE ASSY, FOR 529688R92, 529690R92, 529692R92, 535960R92

1шт.

36

3118803R1

LEVER

ASSY, AUX VALVE, SECOND BANK

1шт.

37

529697R2

PLATE

AUX HYD VALVE END, FOR 529688R92, 529690R92, 535960R92, 537490R92, 537216R92

1шт.

ON ORDERS FOR PLATE 529697R1, FURNISH R2 W/TWO O-RING 392385R1, FOUR O-RING 384578R1 AND TWO O-RING 393349R1

1шт.

179850

BOLT,Hex, 3/8" - 16 x 2 3/4", Gr 5

3/8-16 X 2-3/4 HEX-HD CAP, FOR 529688R92, 529690R92, 535960R92, 537490R92, 537216R92

2шт.

433114

BOLT,Hex, 3/8" - 16 x 4 1/4", Gr 5

3/8-16 X 4-1/4 HEX-HD CAP, FOR 529688R92, 529690R92, 535960R92, 537490R92, 537216R92

1шт.

186288

BOLT,Hex, 3/8" - 16 x 4 1/2", Gr 5

3/8-16 X 4-1/2 HEX-HD CAP, FOR 529692R92 (2 REQD) , 529694R92 (2 REQD), AND "ATTACHMENT, SINGLE AUXILIARY HYDRAULIC VALVE, SINGLE ACTING VALVE AND ONE SELF-SEALING BREAKWAY COUPLING SECOND BANK" (2 REQD)

1шт.

103321

LOCK WASHER,3/8"

3шт.

22344R1

BOLT,Hex, 3/8" - 16 x 5 3/4", Gr 5

3/8-16 X 5-3/4 HEX-HD CAP, FOR 529692R92, 529694R92, AND "ATTACHMENT, SINGLE AUXILIARY HYDRAULIC VALVE, SINGLE ACTING VALVE AND ONE SELF-SEALING BREAKWAY COUPLING SECOND BANK"

1шт.

38

364885R1

O-RING,0.097" Thk x 0.755" ID, -910, Cl 6, 90 Duro

5/8 OD TUBE, FOR 529692R92, 529694R92 (2 REQD), 537490R92, 537216R92 (2 REQD)

1шт.

39

9410360

PLUG

7/8-14 C-Z STR THD O-RING BOSS, FOR 529692R92, 529694R92 (2 REQD), 537490R92, 537216R92 (2 REQD)

1шт.

40

364885R1

O-RING,0.097" Thk x 0.755" ID, -910, Cl 6, 90 Duro

5/8 OD TUBE, FOR 529688R92

1шт.

41

9410978

ELBOW,90 Degree, 7/8"-14, 37 Degree x 7/8"-14, O-Ring

7/8-14 C-Z 37 DEG HYD FLARED TUBE ADJ STR THD O-RING 90 DEG, FOR 529688R92

1шт.

42

384578R1

O-RING,0.07" Thk x 0.801" ID, -19, Cl 6, 90 Duro

13/16 X 15/16 X 1/16, VALVE S/ACTING, UP TO 454/100766, UP TO 2400/100149, VALVE D/ACTING, UP TO 454/100869, UP TO 2400/100166

1шт.

42

393349R1

O-RING,0.07" Thk x 0.864" ID, -20, Cl 6, 90 Duro

7/8 X 1 X 1/16, VALVE S/ACTING, 454/100767 UP, 2400/100150 UP, VALVE D/ACTING, 454/100870 UP, 2400/100167 UP

1шт.

FOR 529688R92 (2 REQD), 529690R92 (2 REQD), 529692R92, 529694R92, 535960R92 (2 REQD), 537490R92 (2 REQD), 537216R92 (2 REQD) AND "ATTACHMENT, SINGLE AUXILIARY HYDRAULIC VALVE, SINGLE ACTING VALVE AND ONE SELF-SEALING BREAKWAY COUPLING SECOND BANK"

1шт.

43

3123527R91

COVER ASSY

HIGH PRESSURE CARRYOVER

1шт.

3123528R1

PLUG

3/4 BSP

1шт.

708496R1

SEAL

1шт.

3118797R1

ADAPTER

1шт.

383024R1

O-RING,0.07" Thk x 0.676" ID, -17, Cl 6, 90 Duro

11/16 X 13/16 X 1/16, SHIP LOOSE

1шт.

44

364885

O-RING

5/8 OD TUBE, FOR "ATTACHMENT, SINGLE AUXILIARY HYDRAULIC VALVE, SINGLE ACTING VALVE AND ONE SELF-SEALING BREAKWAY COUPLING SECOND BANK"

1шт.

45

9410204

HYD CONNECTOR,7/8"-14, 37 Degree x 7/8"-14, O-Ring

7/8-14 C-Z 37 DEG HYD FLARED TUBE 2ND BANK AUX. VALVE TO COUPLING TUBE ELBOW, FOR "ATTACHMENT, SINGLE AUXILIARY HYDRAULIC VALVE, SINGLE ACTING VALVE AND ONE SELF-SEALING BREAKWAY COUPLING SECOND BANK"

1шт.

46

9410282

ELBOW,90 Degree, 7/8"-14, 37 Degree x 7/8"-14, 37 Degree Fem Sw

C-Z 37 DEG HYD FLARED TUBE 90 DEG SWIVEL 2ND BANK AUX VALVE TO COUPLING HYD HOSE, FOR "ATTACHMENT, SINGLE AUXILIARY HYDRAULIC VALVE, SINGLE ACTING VALVE AND ONE SELF-SEALING BREAKWAY COUPLING SECOND BANK"

1шт.

537080R1

DECAL

PRODUCT-GRAPHIC, CONTROL HANDLE

1шт.

529706R1

TUBE

ASSY W/SLEEVE AND NUTS, AUX VALVE RETURN, UP TO 454/100235, 2400/100039

1шт.

Выбрано товаров: 120