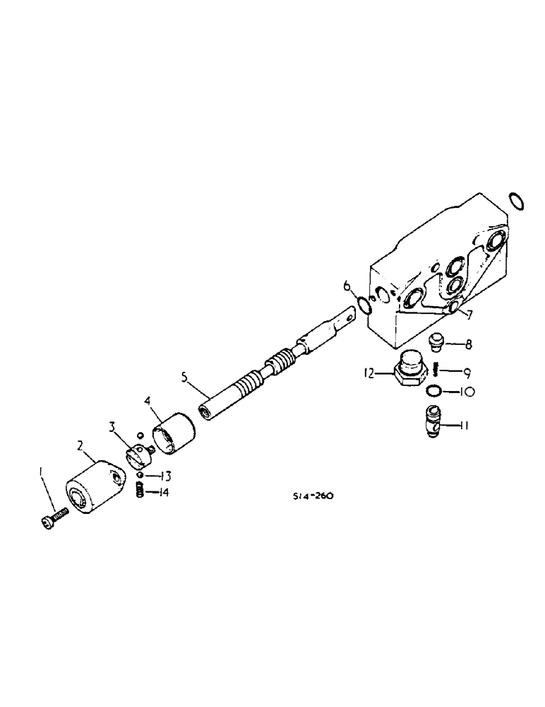
Запчасти Case IH 454 (10-46) - SINGLE ACTING AUXILIARY HYDRAULIC VALVE, 3116055R92, 454/008850 UP, 2400/000766 UP (07) - HYDRAULICS

Схема запчастей Case IH 454 - (10-46) - SINGLE ACTING AUXILIARY HYDRAULIC VALVE, 3116055R92, 454/008850 UP, 2400/000766 UP (07) - HYDRAULICS
12
4
11
10
6
7
5
13
9
2
14
8
3
1
FIT
1:1
100%

Артикул

Название

Примечание

Количество

3116055R92

HYDRAULIC VALVE

ASSY SINGLE ACTING AUX

1шт.

1

3113064R1

SCREW

2шт.

2

3113059R1

CAP

END

1шт.

3

3116057R1

CARRIER

DETENT

1шт.

4

3116058R1

CAGE

DETENT

1шт.

5

NSS

NOT SOLD SEPARAT

1шт.

6

379181R1

O-RING,0.614" ID x 0.07" Width

5/8 X 3/4 X 1/16

2шт.

7

NSS

NOT SOLD SEPARAT

1шт.

8

3113068R1

VALVE POPPET

1шт.

9

3113069R1

SPRING

CHECK VALVE

1шт.

10

391914R1

O-RING,0.07" Thk x 0.426" ID, -13, Cl 6, 90 Duro

7/16 X 9/16 X 1/16, CLASS 6

1шт.

11

3113070R1

GUIDE

CHECK VALVE

1шт.

12

3113071R1

PLUG

SPARE PART ASSY 7/8 UNF

1шт.

13

17008R1

BALL,1/4" Dia

Steel

2шт.

14

3113065R1

SPRING

DETENT

1шт.

Выбрано товаров: 15