Качественные детали и логистика
Оригинальные и аналоговые запчасти с доставкой по России, Казахстану и Беларуси
©2022 PartSell ООО "Система" ИНН 2463123282 ОГРН 1212400004838
Центральный офис: г. Красноярск, Академика Киренского, д.87, пом.4
Телефон: 8 (800) 777-65-74 Email: zakaz@partsell.ru
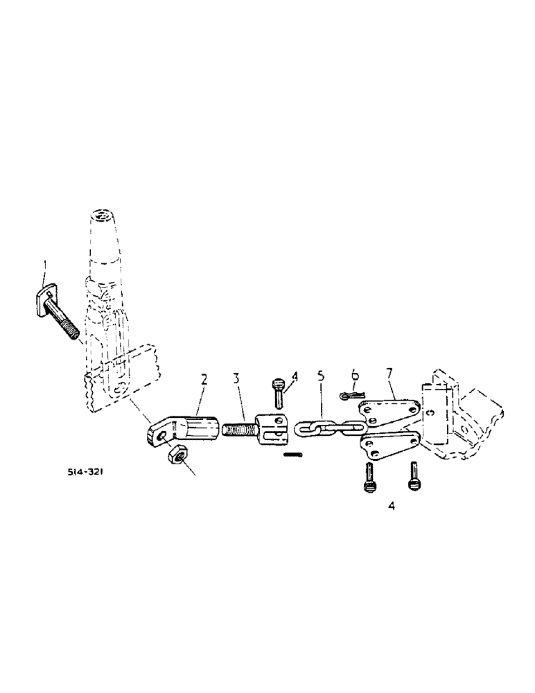
(09-10) - INSIDE CHECK CHAIN, MACHINES FITTED WITH DRUM BRAKES AND ISO MOUNTED CAB
№
Артикул
Название
Примечание
Количество
1
527981R1
PIN ASSY.
REAR CHAIN BRACKET
2шт.
171161R1
LOCK NUT
3/4-10 NYLON INSERT HEX
2
403034R1
BRACKET
LIMITER CHAIN REAR
3
527976R1
ADJUSTABLE CLEVIS
ASSY, LATERAL LIMITER
4
403031R1
PIN
LIMITER CHAIN
6шт.
108630
COTTER PIN,1/8" x 7/8"
5
527974R1
CHAIN (AG)
LATERAL LIMITER
6
460047R1
CLIP, SPRING
PIN, QUICK ATTACHABLE COTTER
4шт.
7
527975R1
PLATE
STRAP, CHAIN SHACKLE
Выбрано товаров: 0