Запчасти Case IH 454 (12-57) - FUEL INJECTION PUMP Power

Схема запчастей Case IH 454 - (12-57) - FUEL INJECTION PUMP Power
62
117
47
23
45
99
28
13
81
30
119
40
80
123
73
25
92
121
72
110
42
71
35
103
33
63
7
31
6
37
118
4
76
10
19
82
112
5
22
83
64
89
20
27
42
32
74
114
77
60
115
50
55
36
34
24
26
14
39
61
3
1
107
41
111
95
8
21
90
70
46
59
71
105
116
11
66
57
52
18
120
29
84
96
65
46
17
75
56
61
86
9
47
108
109
73
104
86
36
113
94
48
71
15
54
51
93
101
85
85
87
88
16
44
68
78
71
43
49
79
67
106
69
2
98
53
58
122
97
102
91
100
12
83
FIT
1:1
100%

Артикул

Название

Примечание

Количество

3136072R93

FUEL INJECTION PUMP

ASSY, BOSCH NO. EP/VA3/100H 1100BR62, TRACTORS W/SYNCHROMESH DRIVE, CONSISTS OF ALL UNMARKED PARTS AND THOSE MARKED FOR P/N 3136072R93

1шт.

3136073R93

PUMP

ASSY, FUEL INJECTION, BOSCH NO. EP/VA3/100H 1200BR61, TRACTORS W/HYDROSTATIC DRIVE, CONSISTS OF ALL UNMARKED PARTS AND THOSE MARKED FOR P/N 3136073R93

1шт.

9635082

NUT,5/16" - 18, Gr 5

2шт.

103320

LOCK WASHER,5/16"

2шт.

3055574R1

WASHER,8.5mm ID x 19mm OD x 2.5mm Thk

.335 X .748 X .098

2шт.

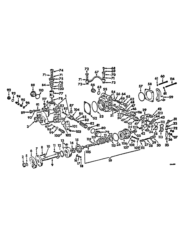
1

3136259R91

HOUSING

W/TIMING ADV. PISTON, PUMP

1шт.

2

933981R1

NUT,M12 x 1.75, Cl 5

Drive shaft

1шт.

3

3078355R1

SEAL

OIL

1шт.

4

NOT USED

1шт.

5

932996R1

LOCK WASHER

1/2 MED

1шт.

6

3059003R1

SPARE PART ASSY, CHARGING PUMP

1шт.

7

3059004R1

SUPPORT

RING, RETAINER SUPPORT

1шт.

8

3132364R1

SCREW

SPARE PART RETAINER SUPPORT RING

4шт.

9

3059001R1

SHAFT

DRIVE

1шт.

10

3078371R1

WOODRUFF KEY

DRIVE SHAFT

1шт.

11

3132395R1

KEY

CHARGING PUMP WOODRUFF

1шт.

12

3059006R1

WASHER

DRIVE SHAFT THRUST

1шт.

13

3078345R91

INJECTION PIPE

RING ASSY, ROLLER RETAINER

1шт.

14

3059007R1

DISC

COUPLING, DRIVE SHAFT FLEXIBLE

1шт.

15

3059098R2

CAM

FACE

1шт.

16

3132598R1

INDICATOR

TIMING

1шт.

17

933982R1

WAVE WASHER,M4.3 ID x 9 OD x .5 Thk

TIMING POINTER

1шт.

18

931326R1

SCREW,Slotted Cheese , M4 x 0.7 x 5mm, Cl 8.8

TIMING POINTER

1шт.

19

3136099R91

HEAD

W/PLUNGER AND CONTROL PISTON, FOR 3136072R93

1шт.

19

3136086R91

HEAD

W/PLUNGER AND CONTROL PISTON, FOR 3136073R93

1шт.

20

3136092R1

SEAT

SPRING PLUNGER, .197

1шт.

20

3136093R1

SEAT

SPRING PLUNGER, .205

1шт.

20

3136094R1

CUP

SEAT, SPRING PLUNGER, .213

1шт.

20

3136095R1

SEAT

SPRING PLUNGER, .220

1шт.

20

3136096R1

SEAT

SPARE PART SPRING PLUNGER, .228

1шт.

20

3136097R1

SEAT

SPRING PLUNGER, .236

1шт.

20

3136394R1

SEAT

SPRING PLUNGER, .244

1шт.

21

3132257R1

SPRING

PLUNGER RETURN

1шт.

22

3136098R1

SEAT

SPRING PLUNGER

1шт.

23

3132584R1

DISC

1шт.

24

3132407R1

O-RING

O, DISTRIBUTOR HEAD PLUG

1шт.

25

3059063R2

PLUG

DISTRIBUTOR HEAD

1шт.

26

3078361R1

O-RING

RING, PACKING DISTRIBUTOR HEAD

1шт.

27

3136100R1

VALVE

DELIVERY, FOR 3136072R93

3шт.

27

3136088R1

VALVE

SPARE PART DELIVERY, FOR 3136073R93

3шт.

28

3132408R1

SPRING

DELIVERY VALVE

3шт.

29

3059066R1

WASHER,2.5mm ID x 7.3mm OD x 1.5mm Thk

DELIVERY VALVE SPRING

3шт.

30

3059067R1

HOLDER

DELIVERY VALVE

3шт.

31

3132590R1

LEVER

THROTTLE, OPTIONAL W/3132591R1

1шт.

31

3132591R1

LEVER

THROTTLE, OPTIONAL W/3132590R1

1шт.

32

NOT USED

1шт.

33

NOT USED

1шт.

34

3059076R1

WASHER

CONTROL PLUNGER SHAFT

1шт.

35

3059077R1

LEVER

CONTROL PLUNGER, OPTIONAL W/3059078R1

1шт.

35

3059078R1

LEVER

CONTROL PLUNGER, OPTIONAL W/3059077R1

1шт.

36

933987R1

LOCK WASHER,M6

1/4 MED

2шт.

37

86500688

NUT,Hex, M6 x 1.0, Cl 10.9

HEX. THROTTLE LEVER

2шт.

38

3132589R1

SPRING

CONTROL PLUNGER SHAFT

1шт.

39

3136110R1

PLATE

STOP

1шт.

40

931320R1

SCREW,M6 x 12mm, Cl 8.8

STOP PLATE

4шт.

41

3136136R1

SCREW

STOP

1шт.

42

86500688

NUT,Hex, M6 x 1.0, Cl 10.9

STOP PLATE ADJ SCREW

3шт.

43

3132251R1

STOP LOCK

ADVANCE PISTON STOP

1шт.

44

3059096R1

NUT

SHUT-OFF CONTROL PLUNGER STOP

1шт.

45

3059072R1

BUSHING

CONTROL PLUNGER SHAFT

1шт.

46

785602R1

O-RING

CONTROL PLUNGER AND THROTTLE SHAFT BUSHING

2шт.

47

3078363R1

O-RING

CONTROL PLUNGER SHAFT

1шт.

47

3078354R1

O-RING,2mm Thk x 6.5mm ID

THROTTLE SHAFT

1шт.

48

3132583R1

SHAFT

THROTTLE

1шт.

49

3132256R1

VALVE SPRING

THROTTLE

1шт.

50

3132260R2

SHAFT

CONTROL PLUNGER

1шт.

51

3136101R91

PACKAGE

SPARE PART PUMP PLUNGER SHIM, FOR 3136072R93

1шт.

51

3136397R91

PACKAGE

SPARE PART PUMP PLUNGER SHIM, FOR 3136073R93

1шт.

52

3132377R1

SHIM

INTERMEDIATE HSG. .009

1шт.

52

3132378R1

SHIM

INTERMEDIATE HSG. .011

1шт.

52

3059040R1

SHIM

INTERMEDIATE HSG. .008

1шт.

52

3059041R1

SHIM

INTERMEDIATE HSG. .010

1шт.

52

3059042R1

DISC

SHIM, INTERMEDIATE HSG. .012

1шт.

52

3059043R1

SHIM

INTERMEDIATE HSG. .020

1шт.

52

3059044R1

SHIM

INTERMEDIATE HSG. .024

1шт.

52

3059045R1

SHIM

INTERMEDIATE HSG. .039

1шт.

53

3078360R1

RING

PACKING HSG

1шт.

54

3132402R1

HOUSING

W/ACCUMULATOR PISTON, INTERMEDIATE

1шт.

55

NSS

NOT SOLD SEPARAT

HOUSING, INTERMEDIATE, ORDER 3136402R1

1шт.

56

NSS

NOT SOLD SEPARAT

PISTON, ACCUMULATOR, ORDER 3136402R1

1шт.

57

3078364R1

O-RING

RING, PACKING INTERMEDIATE HSG PLATE

1шт.

58

3059083R1

SPARE PART INTERMEDIATE HOUSING

1шт.

59

3059084R1

BRACKET

INJECTION PUMP

1шт.

60

3132249R1

SCREW

INTERMEDIATE HSG MTG. 2.756

2шт.

61

933987R1

LOCK WASHER,M6

1/4 MED

4шт.

62

3136107R1

PLUG

W/STUD, ACCUMULATOR PISTON

1шт.

63

785602R1

O-RING

1шт.

64

3132277R1

SPRING

ACCUMULATOR PISTON

1шт.

65

785602R1

O-RING

1шт.

66

3059052R1

PLUG

ACCUMULATOR PISTON

1шт.

67

3059085R1

SPARE PART TUBE, FUEL SUPPLY

1шт.

68

3132383R1

SCREW

VENT

1шт.

69

933696R1

SEALING RING,M6 x 10 x 1

1шт.

70

3136149R1

SCREW

INLET UNION

1шт.

71

934005R1

SEALING RING,12mm ID x 18mm OD x 1.5mm Thk

O

1шт.

72

3059086R1

BANJO BOLT

SCREW, HOUSING INLET UNION

1шт.

73

934005R1

SEALING RING,12mm ID x 18mm OD x 1.5mm Thk

O

1шт.

74

3132412R1

VALVE

OVERFLOW

1шт.

75

3059014R1

UNION

SPARE PART ADAPTER

1шт.

76

3078356R1

O-RING

UNION ADAPTOR ADVANCE HOUSING

1шт.

77

3132960R1

PIN

ADJUSTING

1шт.

78

3059010R1

PIN

CONNECTING

1шт.

79

3136131R1

PLUG

ADVANCE PISTON SPRING, FOR 3136072R93

1шт.

79

31360R1

PLUG, ADVANCE PISTON SPRING, FOR 3136073R93

1шт.

80

3078357R1

O-RING

SPARE PART

1шт.

81

790783R1

WASHER

SHIM, ADVANCE PISTON SPRING .020

1шт.

81

3136111R1

WASHER

SHIM, ADVANCE PISTON SPRING .039

1шт.

82

3136084R1

SPRING

SPARE PART ADVANCE PISTON

1шт.

83

NOT USED

1шт.

84

933845R1

RING,M20, Int

WASHER

1шт.

85

NOT USED

1шт.

86

NOT USED

1шт.

87

3132259R1

SLIDE

ADVANCE PISTON

1шт.

88

3059020R1

PLUG

ADVANCE PISTON

1шт.

89

3132578R1

PLUG

ADVANCE LINKAGE

1шт.

90

933037R2

RING, PACKING PLUG ADVANCE HSG

1шт.

91

3132961R1

PIN

CONNECTING

1шт.

92

3059038R1

PLUG

SPARE PART REGULATOR VALVE SPRING

1шт.

93

3078353R1

O-RING

1шт.

94

3132280R1

SPRING

REGULATOR VALVE

1шт.

95

3132246R1

STOP

BUSHING, REGULATOR VALVE

1шт.

96

3078359R1

O-RING

BUSHING REGULATOR VALVE

1шт.

97

3059026R1

SPARE PART REGULATOR VALVE .348

1шт.

97

3059027R1

SPARE PART REGULATOR VALVE .350

1шт.

97

3059028R1

SPARE PART REGULATOR VALVE .352

1шт.

97

3059029R1

SPARE PART REGULATOR VALVE .354

1шт.

97

3059030R1

SPARE PART REGULATOR VALVE .356

1шт.

97

3059031R1

SPARE PART REGULATOR VALVE .358

1шт.

97

3059032R1

SPARE PART REGULATOR VALVE .360

1шт.

97

3059033R1

SPARE PART REGULATOR VALVE .362

1шт.

97

3059034R1

PISTON

REGULATOR VALVE .364

1шт.

97

3132366R1

PISTON

REGULATOR VALVE .342

1шт.

97

3132367R1

PISTON

REGULATOR VALVE .344

1шт.

97

3132368R1

PISTON

SPARE PART REGULATOR VALVE .347

1шт.

97

3132369R1

PISTON

REGULATOR VALVE .366

1шт.

97

3132370R1

SPARE PART REGULATOR VALVE .368

1шт.

97

3132371R1

PISTON

REGULATOR VALVE .370

1шт.

97

3132372R1

PISTON

REGULATOR VALVE .372

1шт.

97

3132373R1

PISTON

REGULATOR VALVE .374

1шт.

97

3132374R1

PISTON

REGULATOR VALVE .376

1шт.

97

3132375R1

PISTON

REGULATOR VALVE .378

1шт.

98

3132255R1

SPRING

REGULATOR PISTON

1шт.

99

3078358R1

O-RING

1шт.

100

3059025R91

CARRIER

REGULATOR VALVE

1шт.

101

3059091R91

SPARE PART TIMING WINDOW

1шт.

102

3054854R1

O-RING,2mm Thk x 20mm ID, 70 Duro

1шт.

103

931327R1

BOLT,M6 x 10mm, Cl 8.8

SCREW, TIMING WINDOW COVER

2шт.

104

NSS

NOT SOLD SEPARAT

ORDER 3136259R1

1шт.

105

NSS

NOT SOLD SEPARAT

ORDER REF. NO. 19

1шт.

106

NSS

NOT SOLD SEPARAT

ORDER REF. NO. 19

1шт.

107

NSS

NOT SOLD SEPARAT

ORDER REF. NO. 19

1шт.

108

NSS

NOT SOLD SEPARAT

ORDER REF. NO. 19

1шт.

109

NSS

NOT SOLD SEPARAT

ORDER REF. NO. 19

1шт.

110

3078357R1

O-RING

SPARE PART PLUG ADVANCE HOUSING

1шт.

111

3078362R1

SEALING WASHER

DELIVERY VALVE

1шт.

112

3132588R1

SPRING

THROTTLE SHAFT

1шт.

113

NOT USED IN THIS APPLICATION

1шт.

114

3132250R1

SCREW

INTERMEDIATE HSG MTG 2.953

2шт.

115

NOT USED IN THIS APPLICATION

1шт.

116

3132587R1

BUSHING

THROTTLE SHAFT

1шт.

117

NOT USED IN THIS APPLICATION

1шт.

118

3136090R1

SPACER

INJECTION PLUNGER

1шт.

119

3136091R2

WASHER

INJECTION PLUNGER THRUST

1шт.

120

3132883R1

PLUG

PIN, ADVANCE PISTON

1шт.

121

3132884R1

WASHER

ADVANCE PISTON

1шт.

122

3059074R1

SCREW

STOP PLATE ADJUSTING

3шт.

123

3132885R1

BOLT

ADVANCE PISTON STOP

1шт.

3059093R91

SEAL

SET, EXTERNAL, CONSISTS OF: REF. 24, 26, 63, 65, 69, 71, 73, 76, 80, 90, 93, 99, 102, 110, AND 111

1шт.

3059094R93

GASKET KIT

SET, EXTERNAL, CONSISTS OF: REF. 26, 46, 47, 53, 57, AND 96

1шт.

Выбрано товаров: 0