Запчасти Case IH 454 (08-04) - ELECTRICAL, ALTERNATOR-GENERATOR AND CONNECTIONS (06) - ELECTRICAL

Схема запчастей Case IH 454 - (08-04) - ELECTRICAL, ALTERNATOR-GENERATOR AND CONNECTIONS (06) - ELECTRICAL
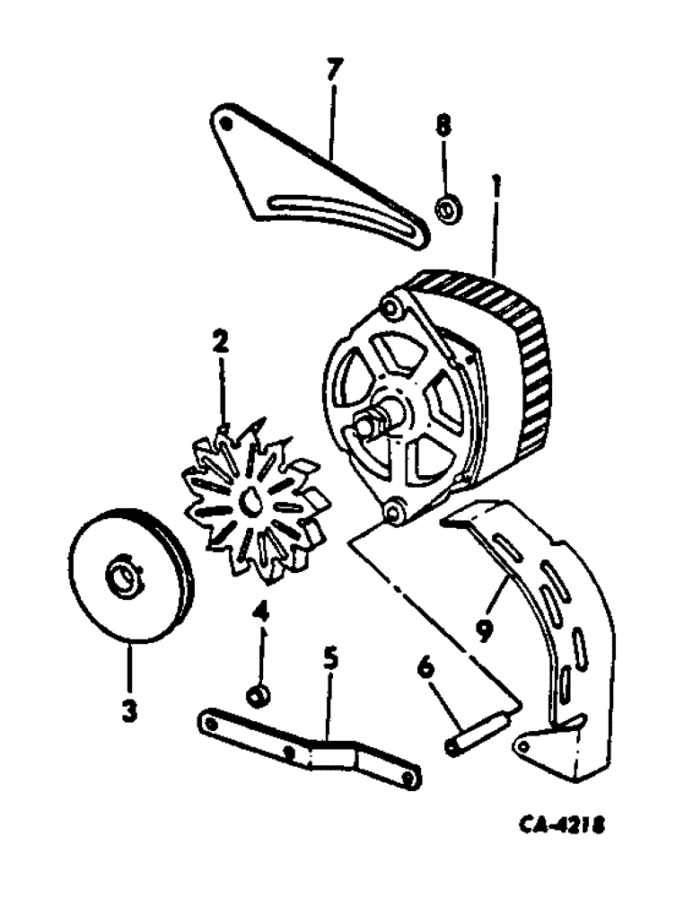
7
8
1
5
9
2
6
3
4
FIT
1:1
100%

Артикул

Название

Примечание

Количество

1

1100578

ALTERNATOR

ALTERNATOR-GENERATOR, Delco Remy, 538988R91, furnish 1100583, for components, see list of parts under details of alternator generator

1шт.

1

103798A1GV

ALTERNATOR

Value, 12V, 63A

1шт.

1

103798A1R

REMAN-ALTERNATOR

Ramanufactured Alternator, 12 volt 63 ampere

1шт.

1

103798A1C

CORE-ALTERNATOR

Return Number

1шт.

225-14112

NUT,#12-24

12-24 C-Z hex. mach screw

1шт.

492-11012

LOCK WASHER,#12

Washer, Lock, #12

1шт.

21404R1

SCREW,Hex, 5/16"-18 x 4 1/2", G8

SCREW, 5/16-18 x 4-1/2 hex-hd cap

1шт.

9413977

NUT

NUT, 5/16-18 PHC hex. lock

1шт.

179820

BOLT,Hex, 5/16" - 18 x 1 1/4", Gr 5

BOLT, Hex, 5/16"-18 x 1 1/4", G5

1шт.

103320

LOCK WASHER,5/16"

WASHER, LOCK, 5/16"

1шт.

2

1946716

PULLEY

PULLEY, alternator-generator, 378349R1

1шт.

3

221425R1

FAN

FAN, alternator-generator

1шт.

4

525820R1

SPACER,3/8" Pipe x .469"

SPACER, 3/8 x 15/32 pipe

1шт.

5

66467C1

HOLDER

BRACKET, alternator-generator mounting

1шт.

186270

BOLT,Hex, 5/16" - 18 x 3 1/2", Gr 5

BOLT, 5/16-18 x 3-3/4 hex-hd cap

1шт.

103320

LOCK WASHER,5/16"

WASHER, LOCK, 5/16"

1шт.

120393

BEARING WASHER,5/16", SAE

WASHER, 11/32 x 11/16 x .051

1шт.

120376

NUT,5/16"-18, G5

NUT, 5/16"-18, G5

1шт.

6

66465C1

BUSHING

BUSHING, alternator-generator mounting bolt

1шт.

7

66466C1

STAY

BRACE, alternator-generator adjusting

1шт.

179820

BOLT,Hex, 5/16" - 18 x 1 1/4", Gr 5

BOLT, Hex, 5/16"-18 x 1 1/4", G5

1шт.

103320

LOCK WASHER,5/16"

WASHER, LOCK, 5/16"

1шт.

9635082

NUT,5/16" - 18, Gr 5

NUT, 5/16"-18, G5

1шт.

8

280185R1

SPACER

SPACER, alternator-generator brace

1шт.

9

534313R2

SPARE PART SHIELD ASSY, alternator fan and pulley

1шт.

Выбрано товаров: 0