Запчасти Case IH 454 (10-27) - HYDRAULICS, INTERNAL PUMP ADAPTING PARTS (07) - HYDRAULICS

Схема запчастей Case IH 454 - (10-27) - HYDRAULICS, INTERNAL PUMP ADAPTING PARTS (07) - HYDRAULICS
9
4
47
34
57
1
11
48
56
42
9
43
10
17
7
49
53
33
5
51
26
16
7
44
29
3
37
12
38
46
8
30
5
22
14
39
12
6
48
25
18
7
23
2
31
36
7
41
7
39
54
27
55
13
24
7
40
28
49
10
8
20
52
15
35
13
19
33
32
58
17
11
50
45
8
21
FIT
1:1
100%

Артикул

Название

Примечание

Количество

.

SERVICE PARTS, tractors equipped with, 3110 hyd mower, consists of all unmarked parts, and those marked unit A

1шт.

.

SERVICE PARTS, tractors equipped with 3110 hyd mower and/or 2050A loader, consists of all unmarked parts, and those marked unit B

1шт.

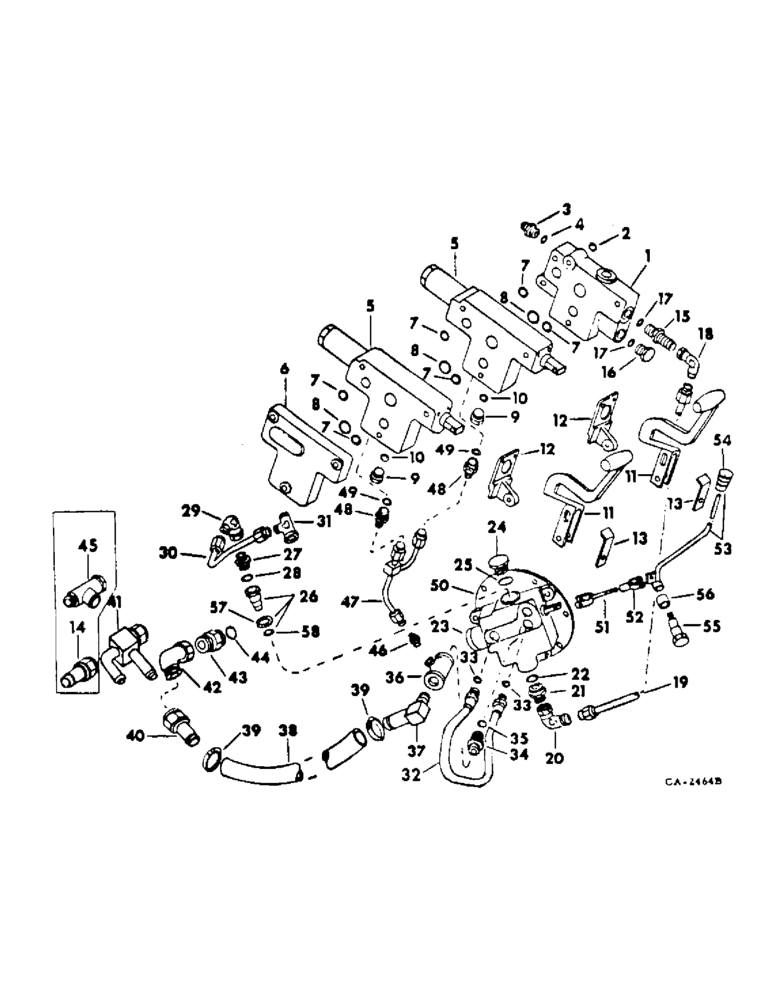
1

536698R91

VALVE ASSY, flow divider, for components, see list of parts under details of flow divider valve

1шт.

.

179845

BOLT,Hex, 3/8" - 16 x 1 3/4", Gr 5

SCREW, 3/8-16 x 1-3/4 hex-hd cap

2шт.

2

379794R1

O-RING,0.103" Thk x 1.237" ID, -124, Cl 5, 75 Duro

1-1/4 x 1-7/16 x 3/32

1шт.

3

9410204

HYD CONNECTOR,7/8"-14, 37 Degree x 7/8"-14, O-Ring

UNION, 7/8-14 37 deg hyd flared tube short swivel

1шт.

4

364885R1

O-RING,0.097" Thk x 0.755" ID, -910, Cl 6, 90 Duro

5/8 OD tube

1шт.

5

529912R92

VALVE

ASSY, hyd open center control, for components, see list of parts under details of control valve

2шт.

6

376023R4

COVER

open center control valve, unit A

1шт.

.

381781R1

BOLT,Hex, 3/8" - 16 x 5 3/8", Gr 8

SCREW, 3/8-16 x 5-3/8 hex-hd cap

2шт.

.

20507R1

BOLT,Hex, 3/8" - 16 x 6 3/4", Gr 5

SCREW, 3/8-16 x 6-3/4 hex-hd cap

1шт.

6

470603R4

MANIFOLD

COVER, open center control valve, unit B

1шт.

.

381781R1

BOLT,Hex, 3/8" - 16 x 5 3/8", Gr 8

SCREW, 3/8-16 x 5-3/8 hex-hd cap

2шт.

.

20507R1

BOLT,Hex, 3/8" - 16 x 6 3/4", Gr 5

SCREW, 3/8-16 x 6-3/4 hex-hd cap

1шт.

7

381884R1

O-RING,0.103" Thk x 0.987" ID, -120, Cl 6, 90 Duro

1 x 1-3/16 x 3/32

6шт.

8

381885R1

O-RING,0.103" Thk x 1.362" ID, -126, Cl 6, 90 Duro

1-3/8 x 1-9/16 x 3/32

3шт.

9

9410360

PLUG

7/8-14 C-Z str-thd o-ring boss

2шт.

10

364885R1

O-RING,0.097" Thk x 0.755" ID, -910, Cl 6, 90 Duro

5/8 OD tube

2шт.

11

530210R1

HANDLE

aux hyd valve control

2шт.

.

16811R1

PIN, 1/2 x 1-11/16 rod end

4шт.

.

395-11053

WASHER,0.53" ID x 1.06" OD x 0.1" Thk

17/32 x 1-1/16 x .074

4шт.

.

103385

COTTER PIN,1/8" x 1"

PIN, SPLIT (COTTER), 1/8" x 1"

4шт.

12

467948R1

BRACKET

control handle

2шт.

.

179816

BOLT,Hex, 5/16" - 18 x 3/4", Gr 5

4шт.

.

103320

LOCK WASHER,5/16"

WASHER, LOCK, 5/16"

4шт.

13

530211R1

BAR, float lockout

2шт.

.

256873

BOLT,Hex Serr, 5/16" - 18 x 1/2", 5SPL, Full Thd

Float lockout bar Hex Flg, 5/16"-18 x 1/2", Serr

2шт.

14

479152R91

FITTING, return hose

1шт.

15

9403256

FITTING,Blkhd, 7/8"-14, 37 Degree x 7/8"-14, 37 Degree

UNION, 7/8-14 C-Z 37 deg hyd flared tube bulkhead

1шт.

16

9410360

PLUG

7/8-14 C-Z str-thd o-ring boss

1шт.

17

364885R1

O-RING,0.097" Thk x 0.755" ID, -910, Cl 6, 90 Duro

5/8 OD tube

2шт.

18

9410282

ELBOW,90 Degree, 7/8"-14, 37 Degree x 7/8"-14, 37 Degree Fem Sw

7/8-14 C-Z 37 deg hyd flared tube 90 deg swivel

1шт.

19

538200R1

TUBE ASSY, power supply

1шт.

20

9410282

ELBOW,90 Degree, 7/8"-14, 37 Degree x 7/8"-14, 37 Degree Fem Sw

7/8-14 C-Z 37 deg hyd flared tube 90 deg swivel

1шт.

21

573206R1

HYD CONNECTOR,7/8"-14, 37 Degree x 1 1/16"-12, O-Ring

UNION, 7/8-14 C-Z 37 deg hyd flared tube short swivel reducer

1шт.

22

368269R1

O-RING,0.116" Thk x 0.924" ID, -912, Cl 6, 90 Duro

3/4 OD tube

1шт.

23

538201R91

VALVE ASSY, motor control, for components see list of parts under details of motor control valve

1шт.

24

478483R1

PLUG, body, unit A

1шт.

25

635971R1

GASKET, sleeve, unit A

1шт.

26

477816R91

SLEEVE W/GASKET AND SEAL, power beyond, unit B, consists of ref nos. 57 and 58

1шт.

27

573206R1

HYD CONNECTOR,7/8"-14, 37 Degree x 1 1/16"-12, O-Ring

UNION, 7/8-14 C-Z 37 deg hyd flared tube short swivel reducer, unit B

1шт.

28

368269R1

O-RING,0.116" Thk x 0.924" ID, -912, Cl 6, 90 Duro

3/4 OD tube, unit B

1шт.

29

9410282

ELBOW,90 Degree, 7/8"-14, 37 Degree x 7/8"-14, 37 Degree Fem Sw

7/8-14 C-Z hyd flared tube 90 deg swivel, unit B

1шт.

30

538202R1

TUBE ASSY, loader power beyond, unit B

1шт.

31

9410334

TEE,37 Degree, 7/8"-14 x 7/8"-14, Fem Sw Run

7/8-14 C-Z 37 deg hyd flared tube 90 deg swivel, unit B

1шт.

32

547665R91

HOSE ASSY, hydraulic

1шт.

33

364885R1

O-RING,0.097" Thk x 0.755" ID, -910, Cl 6, 90 Duro

5/8 OD tube

2шт.

34

587638R1

CONNECTOR, ELEC

CONNECTOR, 7/8-14 C-Z 37 deg hyd flared tube reducer

1шт.

35

364885R1

O-RING,0.097" Thk x 0.755" ID, -910, Cl 6, 90 Duro

5/8 OD tube

1шт.

36

218250

TEE, 3/4 x 3/4 x 1/4 reducing pipe

1шт.

37

477814R1

ELBOW

return line

1шт.

38

HOSE, dump line, furnish twelve inches from 50 ft. roll marked 490960R1

1шт.

39

274086R91

HOSE CLAMP,0.94/1.63 Type F Worm

CLAMP, hose

2шт.

40

479152R91

FITTING, return hose

1шт.

41

57231C1

TEE ASSY, unit B, replaces 9410337

1шт.

42

9410285

ELBOW,90 Degree, 1 5/16"-12, 37 Degree x 1 5/16"-12, 37 Degree Fem Sw

1-5/16-12 C-Z 37 deg hyd flared swivel, unit A

1шт.

43

9410207

HYD CONNECTOR,1 5/16"-12, 37 Degree x 1 5/16"-12, O-Ring

UNION, 1-5/16-12 C-Z 37 deg hyd flared tube short swivel

1шт.

44

296247R1

O-RING,16-1, 90 Duro, 1.171" ID x .116" Thk

1 OD tube

1шт.

45

9410337

TEE,37 Degree, 1 5/16"-12 x 1 5/16"-12, Fem Sw Run

1-5/16, unit B

1шт.

46

317783R1

HYD CONNECTOR,7/16"-20, 37 Degree x 1/4"-18, NPTF

CONNECTOR, 7/16-20 C-Z 37 deg hyd flared tube reducer

1шт.

47

538204R1

TUBE ASSY, pressure relief

1шт.

48

391797R1

HYD CONNECTOR,7/16"-20, 37 Degree x 7/8"-14, O-Ring

UNION, 7/16-20 C-Z 37 deg hyd flared tube short swivel reducer

2шт.

49

364885R1

O-RING,0.097" Thk x 0.755" ID, -910, Cl 6, 90 Duro

5/8 OD tube

2шт.

50

538205R1

COVER ASSY, valve mounting

1шт.

.

231-1446

NUT,3/8" - 16, Gr 5

NUT LOCK, 3/8"-16, GB

3шт.

51

538208R1

YOKE ASSY, control valve

1шт.

.

130368H

PIN

1/4 x 1-11/64 std-hd

1шт.

.

121223

COTTER PIN,1/16" x 3/4"

PIN, SPLIT (COTTER), 1/16" x 3/4"

1шт.

52

355975R1

CLEVIS COUPLING

YOKE, rod control

1шт.

.

138084

SPLIT PIN/SAFETY PIN

PIN, 3/8 x 1-3/32 C-Z rod end

1шт.

.

121224

SUPPORT

3/32" x 1"

1шт.

.

120369

NUT,3/8"-24, G5

1шт.

53

538211R91

HANDLE ASSY, valve control

1шт.

54

397931R2

GRIP

KNOB

1шт.

54

397931R2GV

SPRING

Value, Knob

1шт.

55

538215R1

BOLT, pivot

1шт.

56

538214R1

TUBE, pivot

1шт.

.

49609D

WASHER, 45/64 x 1-1/4 x 11 ga C-Z

1шт.

57

635971R1

GASKET, unit B

1шт.

58

666218R1

SEAL

SEAL, unit B

1шт.

Выбрано товаров: 80