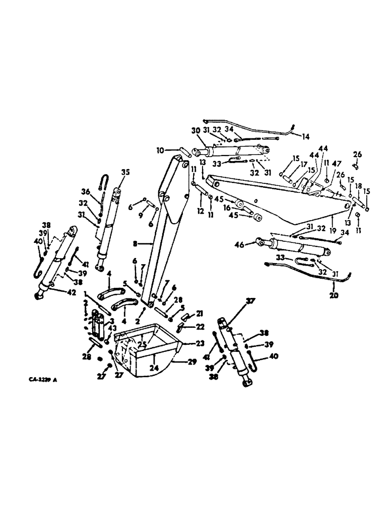
Запчасти Case IH 454 (17-06) - MOUNTED EQUIPMENT, BACKHOE BOOM, BUCKET, DIPPERSTICK, HYDRAULIC CYLINDER AND CONNECTIONS Mounted Equipment

Схема запчастей Case IH 454 - (17-06) - MOUNTED EQUIPMENT, BACKHOE BOOM, BUCKET, DIPPERSTICK, HYDRAULIC CYLINDER AND CONNECTIONS Mounted Equipment
32
7
32
31
31
33
13
24
36
32
45
39
41
12
10
47
34
42
2
43
5
39
33
45
38
38
8
6
27
38
32
16
23
15
6
15
21
4
9
39
18
19
39
11
2
14
35
6
31
5
20
17
32
40
40
22
7
26
31
28
11
11
3
28
26
25
27
37
13
6
4
15
1
44
30
41
15
46
38
29
31
44
11
34
FIT
1:1
100%

Артикул

Название

Примечание

Количество

1

468284R3

PIN

forward bucket link

1шт.

187988

COTTER PIN,3/16" x 1 1/4"

PIN, SPLIT (COTTER), 3/16" x 1 1/4"

2шт.

432-1216

COTTER PIN,3/16" x 1"

Pin, Split (Cotter), 3/16" x 1"

2шт.

472713R1

PIN

1/2 x 2-9/16 std-hd

4шт.

472712R1

BEARING

PIN, 1/2 x 3 std-hd

2шт.

1

542664R2

PIN

cyl link, for use w/13 in. bucket

1шт.

472713R1

PIN

1/2 x 2-9/16 std hd

2шт.

187988

COTTER PIN,3/16" x 1 1/4"

PIN, SPLIT (COTTER), 3/16" x 1 1/4"

2шт.

2

109461

LUBE NIPPLE,1/8"-27 x .66 lg

NIPPLE, LUBE, , PTF 1/8"-27 x .66 lg

7шт.

3

468289R1

LINK, rear bucket

1шт.

4

468285R2

LINK, forward bucket LH

1шт.

4

493398R1

LINK, forward bucket RH

1шт.

187988

COTTER PIN,3/16" x 1 1/4"

PIN, SPLIT (COTTER), 3/16" x 1 1/4"

2шт.

472712R1

BEARING

PIN, 1/2 x 3-9/16 std-hd

2шт.

5

468280R1

BUSHING

link pivot

2шт.

6

468283R1

RING

bucket link pivot shaft ext snap

4шт.

7

109461

LUBE NIPPLE,1/8"-27 x .66 lg

NIPPLE, LUBE, , PTF 1/8"-27 x .66 lg

2шт.

8

545234R91

DIPPERSTICK ASSY

1шт.

9

545245R1

NO LONGER SERVICED

PIN, bucket cylinder pivot

1шт.

10

545244R1

PIN, dipperstick to crowd cyl

1шт.

187988

COTTER PIN,3/16" x 1 1/4"

PIN, SPLIT (COTTER), 3/16" x 1 1/4"

2шт.

472714R1

PIN

1/2 x 3-3/8 std-hd

2шт.

11

468366R1

BUSHING

boom pivot carrier

4шт.

12

545243R1

PIN, dipperstick pivot

1шт.

187988

COTTER PIN,3/16" x 1 1/4"

PIN, SPLIT (COTTER), 3/16" x 1 1/4"

2шт.

472712R1

BEARING

PIN, 1/2 x 3-9/16 std-hd

2шт.

625688R1

WASHER

2-1/32 x 3 x 16 ga

1шт.

13

332040

LUBE NIPPLE,90 Degree, 1/8" NPT x .84" lg

FITTING, 1/8-90 deg elbow lub, boom pivot carrier

2шт.

14

470474R11

TUBE ASSY, backhoe boom left

1шт.

9403295

BHD LOCK NUT,Blkhd, 7/8"-14

NUT, 7/8-14 C-Z bulkhead union lock

1шт.

9403298

BHD LOCK NUT,Blkhd, 1 5/16"-12

NUT, 1-5/16-12 C-Z bulkhead union lock

1шт.

138566

WASHER,Int Tooth, 7/8"

7/8 C-Z internal tooth lock

1шт.

471961R1

WASHER, 1-5/16 C-Z internal tooth lock

1шт.

15

468371R1

RING

external retaining

6шт.

16

468367R1

PIN

lift cylinder upper

1шт.

17

468369R1

PIN

shroud

1шт.

18

468368R1

PIN

boom to swing mechanism

1шт.

625688R1

WASHER

2-1/32 x 3 x 16 ga

1шт.

19

468353R94

BOOM ASSY, replaces 545230R91

1шт.

120376

NUT,5/16"-18, G5

2шт.

20

470475R11

TUBE ASSY, backhoe boom right

1шт.

9403295

BHD LOCK NUT,Blkhd, 7/8"-14

NUT, 7/8-14 C-Z bulkhead union lock

1шт.

9403298

BHD LOCK NUT,Blkhd, 1 5/16"-12

NUT, 1-5/16-12 C-Z bulkhead union lock

1шт.

138566

WASHER,Int Tooth, 7/8"

7/8 C-Z int-tooth lock

1шт.

471961R1

WASHER, 1-5/16C-Z int- tooth lock

1шт.

21

468733R1

PRONG

TOOTH, point, 3 used for 13 in. and 18 in. bellhole, 4 used for 16, 18 and 20 in. , 5 used for 22, 24 std bellhole, high capacity, 26 in., 6 used for 28, 30 and 32 in. and 7 used for 34 and 36 in. bucket

1шт.

21

485353R1

TOOTH

point, heavy duty, 3 used for 13 in., 4 used for 16, 18 std and moles paw, 20 and 24 in. moles paw, 5 used for 22, 24 std. bellhole high capacity anc 6 in., 6 used for 28, 30 and 32 in., 7 used for 34 and 36 in.

1шт.

21

470242R1

TOOTH

point, special for moles paw type bucket, 4 used for 18 in. and 24 in.

1шт.

21

532948R1

POINT

TOOTH, point, 4 used 24 in. heavy duty bucket, 5 used 30 in. heavy duty bucket and 24 in. high capacity heavy duty bucket, 6 used 36 in. heavy duty bucket

1шт.

486914R1

PIN

tooth lock, one per tooth

1шт.

21

486433R1

POINT

TOOTH, point 4 for 18 and 24 in. moles paw bucket

1шт.

21

540085R1

TOOTH, long rock point, 4 used 24 in. , 5 used 30 in., 6 used 36 in. heavy duty buckets

1шт.

21

544872R1

TOOTH, wide point, 3 used for 13 in., 4 used for 16, 18 std and moles paw, 5 used for 22, 24 std. bellhole high capacity and 26 in., 6 used for 28, 30 and 32 in., 7 used for 34 and 36 in.

1шт.

21

544873R1

TOOTH, wide point, 4 used 24 in. heavy duty bucket, 5 used 30 in. heavy duty bucket and 24 in. high capacity heavy duty bucket, 6 used 36 in. heavy duty bucket

1шт.

22

468314R1

SHANK

tooth, 3 used for 13 in. and 18 in. bellhole, 4 used for 16, 18 and 20 in., 5 used for 22, 24 std bellhole, high capacity, 26 in., 6 used for 28, 30 and 32 in. and 7 used for 34 and 36 in. bucket

1шт.

22

471547R1

SHANK, tooth, special for moles paw type bucket, 4 used for 18 in. and 24 in.

1шт.

22

61532C1

SHANK, tooth, will work for 547182R1, 4 used 24 in. heavy duty bucket, 5 used 30 in. heavy duty bucket and 24 in. high capacity heavy duty bucket, 6 used 36 in. heavy duty bucket

1шт.

23

468764R1

BLADE, front cutting, for 13 in. bucket

1шт.

23

483615R1

BLADE, front cutting, for 16 in. bucket

1шт.

23

468758R1

BLADE, front cutting, for 18 in. bucket

1шт.

23

480804R1

BLADE, front cutting, for 18 in. bellhole bucket

1шт.

23

483621R1

BLADE, front cutting, for 20 in. bucket

1шт.

23

468310R1

BLADE, front cutting, for 24 in. bucket

1шт.

23

103056C1

BLADE, front cutting, will work for 486919R1, for 24 in. high capacity heavy duty and heavy duty bucket

1шт.

23

480805R1

BLADE, front cutting, for 24 in. bellhole bucket

1шт.

23

483633R1

BLADE, front cutting, for 26 in. bucket

1шт.

23

483639R1

BLADE, front cutting, for 28 in. bucket

1шт.

23

472975R1

BLADE, front cutting, for 30 in. bucket

1шт.

23

61529C1

BLADE, front cutting, for 30 in. heavy duty bucket

1шт.

23

483651R1

BLADE, front cutting, for 32 in. bucket

1шт.

23

483657R1

BLADE, front cutting, for 34 in. bucket

1шт.

23

468770R1

BLADE, front cutting, for 36 in. bucket

1шт.

23

480590R1

BLADE, front cutting, for 36 in. trenching bucket

1шт.

23

61530C1

BLADE, front cutting, will work for 486933R1, for 36 in. heavy duty bucket

1шт.

24

468313R1

BAR

right side cutting, for 16, 18, 20, 24, 30 and 36 in. bucket

1шт.

24

486922R1

BAR, right side cutting, for 24, 30, 24, 30 and 36 in. bucket

1шт.

24

490096R1

BAR, right side cutting, for 24 in. high capacity heavy duty bucket

1шт.

25

468312R1

BAR

left side cutting, for 16, 18, 20, 24, 30 and 36 in. bucket

1шт.

25

486921R1

BAR, left side cutting, for 24, 30 and 36 in. heavy duty bucket

1шт.

25

490095R1

BAR, left side cutting, for 24 in. high capacity heavy duty bucket

1шт.

26

486477R1

CLAMP

hyd. tube

2шт.

27

547133R1

BLOCK

BOSS, notched

2шт.

27

469633R1

BOSS, bucket pivot, 13 in. bucket

2шт.

28

544774R1

PIN

ASSY, rear bucket link

2шт.

192392

AXLE PIN,3/8" x 2 1/2", Type E

Pin, Grooved, , groove press fit 3/8" x 2 1/2", Type E

2шт.

29

BUCKET, serviced only as a machine attachment

1шт.

30

545223R92

CYLINDER ASSY, 4 x 33.7, crowd, double action, for components see list of parts under details of hydraulic cylinder in group 10

1шт.

80717

LUBE NIPPLE,45 Degree, 1/8" NPT x 7/8" lg

FITTING, 1/8-27 PTF 45 deg lub head end

1шт.

109461

LUBE NIPPLE,1/8"-27 x .66 lg

NIPPLE, LUBE, , PTF, Rod end 1/8"-27 x .66 lg

1шт.

30

385616R93

CYLINDER ASSY, lift hyd, for components see list of parts under details of hydraulic cylinders in group 10

1шт.

80717

LUBE NIPPLE,45 Degree, 1/8" NPT x 7/8" lg

FITTING, 1/8-27 PTF 45 deg lub head end

1шт.

109461

LUBE NIPPLE,1/8"-27 x .66 lg

NIPPLE, LUBE, , PTF, Rod end 1/8"-27 x .66 lg

1шт.

31

364885R1

O-RING,0.097" Thk x 0.755" ID, -910, Cl 6, 90 Duro

5/8 OD tube

5шт.

32

9410204

HYD CONNECTOR,7/8"-14, 37 Degree x 7/8"-14, O-Ring

CONNECTOR, 7/8-14 37 deg flared short swivel, for 5/8 tube

5шт.

33

481694R11

TUBE

ASSY, lift cylinder head end

2шт.

34

481693R11

TUBE ASSY, lift cylinder rod end

2шт.

35

545224R91

CYLINDER

ASSY, 3-1/2 x 27, for bucket, double action, for components see list of parts under details of hydraulic cylinders in group 10

1шт.

109461

LUBE NIPPLE,1/8"-27 x .66 lg

NIPPLE, LUBE, , PTF, Head end 1/8"-27 x .66 lg

1шт.

80717

LUBE NIPPLE,45 Degree, 1/8" NPT x 7/8" lg

FITTING, 1/8-27 PTF 45 deg lub rod end

1шт.

36

545227R1

HYD TUBE

TUBE ASSY, bucket cylinder return

1шт.

37

545225R91

CYLINDER ASSY, 3-1/2 x 18.19, for right stabilizer, double action, for components see list of parts under details of hydraulic cylinders in group 10

1шт.

109461

LUBE NIPPLE,1/8"-27 x .66 lg

NIPPLE, LUBE, , PTF 1/8"-27 x .66 lg

2шт.

38

570828R1

O-RING,0.087" Thk x 0.644" ID, -908, Cl 6, 90 Duro

1/2 OD tube

4шт.

39

9410203

HYD CONNECTOR,3/4"-16, 37 Degree x 3/4"-16, O-Ring

CONNECTOR, 3/4-16 37 deg flared short swivel

4шт.

40

474285R11

TUBE ASSY, stabilizer cylinder front

2шт.

41

474286R11

TUBE ASSY, stabilizer cylinder rear

2шт.

42

545226R91

CYLINDER ASSY, 3-1/2 x 18.19, for left stabilizer, double action, for components see list of parts under details of hydraulic cylinders in group 10

1шт.

109461

LUBE NIPPLE,1/8"-27 x .66 lg

NIPPLE, LUBE, , PTF 1/8"-27 x .66 lg

2шт.

43

547132R1

PIVOT

BOSS, bucket pivot

2шт.

43

468316R1

BLOCK

BOSS, bucket pivot, for use w/13 in. bucket

4шт.

44

468364R1

BLOCK

BOSS SHROUD

2шт.

45

(Not used in this application)

1шт.

46

548359R91

CYLINDER ASSY, lift hyd, for components see list of parts under details of hydraulic, cylinders in group 10

1шт.

80717

LUBE NIPPLE,45 Degree, 1/8" NPT x 7/8" lg

FITTING, 1/8-27 PTF 45 deg lub head end

1шт.

109461

LUBE NIPPLE,1/8"-27 x .66 lg

NIPPLE, LUBE, , PTF, Rod end 1/8"-27 x .66 lg

1шт.

47

486476R1

HOOK, transport chain

1шт.

Выбрано товаров: 116