Запчасти Case IH 454 (07-11) - DRIVE TRAIN, CENTER SECTION VALVE (04) - Drive Train

Схема запчастей Case IH 454 - (07-11) - DRIVE TRAIN, CENTER SECTION VALVE (04) - Drive Train
12
8
6
2
9
6
6
4
10
4
1
8
15
3
5
6
4
3
17
11
3
4
16
14
1
7
5
4
3
13
4
2
FIT
1:1
100%

Артикул

Название

Примечание

Количество

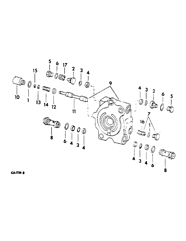
VALVE ASSY, center section

1шт.

1

364885R1

O-RING,0.097" Thk x 0.755" ID, -910, Cl 6, 90 Duro

5/8 OD tube

2шт.

2

528778R1

CHECK VALVE

VALVE ASSY, check, optional w/528345R1

2шт.

2

528345R1

CHECK VALVE

VALVE ASSY, check, optional w/528778R1

2шт.

3

20947R1

O-RING,0.103" Thk x 0.799" ID, -117, Cl 6, 90 Duro

3/16 x 1 x 3/32

4шт.

4

393887R1

BACK-UP RING

RING, back-up

6шт.

5

400983R1

PLUG, 1-3/16 - 12 str thd-o-ring boss

2шт.

6

297459R1

O-RING,0.116" Thk x 1.048" ID, -914, Cl 6, 90 Duro

7/8 OD tube

4шт.

7

533356R11

PLUG

ASSY, shuttle valve spring

1шт.

8

531770R1

VALVE

ASSY, relief

2шт.

9

400987R92

BODY

ASSY, center section, consists of ref nos 1, 7, 10, and 12 thru 16

1шт.

10

396067R1

PLUG

shuttle valve spring retainer

1шт.

11

406379R1

VALVE

center section shuttle, code A

1шт.

11

406380R1

VALVE

center section shuttle, code B

1шт.

11

406381R1

VALVE

center section shuttle, code C

1шт.

11

406382R1

VALVE

center section shuttle, code D

1шт.

11

406383R1

VALVE

center section shuttle, code E

1шт.

11

406384R1

VALVE

center section shuttle, code F

1шт.

12

396063R2

WASHER

shuttle valve inner

1шт.

13

396064R2

WASHER

shuttle valve outer

1шт.

14

531079R1

SPRING

shuttle valve centering

1шт.

15

396066R1

SNAP RING,#46, .433", Ext

RING, shuttle valve snap

1шт.

16

533357R1

SPRING

shuttle valve centering

1шт.

17

70960C1

SPRING

check valve retention

2шт.

393885R91

GASKET KIT

PACKAGE, relief valve seal, consists of (2) rings 393887R1, (1) o-ring 20947R1, (1) o-ring 297459R1

1шт.

Выбрано товаров: 25