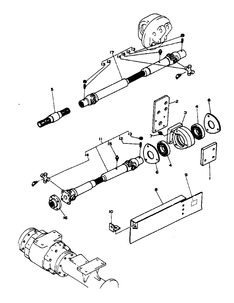
Запчасти Case IH 574 (07-112A) - PROPELLER SHAFT,- 4 WHEEL DRIVE - GBEO 1917 G (04) - Drive Train

Схема запчастей Case IH 574 - (07-112A) - PROPELLER SHAFT,  - 4 WHEEL DRIVE - GBEO 1917 G (04) - Drive Train
6
6
15
8
13
7
14
12
5
13
15
13
10
9
11
4
12
16
3
12
4
2
17
FIT
1:1
100%

Артикул

Название

Примечание

Количество

1

3121579R1

SPACER

1шт.

24889R1

BOLT,Hex, 3/4" - 10 x 2 1/4", Gr 8

1шт.

131142

LOCK WASHER,3/4"

WASHER, LOCK, 3/4"

1шт.

2

1014564C1

BRACKET

1шт.

24889R1

BOLT,Hex, 3/4" - 10 x 2 1/4", Gr 8

3шт.

131142

LOCK WASHER,3/4"

WASHER, LOCK, 3/4"

3шт.

3

1002989C1

BLOCK

PILLOW

1шт.

25274R1

BOLT,Hex, 1/2" - 13 x 1 1/8", Gr 8

SCREW, 1/2-13 x 1-1/8

4шт.

4

1014678C1

BEARING ASSY

BEARING, BALL

2шт.

5

1002992C1

SHAFT

PILLOW BLOCK

1шт.

6

1002991C1

COVER

PILLOW BLOCK

2шт.

25678R1

BOLT,Hex, 5/16" - 18 x 3 1/4", Gr 8

SCREW, 5/16-18 x 3-1/4

3шт.

120638

LOCK WASHER

WASHER, LOCK 5/16

3шт.

25520R1

NUT,5/16"-18, G8

5/16-18

3шт.

7

973356C1

LUBE NIPPLE

FITTING, GREASE

1шт.

8

1014584C1

COVER

ASSY

1шт.

24859R1

BOLT,Hex, 1/2" - 13 x 3/4", Gr 8

2шт.

131101

LOCK WASHER

1/2"

2шт.

9

1093136R1

PRODUCT GRAPHIC

PRODUCT-GRAPHIC, CAUTION

1шт.

10

1002060C1

BRACKET

1шт.

10

3121580R1

BRACKET

1шт.

24840R1

BOLT,Hex, 3/8" - 16 x 1", Gr 8

2шт.

25553R1

WASHER,13/32" x 1 1/8" x .134", HDN

3/8

1шт.

131099

LOCK WASHER,3/8"

WASHER, LOCK, 3/8"

2шт.

25552R1

WASHER,.344" x 1" x .098", HDN

NUT, 3/8-16

1шт.

11

1014638C11

SHAFT

ASSY, PROPELLER

1шт.

12

1014668C1

SCREW

3шт.

13

43362

NUT,M8 x 1.25, Cl 10

M8, Cl 10

3шт.

14

1014552C1

BEARING ASSY

BEARING, SPIDER

4шт.

1014682C1

FITTING

GREASE

4шт.

15

109461

LUBE NIPPLE,1/8"-27 x .66 lg

NIPPLE, LUBE, 1/8"-27 x .66 lg

2шт.

16

1014556C1

FLANGE

SPLINE

1шт.

1002113C1

SCREW,7/16" x 1.75, Gr 8

4шт.

980494C1

NUT

4шт.

17

1002644C93

SHAFT

ASSY, PROPELLER

1шт.

Выбрано товаров: 35