Запчасти Case IH 574 (11-2) - INSTRUMENT PANEL AND GAUGES Instruments

Схема запчастей Case IH 574 - (11-2) - INSTRUMENT PANEL AND GAUGES Instruments
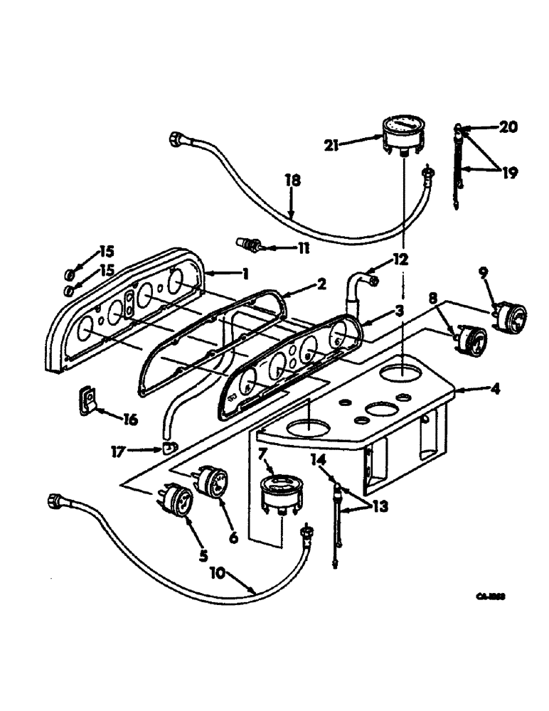
15
4
20
13
8
6
9
17
10
2
1
5
16
14
15
16
12
11
3
7
21
19
FIT
1:1
100%

Артикул

Название

Примечание

Количество

1

529357R2

HOUSING

INSTRUMENT PANEL GAUGE

1шт.

2

3113469R1

GASKET

1шт.

436665

SCREW

6-32 X 1/2 C-Z SLT-PAN-HD

8шт.

3113468R1

WASHER

FIBRE MACH

3шт.

3

529359R11

INSTRUMENT PANEL

ASSY, FACE

1шт.

4

533261R4

SPARE PART

PANEL ASSY, INSTRUMENT -SYNCHROMESH DRIVE TRACTORS-

1шт.

4

3112372R4

PANEL, INSTRUMENTS

PANEL, INSTRUMENT ASSY, - SYNCHROMESH DRIVE TRACTORS - - AUSTRLIAN MARKET -

1шт.

4

533264R5

SPARE PART

PANEL ASSY, INSTRUMENT -HYDROSTATIC DRIVE TRACTORS- -HAND SPEED CONTROL-

1шт.

4

3112374R4

PANEL

ASSY, INSTRUMENT - HYDROSTATIC DRIVE TRACTORS - - AUSTRLIAN MARKET - - HAND SPEED CONTROL -

1шт.

538484R1

SPARE PART ASSY, STEADY REST -HAND SPEED CONTROLS-

1шт.

157523

SCREW

5/16-18 X 3/4 CZ MACH

2шт.

4

538697R3

PANEL, INSTRUMENTS

PANEL, INSTRUMENT ASSY, INSTRUMENT -HYDROSTATIC DRIVE TRACTORS -FOOT SPEED CONTROLS-

1шт.

4

538699R3

PANEL ASSY, INSTRUMENT - HYDROSTATIC DRIVE TRACTORS - - AUSTRLIAN MARKET - - FOOT SPEED CONTROL -

1шт.

109084

NUT,1/4"-20, G5

2шт.

180014

SCREW,Hex, 1/4" - 20 x 3/8", Gr 5, Full Thd

1/4-20 X 3/8 HEX HD CAP

2шт.

24402R1

SCREW 12-24 X 1/2 C-Z CR-REC-PAN-HD TAP

2шт.

167214

CHAIN

SCREW 12-24 X 1/2 C-Z CR-REC-PAN-HD TAP

4шт.

5

528210R1

ELECTRICAL GAUGE

ASSY, FUEL

1шт.

6

528211R1

AMMETER

ASSY

1шт.

7

529227R91

TRACTORMETER

15 MPH -TRACTORS W/SYNCHROMESH DRIVE AND 12/53T BEVEL GEAR SET-

1шт.

7

529228R91

TRACTORMETER

24 KPH -EXPORT TRACTORS W/SYNCHROMESH DRIVE AND 12/53T BEVEL GEAR SET-

1шт.

7

529229R91

SPARE PART 20 MPH -EXPORT TRACTORS W/SYNCHROMESH DRIVE AND 14/51T BEVEL GEAR SET-

1шт.

7

529230R91

TRACTORMETER

32 KPH -EXPORT TRACTORS W/SYNCHROMESH DRIVE AND 14/51T BEVEL GEAR SET-

1шт.

7

529223R91

TRACTORMETER

20 MPH -EXPORT TRACTORS W/SYNCHROMESH DRIVE AND 12/53T BEVEL GEAR SET-

1шт.

7

529224R91

TRACTORMETER

32 KPH -EXPORT TRACTORS W/SYNCHROMESH DRIVE AND 12/53T BEVEL GEAR SET-

1шт.

7

532837R91

METER, TRACTOR, 15 MPH -TRACTORS W/SYNCHROMESH DRIVE AND 14/51T BEVEL GEAR SET-

1шт.

7

532838R91

METER

TRACTOR, 24 KPH -EXPORT TRACTORS W/SYNCHROMESH DRIVE AND 14/51T BEVEL GEAR SET- -FOR THE ABOVE TRACTORMETERS FURNISH TACHOMETER 528364R91 W/THE APPROPRIATE PRODUCT-GRAPHIC-

1шт.

7

528364R91

NO LONGER SERVICED

TACHOMETER

1шт.

537820R1

PRODUCT GRAPHIC

SPEED CHART KPH -FOR TRACTORS W/BR TRANSMISSION- -SYNCHROMESH TRACTORS EXPORT-

1шт.

537821R1

PRODUCT GRAPHIC

SPEED CHART MPH -FOR TRACTORS W/BR TRANSMISSION- -SYNCHROMESH TRACTORS-

1шт.

537822R1

PRODUCT GRAPHIC

SPEED CHART KPH -FOR TRACTORS W/AS TRANSMISSION- -SYNCHROMESH TRACTORS EXPORT-

1шт.

537823R1

PRODUCT GRAPHIC

SPEED CHART MPH -FOR TRACTORS W/AS TRANSMISSION- -SYNCHROMESH TRACTORS-

1шт.

537824R1

PRODUCT GRAPHIC

SPEED CHART KPH -FOR TRACTORS W/AR TRANSMISSION- -SYNCHROMESH TRACTORS EXPORT-

1шт.

537825R1

PRODUCT GRAPHIC

SPEED CHART MPH -FOR TRACTORS W/AR TRANSMISSION- -SYNCHROMESH TRACTORS-

1шт.

537826R1

PRODUCT GRAPHIC

SPEED CHART KPH -FOR TRACTORS W/BS TRANSMISSION- -SYNCHROMESH TRACTORS-

1шт.

537827R1

PRODUCT GRAPHIC

SPEED CHART MPH -FOR TRACTORS W/BS TRANSMISSION- -SYNCHROMESH TRACTORS-

1шт.

8

528212R1

ELECTRICAL GAUGE

ASSY, OIL

1шт.

3115042R1

WASHER

OIL GAUGE SEALING

1шт.

9

528213R1

ELECTRICAL GAUGE

ASSY, WATER TEMPERATURE

1шт.

10

529234R91

CABLE ASSY.

TRACTORMETER -SYNCHROMESH DRIVE TRACTORS-

1шт.

10

CABLE ASSY, TACHOMETER DRIVE -HYDROSTATIC DRIVE TRACTORS-

1шт.

289862C1

CABLE TIE,3/16" x 7"

CABLE STRAP Tachometer

1шт.

11

3106585R1

TRANSMITTER

GAUGE, TEMPERATURE SENDER

1шт.

536650R1

GASKET

TEMPERATURE SENDER GAUGE, 574, Serial Range: -8869

1шт.

536650R1

GASKET

TEMPERATURE SENDER GAUGE, 2500, Serial Range: -0576

1шт.

11

3073787R91

TRANSMITTER

TEMP. SENDER, 574, Start Serial: 8870

1шт.

11

3073787R91

TRANSMITTER

TEMP. SENDER, 2500, Start Serial: 0577

1шт.

12

533274R1

PIPE

OIL PRESSURE

1шт.

13

529231R91

LAMP BASE

HOLDER, TRACTORMETER LAMP -SYNCHROMESH DRIVE TRACTORS-

1шт.

14

529233R1

LAMP

12V 3W CAPLESS BULB

1шт.

15

530589R1

TUBE

WARNING LIGHT

2шт.

16

533275R1

CLAMP

OIL PRESSURE PIPE

1шт.

533276R1

SPARE PART

1шт.

179815

BOLT,Hex, 5/16" - 18 x 11/16", Gr 5

1шт.

17

21267D

FITTING

SPARE PART ELBOW, 3/8-24 HI-DUTY TUBE FITTING -OIL PRESSURE PIPE TO ENGINE-

1шт.

25038HA

TUBE NUT,3/8"-24

3/8-24 HI-DUTY TUBE FITTING

1шт.

18

529235R1

FLEXIBLE CABLE

CABLE ASSY, FLEXIBLE DRIVE -HYDROSTATIC DRIVE TRACTORS-

1шт.

289862C1

CABLE TIE,3/16" x 7"

CABLE STRAP Tachometer

1шт.

19

529231R91

LAMP BASE

HOLDER, SPEEDOMETER LAMP -HYDROSTATIC DRIVE TRACTORS-

1шт.

20

529233R1

LAMP

12V 3W CAPLESS BULB

1шт.

21

529765R92

SPEEDOMETER 15 MPH

1шт.

21

529767R92

SPEEDOMETER

20 MPH

1шт.

21

529769R92

KM SPEEDOMETER

24 KPH

1шт.

21

529771R92

METER

SPEEDOMETER, 32 KPH -HYDROSTATIC DRIVE TRACTORS-

1шт.

ref

Part No.

English Remarks

1шт.

3113429R1

PLUG

BLANKING -OPTIONAL W/191105-, NOT ILLUSTRATED

1шт.

191105

PLUG, 1 C-Z BUTTON -OPTIONAL W/3113429R1-, NOT ILLUSTRATED

1шт.

142070

PLUG,13/32"

BUTTON HORN -OPTIONAL W/3113430R1-, NOT ILLUSTRATED

1шт.

3113430R1

PLUG

BLANKING -OPTIONAL W/142070-, NOT ILLUSTRATED

1шт.

432281

HOLE PLUG BUTTON,29/32"

CIGARETTE LIGHTER HOLE BUTTON -OPTIONAL W/528240R1 AND 178023-, NOT ILLUSTRATED

1шт.

528240R1

NO LONGER SERVICED

PLUG, CIGARETTE LIGHTER HOLE BUTTON -OPTIONAL W/432281 AND 178023-, NOT ILLUSTRATED

1шт.

432281

HOLE PLUG BUTTON,29/32"

CIGARETTE LIGHTER HOLE BUTTON -OPTIONAL W/432281 AND 528240R1-, NOT ILLUSTRATED

1шт.

538239R1

PLUG

DIRECTION INDICATOR LIGHT HOLE, NOT ILLUSTRATED

2шт.

538240R1

PLUG

DIRECTION INDICATOR SWITCH HOLE, NOT ILLUSTRATED

1шт.

Выбрано товаров: 74