Запчасти Case IH 574 (09-109A) - INSIDE CHECK CHAIN,-454 MACHINE -,- MACHINE FITTED W/ DRUM BRAKES AND ISO MOUNTED CAB - (12) - FRAME

Схема запчастей Case IH 574 - (09-109A) - INSIDE CHECK CHAIN,  -454 MACHINE -,  - MACHINE FITTED W/ DRUM BRAKES AND ISO MOUNTED CAB - (12) - FRAME
4
5
1
4
3
2
6
7
FIT
1:1
100%

Артикул

Название

Примечание

Количество

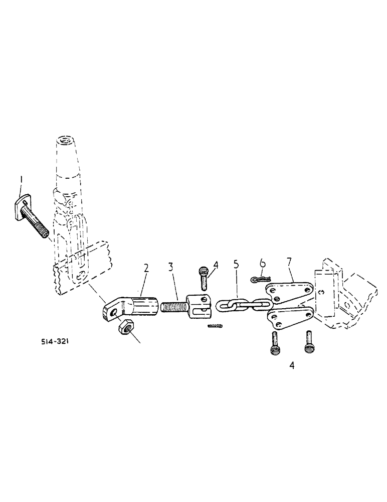
1

527981R1

PIN ASSY.

PIN ASSY, REAR CHAIN BRACKET

2шт.

171161R1

LOCK NUT

NUT, 3/4-10 NYLON INSERT HEX

2шт.

2

403034R1

BRACKET

LIMITER CHAIN REAR

2шт.

3

527976R1

ADJUSTABLE CLEVIS

CLEVIS ASSY, LATERAL LIMITER

2шт.

4

403031R1

PIN

LIMITER CHAIN

6шт.

108630

COTTER PIN,1/8" x 7/8"

PIN, SPLIT, (COTTER), 1/8" x 7/8"

2шт.

5

527974R1

CHAIN (AG)

CHAIN, LATERAL LIMITER

2шт.

6

460047R1

CLIP, SPRING

PIN, QUICK ATTACHABLE COTTER

4шт.

7

527975R1

PLATE

STRAP, CHAIN SHACKLE

4шт.

Выбрано товаров: 9