Запчасти Case IH 574 (07-038) - DIFFERENTIAL AND CONNECTIONS (04) - Drive Train

Схема запчастей Case IH 574 - (07-038) - DIFFERENTIAL AND CONNECTIONS (04) - Drive Train
9
13
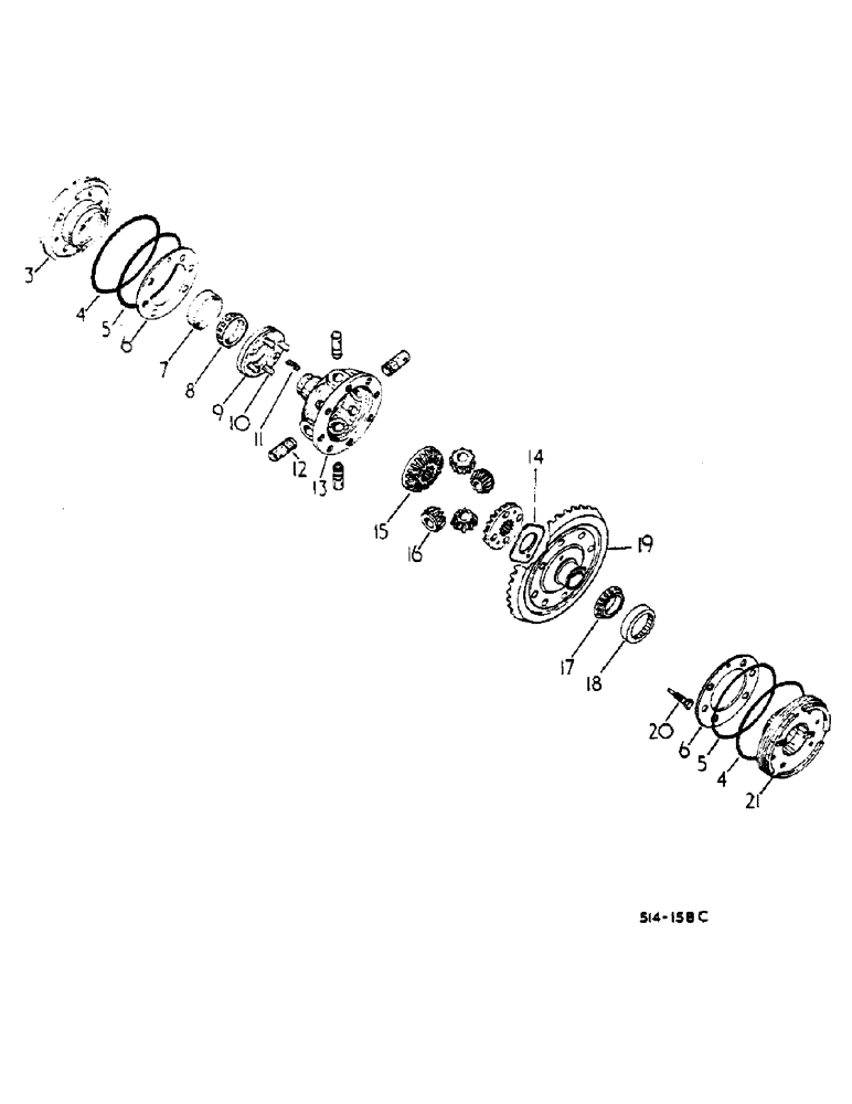
17
12
19
7
3
8
11
6
15
14
16
4
5
21
10
18
4
6
20
FIT
1:1
100%

Артикул

Название

Примечание

Количество

1

- NOT APPLICABLE -

1шт.

2

- NOT APPLICABLE -

1шт.

3

399770R2

BEARING CARRIER

CARRIER, DIFFERENTIAL BRG RH

1шт.

340340R1

BOLT,Hex, 1/2" - 13 x 1 1/2", Gr 8

SCREW 1/2-13 X 1-1/2 HEX HD CAP

4шт.

4

21472R1

O-RING,0.139" Thk x 8.234" ID, -267, Cl 6, 90 Duro

8-1/4 X 8-1/2 X 1/8 -DIFFERENTIAL BRG CARRIER-

2шт.

5

289506R1

O-RING,0.21" Thk x 7.475" ID, -367, Cl 5, 75 Duro

7-1/2 X 7-7/8 X 3/16 -DIFFERENTIAL BRG CARRIER SEAL-

2шт.

6

65419C1

BEARING CARRIER

PACKAGE, DIFFERENTIAL BRG CARRIER SERVICE

1шт.

7

105497H

BEARING CUP,96.85mm OD x 15.77mm W

DIFFERENTIAL RH

1шт.

8

52843V

BEARING ASSY,57.15mm ID x 22.05mm W

ASSY, DIFFERENTIAL RH

1шт.

9

399764R11

LOCKING RING

DIFFERENTIAL LOCK

1шт.

10

399765R1

PIN

COUPLING

4шт.

11

400867R1

SPRING

DIFFERENTIAL LOCK

2шт.

12

399804R1

PIN

DIFFERENTIAL PINION

4шт.

13

399763R1

PINION CARRIER

GEAR CARRIER DIFFERENTIAL

1шт.

14

399778R1

THRUST WASHER

DIFFERENTIAL BEVEL GEAR THRUST

1шт.

15

404336R1

PINION

GEAR, DIFFERENTIAL BEVEL 20T

2шт.

16

399776R1

PINION

GEAR, DIFFERENTIAL PINION 10T

4шт.

17

105503H

ROLLER BEARING,57.15mm ID x 24.61mm W

ASSY, DIFFERENTIAL LH

1шт.

18

105496H

BEARING CUP,97.63mm OD x 19.45mm W

DIFFERENTIAL CUP LH

1шт.

19

65254C1

SHAFT

SET, BEVEL GEARS MATCHED -12/53T- -SYNCHROMESH -CONSISTS OF, Start Serial: 008553

1шт.

19

65254C1

SHAFT

SET, BEVEL GEARS MATCHED -12/53T- -HYDROSTATIC -CONSISTS OF, Start Serial: 009815

1шт.

65257C1

SPARE PART

SHAFT

1шт.

399452R1

GEAR

1шт.

19

529649R1

GEAR-SET

BEVEL MATCHED -12/53T, SYNCHROMESH -CONSISTS OF, Serial Range: -008552

1шт.

19

529649R1

GEAR-SET

BEVEL MATCHED -12/53T, HYDROSTATIC- -CONSISTS OF, Serial Range: -009814

1шт.

399459R1

SHAFT

1шт.

399452R1

GEAR

1шт.

19

529650R1

GEAR-SET

BEVEL MATCHED -14/51T- SYNCHROMESH -CONSISTS OF, Serial Range: -008552

1шт.

19

529650R1

GEAR-SET

BEVEL MATCHED -14/51T- HYDROSTATIC- -CONSISTS OF, Serial Range: -009814

1шт.

399460R1

SHAFT

1шт.

399453R1

GEAR

1шт.

20

399779R2

BOLT,Hex, 1/2" - 13 x 2.12", Gr 8

BOLT 1/2-13 X 2-1/8 DOWEL

4шт.

340340R1

BOLT,Hex, 1/2" - 13 x 1 1/2", Gr 8

1-1/2 X 1/2 GRADE 8

4шт.

21

399769R2

BEARING CARRIER

CARRIER, DIFFERENTIAL BRG LH

1шт.

340340R1

BOLT,Hex, 1/2" - 13 x 1 1/2", Gr 8

1-1/2 X 1/2 GRADE 8

4шт.

Выбрано товаров: 35