Запчасти Case IH 574 (10-03) - HYDRAULICS, HYDRAULIC POWER SUPPLY AND MULTIPLE CONTROL VALVE (07) - HYDRAULICS

Схема запчастей Case IH 574 - (10-03) - HYDRAULICS, HYDRAULIC POWER SUPPLY AND MULTIPLE CONTROL VALVE (07) - HYDRAULICS
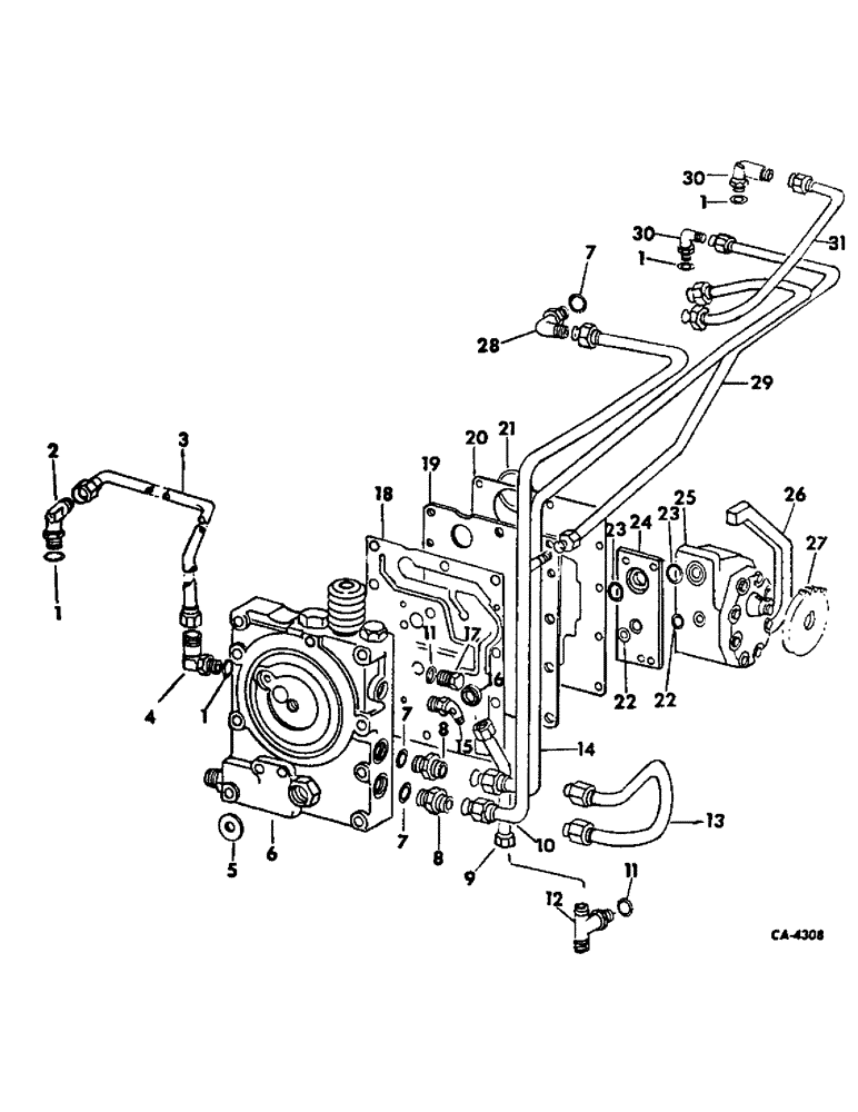
13
7
29
28
5
1
18
25
11
27
7
1
12
24
23
1
8
1
26
19
15
22
14
23
3
31
8
6
17
30
20
4
2
7
10
9
11
21
22
30
6
FIT
1:1
100%

Артикул

Название

Примечание

Количество

1

570828R1

O-RING,0.087" Thk x 0.644" ID, -908, Cl 6, 90 Duro

1/2 OD tube

4шт.

2

534773R2

ELBOW

ASSY, multiple control valve dump orifice

1шт.

3

529617R3

TUBE

ASSY, multiple control valve dump, hydrostatic drive tractors

1шт.

4

9410977

ELBOW,90 Degree, 3/4"-16, 37 Degree x 3/4"-16, O-Ring

3/4-16 C-Z 37 deg hyd flared tube adj str thd 90 deg

1шт.

5

537517R1

WASHER

pump identification, 15 GPM pump

1шт.

6

57713C92

VALVE

ASSY, multiple control, tractors without draft control or, auxiliary valves, for components see list of parts under details of multiple control valve

1шт.

280161

BOLT,Hex, 3/8" - 16 x 3", Gr 5

7 used with Hydrostatic drive, 9 used with Synchromesh transmission Hex, 3/8"-16 x 3", G5

1шт.

186284

BOLT,Hex, 3/8" - 16 x 3 3/4", Gr 5

SCREW, 3/8-16 x 3-3/4 hex-hd cap

1шт.

103321

LOCK WASHER,3/8"

WASHER, LOCK, 3/8"

10шт.

6

57714C93

VALVE

ASSY, multiple control, tractors with draft control or auxiliary valves, for components see list of parts under details of multiple control valve

1шт.

280161

BOLT,Hex, 3/8" - 16 x 3", Gr 5

7 used with Hydrostatic drive, 9 used with Synchromesh transmission Hex, 3/8"-16 x 3", G5

1шт.

186283

BOLT,Hex, 3/8" - 16 x 3 1/2", Gr 5

SCREW, 3/8-16 x 3-1/2 hex-hd cap

1шт.

103321

LOCK WASHER,3/8"

WASHER, LOCK, 3/8"

1шт.

7

364885R1

O-RING,0.097" Thk x 0.755" ID, -910, Cl 6, 90 Duro

5/8 OD tube

3шт.

8

9410204

HYD CONNECTOR,7/8"-14, 37 Degree x 7/8"-14, O-Ring

UNION, 7/8-14 C-Z 37 deg hyd flared tube adh str-thd 45 deg

2шт.

9

539835R1

TUBE ASSY.

TUBE ASSY, IPTO pressure, tractors with IPTO (Replaces 539385R1)

1шт.

10

66760C1

TUBE ASSY.

TUBE ASSY, draft control pressure, tractors with draft control

1шт.

11

369751R1

O-RING,0.072" Thk x 0.351" ID, -904, Cl 6, 90 Duro

4-1, 90 Duro, .351" ID x .072" Thk, 1/4 OD tube

2шт.

12

9411115

TEE,7/16"-20, 37 Degree x 7/8"-14, O-Ring Br

7/16-20 C-Z 37 deg hyd flared tube, tractors with IPTO

1шт.

9403369

CAP,37 Degree, 7/16"-20

7/16-20 C-Z 37 deg hyd flared tube

1шт.

13

67261C1

TUBE

ASSY, multiple control bypass, tractors without draft control of auxiliary valves

1шт.

14

66761C1

TUBE ASSY.

TUBE ASSY, return, tractors with draft control and/or auxiliary valves

1шт.

15

9410200

HYD CONNECTOR,7/16" - 20 JIC x 7/16" - 20 ORB

UNION, 7/16-20 C-Z 37 deg hyd flared tube, tractors with IPTO

1шт.

16

387926R2

RING

rectangular

1шт.

17

9410356

PLUG

7/16-20 str-thd o-ring boss, tractors without IPTO

1шт.

18

65000C2

GASKET

multiple control valve body

1шт.

19

405458R2

LARGE PLATE

PLATE, multiple control valve

1шт.

20

401736R3

GASKET

multiple control valve

1шт.

21

707253R1

O-RING,-222, 70 Duro, 1.484" ID x .139" Thk

1-1/2 x 1-3/4 x 1/8, inlet port

1шт.

22

21433R1

O-RING,0.103" Thk x 0.674" ID, -115, Cl 6, 90 Duro

11/16 x 7/8 x 3/32, pump pressure port, 1 used on tractors without loader mower or loader and mower, 2 used on tractors with loader, mower or loader and mower

1шт.

23

372821R1

O-RING,0.103" Thk x 1.049" ID, -121, Cl 5, 75 Duro

1-1/16 x 1-1/4 x 3/32, pump suction port, 1 used on tractors without loader mower or loader and mower, 2 used on tractors with loader, mower or loader and mower

1шт.

24

544909R2

LARGE PLATE

PLATE, pump mounting, 15 GPM pump

1шт.

25

128180C91

PUMP, HYDRAULIC

PUMP ASSY, hydraulic gear, 12, 15 GPM, replaces 67248C91, optional 67248C91, for components see list of parts under detail of hydraulic gear pump

1шт.

25

84573150R

REMAN-HYD PUMP

574 (1/71-12/77), 2500, Both INTERNATIONAL SERIES-A TRACTOR (NORTH AMERICA), PUMP ASSY, hydraulic gear, 12, 15 GPM, Reman for New PN 128180C91

1шт.

25

84573150C

CORE-HYDRAULIC PUMP

Return Number

1шт.

19258R1

LOCK NUT,1/2"-20, GB

NUT, 1/2-20 ESNA stop

1шт.

179829

BOLT,Hex, 5/16" - 18 x 2 3/4", Gr 5

12 GPM pump Hex, 5/16"-18 x 2 3/4", G5

2шт.

186270

BOLT,Hex, 5/16" - 18 x 3 1/2", Gr 5

12 GPM pump Hex, 5/16"-18 x 3 1/2", G5

2шт.

382331R1

SEALING WASHER,8.33mm ID x 12.7mm OD x 0.79mm Thk

pump mounting bolt, 12 GPM pump

4шт.

413-548

BOLT,Hex, 5/16" - 18 x 3", Gr 5

15 GPM pump Hex, 5/16"-18 x 3", G5

2шт.

186271

SCREW,Hex, 5/16" - 18 x 3 3/4", Gr 5

BOLT, , 15 GPM pump Hex, 5/16"-18 x 3 3/4", G5

2шт.

25

66513C91

PUMP, HYDRAULIC

PUMP ASSY, hydraulic gear, 12, 15 GPM, optional with pump 128180C91, for components see list of parts under details of hydraulic gear pump

1шт.

25

84573150R

REMAN-HYD PUMP

574 (1/71-12/77), 2500, Both INTERNATIONAL SERIES-A TRACTOR (NORTH AMERICA), PUMP ASSY, hydraulic gear, 12, 15 GPM, Reman for New PN 66513C91

1шт.

25

84573150C

CORE-HYDRAULIC PUMP

Return Number

1шт.

19258R1

LOCK NUT,1/2"-20, GB

NUT, 1/2-20 ESNA stop

1шт.

179829

BOLT,Hex, 5/16" - 18 x 2 3/4", Gr 5

12 GPM pump Hex, 5/16"-18 x 2 3/4", G5

2шт.

186270

BOLT,Hex, 5/16" - 18 x 3 1/2", Gr 5

12 GPM pump Hex, 5/16"-18 x 3 1/2", G5

2шт.

382331R1

SEALING WASHER,8.33mm ID x 12.7mm OD x 0.79mm Thk

pump mounting bolt, 12 GPM pump

4шт.

179830

15 GPM pump Hex, 5/16"-18 x 3", G5

2шт.

186271

SCREW,Hex, 5/16" - 18 x 3 3/4", Gr 5

BOLT, , 15 GPM pump Hex, 5/16"-18 x 3 3/4", G5

2шт.

26

69354C1

SEAL

hydraulic pump, used with Cessna 12 GPM pump

1шт.

26

69352C1

SEAL

hydraulic pump, used with Plessey 12 GPM pump

1шт.

26

69353C1

SEAL

hydraulic pump, used with Cessna 15 GPM pump, replaces 529865R1

1шт.

26

69355C1

SEAL

hydraulic pump, used wtih Plessey 15 GPM pump, replaces 529865R1

1шт.

69351C1

GLUE

ADHESIVE, 1 oz. tube

1шт.

27

406764R1

PINION

GEAR, hydraulic pump driven, 27 T, tractors without loader, mower or loader and mower, 12 GPM pump

1шт.

27

544908R1

GEAR

hydraulic pump driven, 21 T, tractors with loader, mower or loader and mower, 15 GPM pump

1шт.

28

9410978

ELBOW,90 Degree, 7/8"-14, 37 Degree x 7/8"-14, O-Ring

7/8-14 C-Z 37 deg flared tube, tractors with draft control

1шт.

29

66758C1

TUBE

TUBING, variable flow control supply, tractors with draft control

1шт.

30

9410977

ELBOW,90 Degree, 3/4"-16, 37 Degree x 3/4"-16, O-Ring

3/4-16 C-Z 37 deg hyd flared tube adj str thd 90 deg, tractors with drat control

2шт.

31

66759C1

TUBE ASSY.

TUBE ASSY, variable flow, tractors with draft control

1шт.

Выбрано товаров: 61